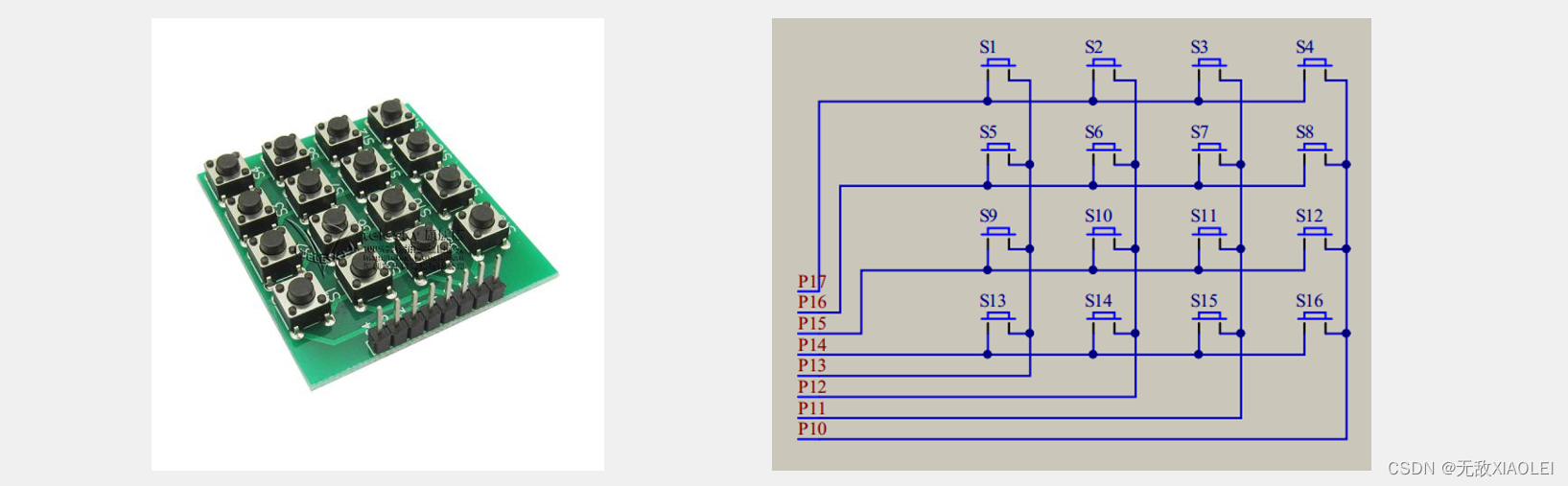
一、矩阵键盘介绍
1.1 矩阵键盘
在键盘中按键数量较多时,为了减少I/O口的占用,通常将按键排列成矩阵形式
采用逐行或逐列的“扫描”,就可以读出任何位置按键的状态

在STC89C52芯片中所有的IO口都可以是输入也可以做输出,P1 P2 P3都是弱上拉,P0是开漏输出,但在开发板上已经做了外部上拉电阻和P1 P2 P3一样。IO口都是弱上拉,强下拉,所以按键扫描是可以IO口接IO的,不会发生短路的现象。
1.2 扫描的概念
数码管扫描(输出扫描)
原理:显示第1位→显示第2位→显示第3位→……,然后快速循环这个过程,最终实现所有数码管同时显示的效果
矩阵键盘扫描(输入扫描)
原理:读取第1行(列)→读取第2行(列) →读取第3行(列) → ……,然后快速循环这个过程,最终实现所有按键同时检测的效果
以上两种扫描方式的共性:节省I/O口
二、编程
2.1 LCD屏显示“HelloWord”
#include <REGX52.H>
#include "Delay.h"
#include "LCD1602.h"
void main()
{
LCD_Init();
LCD_ShowString(1,1,"HelloWord");
while(1)
{
}
注:程序采用模块化编写,直接复制代码会有问题
2.2 矩阵键盘程序
MatrixKey.c:
#include <REGX52.H>
#include "Delay.h"
/**
* @brief 矩阵键盘读取按键键码
* @param 无
* @retval KeyNumber 按下按键的键码值
如果按键按下不放,程序会停留在此函数(while函数中,会阻止主函数的运行),松手的一瞬间,返回按键键码,没有按键按下时,返回0
*/
unsigned char MatrixKey()
{
unsigned char KeyNumber=0;
//按列扫描
P1=0xFF;
P1_3=0;
if(P1_7==0){Delay(20);while(P1_7==0);Delay(20);KeyNumber=1;}
if(P1_6==0){Delay(20);while(P1_6==0);Delay(20);KeyNumber=5;}
if(P1_5==0){Delay(20);while(P1_5==0);Delay(20);KeyNumber=9;}
if(P1_4==0){Delay(20);while(P1_4==0);Delay(20);KeyNumber=13;}
P1=0xFF;
P1_2=0;
if(P1_7==0){Delay(20);while(P1_7==0);Delay(20);KeyNumber=2;}
if(P1_6==0){Delay(20);while(P1_6==0);Delay(20);KeyNumber=6;}
if(P1_5==0){Delay(20);while(P1_5==0);Delay(20);KeyNumber=10;}
if(P1_4==0){Delay(20);while(P1_4==0);Delay(20);KeyNumber=14;}
P1=0xFF;
P1_1=0;
if(P1_7==0){Delay(20);while(P1_7==0);Delay(20);KeyNumber=3;}
if(P1_6==0){Delay(20);while(P1_6==0);Delay(20);KeyNumber=7;}
if(P1_5==0){Delay(20);while(P1_5==0);Delay(20);KeyNumber=11;}
if(P1_4==0){Delay(20);while(P1_4==0);Delay(20);KeyNumber=15;}
P1=0xFF;
P1_0=0;
if(P1_7==0){Delay(20);while(P1_7==0);Delay(20);KeyNumber=4;}
if(P1_6==0){Delay(20);while(P1_6==0);Delay(20);KeyNumber=8;}
if(P1_5==0){Delay(20);while(P1_5==0);Delay(20);KeyNumber=12;}
if(P1_4==0){Delay(20);while(P1_4==0);Delay(20);KeyNumber=16;}
return KeyNumber;
}
main.c
#include <REGX52.H>
#include "Delay.h"
#include "LCD1602.h"
#include "MatrixKey.h"
unsigned char KeyNum;
void main()
{
LCD_Init();
LCD_ShowString(1,1,"MatrixKey:");
while(1)
{
KeyNum=MatrixKey();
if(KeyNum)
{
LCD_ShowNum(2,1,KeyNum,2);
}
}
}
延时函数文件和LCD调试函数文件在这里就不展现了
三、矩阵键盘应用
矩阵密码锁
按键1-9为密码1-9号键 按键10为密码0号键 按键11为确认键 按键12为重置键
if(Password==1234) 在此行设置密码
当密码正确时 LCD显示OK
当密码错误时 LCD显示ERR
#include <REGX52.H>
#include "Delay.h"
#include "LCD1602.h"
#include "MatrixKey.h"
unsigned char KeyNum;
unsigned int PassWard,Count;
void main()
{
LCD_Init();
LCD_ShowString(1,1,"PassWard:");
while(1)
{
KeyNum=MatrixKey();
if(KeyNum)
{
if(KeyNum<=10)//如果按键S1-S10按键按下,输入密码
{
if(Count<4)//如果输入次数小于4
{
PassWard*=10; //密码左移一位
PassWard+=KeyNum%10;//获取一位密码
Count++;//计次加一
}
LCD_ShowNum(2,1,PassWard,4);//更新显示
}
if(KeyNum==11)
{
if(PassWard==2345)//正确密码
{
LCD_ShowString(1,14,"OK");//显示OK
PassWard=0;//密码清零
Count=0;//计次清零
LCD_ShowNum(2,1,PassWard,4);//更新显示
}
else
{
LCD_ShowString(1,14,"ERR");//显示错误
PassWard=0;//密码清零
Count=0;//计次清零
LCD_ShowNum(2,1,PassWard,4);//更新显示
}
}
if(KeyNum==12)
{
PassWard=0;//密码清零
Count=0;//计次清零
LCD_ShowNum(2,1,PassWard,4);//更新显示
}
}
}
}
延时函数文件和LCD调试函数文件在这里就不展现了
本文详细介绍了如何在STC89C52单片机上使用矩阵键盘和LCD屏。通过矩阵键盘的扫描原理实现按键检测,并展示了编程实现,包括LCD屏显示‘HelloWorld’及矩阵键盘读取按键的函数。同时,给出了矩阵键盘在密码锁应用中的示例,演示了如何处理密码验证并显示相应提示。
2221

被折叠的 条评论
为什么被折叠?



