机器人关节电机FOC开发板雅特力AT32F403嵌入式基础课加调参软件源码
【1】:电机FOC开发板、伺服电机开发板,带磁编码器,Jlink、串口,12V电源,嵌入式电机FOC源代码、原理图、PCB加6次嵌入式基础课程全套都给你!
【2】:电机FOC开发板、伺服电机开发板,带磁编码器,Jlink、串口,12V电源,嵌入式电机FOC源代码、原理图、PCB加6次嵌入式基础课程全套的基础上加上调参软件C#的工程源代码,实现调参、校准、升级下载等产品必备的功能框架,给你节省至少2个人月产品开发的时间成本。

带你入门嵌入式
电机FOC开发板、伺服电机开发板,带磁编码器,IMU、Jlink、串口,12V电源,源代码、原理图、PCB全套都给你!还有6次嵌入式基础课程,每次课两个小时(视频剪辑后每次课100分钟多一点),带你入门嵌入式
有二十多年开发经验的老技骨做技术支持
B站65集视频教程合集链接:
电机FOC开发板配套嵌入式基础课程雅特力AT32F403A国产MCU磁编码C#调参软件
https://space.bilibili.com/635929440/channel/collectiondetail?sid=2096395
嵌入式基础课程配套电机foc开发板跟大家见面啦 #编程入门 #嵌入式 #课程 #方案开发 #电机
整个开发包硬件包括
电机FOC开发板、伺服电机开发板,带磁编码器,IMU、Jlink、串口,12V电源

电机2205,支持12V到24V宽输入,配套12V2A电源。
其他电机项目可以定制开发。


包装

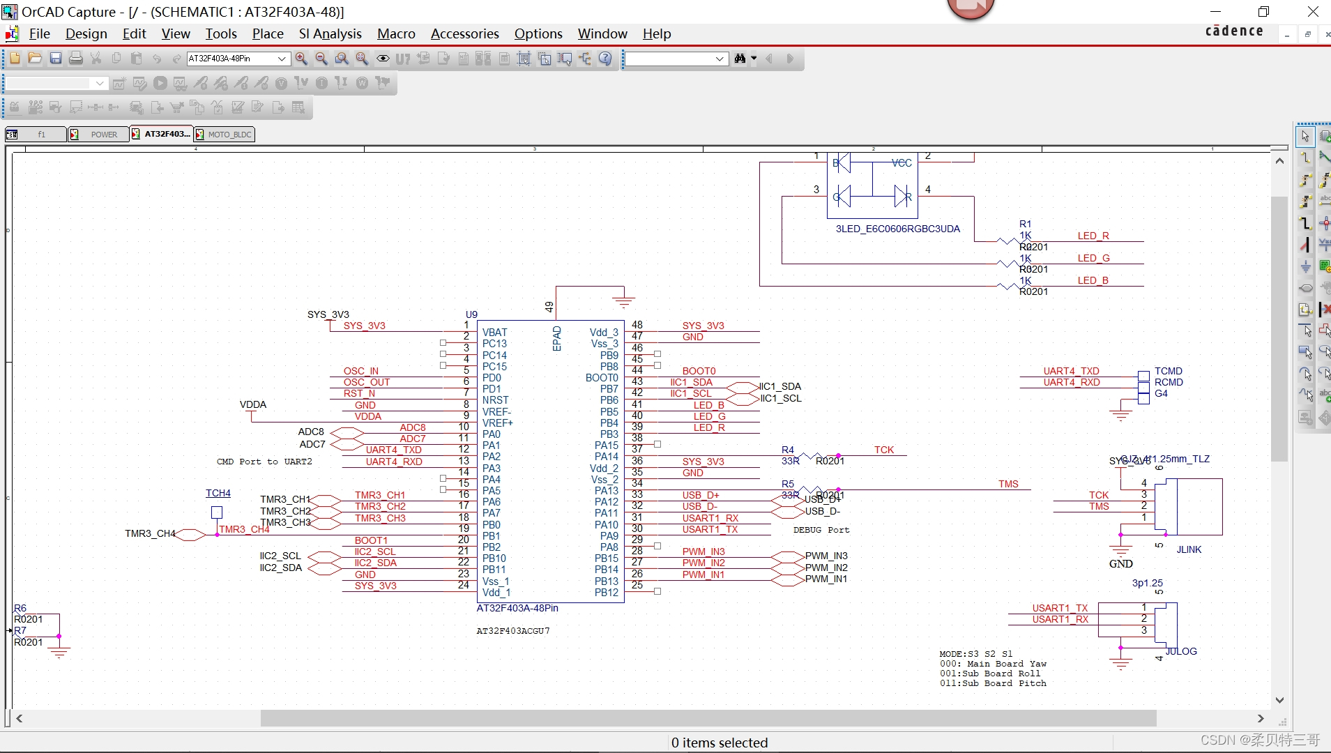
原理图和PCB
用captureCIS和Allegro绘制。

嵌入式软件
嵌入式软件用Keil工程编译,都是源码。

套餐2中的调参软件功能包括

IMU界面暂时有些问题,另外因为板卡程序没有加入imu,就没有开放出来!
IMU界面暂时有些问题,另外因为板卡程序没有加入imu,就没有开放出来!
IMU界面暂时有些问题,另外因为板卡程序没有加入imu,就没有开放出来!
IMU界面暂时有些问题,另外因为板卡程序没有加入imu,就没有开放出来!

嵌入式基础课程
附带一共六次嵌入式基础课程的视频,每次课是两个小时,视频剪辑后每次课的视频是100多分钟。带你从零开始搭建工程,编写代码。






592





