实现简述:
定时器有如下几种功能用法:
1>定时。使用内部时钟源
2>PWM调制输出。使用内部时钟源
3>脉冲宽度(频率)测量。使用内部时钟源,外部边沿触发
4>脉冲数计数。使用外部时钟输入
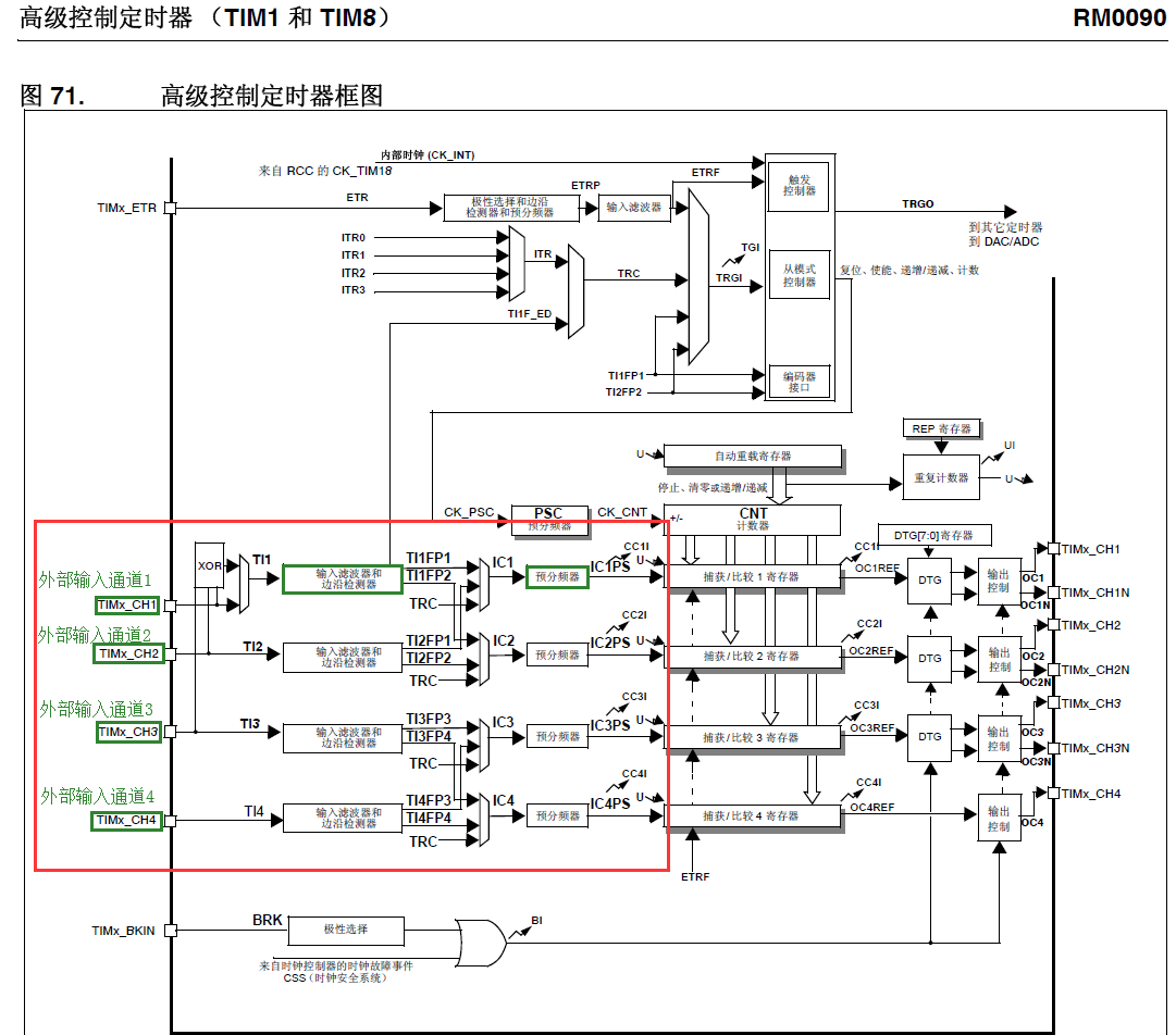
我们这里使用了TIM5定时器做“脉冲数计数”,定时器做外部脉冲计数,首先要确定外部时钟信号输入的引脚,我们这里选择的是TIM5(也可以选择其它定时器STM32有多个定时器),再根据TIM5定时器找引脚,数据手册上可知每个TIM定时器都有4个外部输入通道,我们这里选择第一通道(TIM5_CH1),

又由数据芯片手册中可知TIM5的CH1通道对应PA0引脚。

现在确定了定时器和输入通道及引脚。我们将TIM5初始化配置成外部脉冲计数器使用,接下来就是上代码:
初始化函数代码:
-
void TIM5_EtrModeOne_Init(u16 arr){
-
-
-
-
RCC_AHB1PeriphClockCmd(RCC_AHB1Periph_GPIOA,ENABLE);
//打开PB端口时钟
-
-
GPIO_InitTypeDef GPIO_InitStructure;
//设置GPIO为TIM的时钟输入引脚
-
-
GPIO_InitStructure.GPIO_Pin = GPIO_Pin_0;
-
-
GPIO_InitStructure.GPIO_Mode = GPIO_Mode_AF;
//gpio模式设置为复用模式
-
-
GPIO_InitStructure.GPIO_Speed = GPIO_Speed_50MHz;
-
-
GPIO_InitStructure.GPIO_OType = GPIO_OType_PP;
//设置为推挽
-
-
GPIO_InitStructure.GPIO_PuPd = GPIO_PuPd_NOPULL;
//不上下拉
-
-
GPIO_Init(GPIOA, &GPIO_InitStructure);
-
-
GPIO_PinAFConfig(GPIOA,GPIO_PinSource0,GPIO_AF_TIM5);
//设置GPIO复用为中断定时器输入
-
-
-
-
-
-
RCC_APB1PeriphClockCmd(RCC_APB1Periph_TIM5, ENABLE);
//使能TIM时钟
-
-
TIM_TimeBaseInitTypeDef TIM_TimeBaseStructure;
//设置定时器参数
-
-
TIM_TimeBaseStructure.TIM_Period = arr;
//自动重装载值
-
-
TIM_TimeBaseStructure.TIM_Prescaler =
0;
//定时器分频
-
-
TIM_TimeBaseStructure.TIM_ClockDivision = TIM_CKD_DIV1;
-
-
TIM_TimeBaseStructure.TIM_CounterMode = TIM_CounterMode_Up;
//向上计数模式
-
-
TIM_TimeBaseInit(TIM5, &TIM_TimeBaseStructure);
-
-
-
-
TIM_ClearITPendingBit(TIM5,TIM_IT_Update);
//清除溢出中断标志位
-
-
TIM_ITConfig(TIM5,TIM_IT_Update,ENABLE );
//使能定时器更新中断
-
-
-
-
NVIC_InitTypeDef NVIC_InitStructure;
//设置中断优先级
-
-
NVIC_InitStructure.NVIC_IRQChannel = TIM5_IRQn;
-
-
NVIC_InitStructure.NVIC_IRQChannelPreemptionPriority =
1;
-
-
NVIC_InitStructure.NVIC_IRQChannelSubPriority =
3;
-
-
NVIC_InitStructure.NVIC_IRQChannelCmd = ENABLE;
-
-
NVIC_Init(&NVIC_InitStructure);
-
-
-
-
TIM_TIxExternalClockConfig(TIM5,TIM_TIxExternalCLK1Source_TI1,TIM_ICPolarity_Falling,
15);
//设置输入滤波和边沿检测
-
-
-
-
TIM_SetCounter(TIM5,
0);
//计数器清零
-
-
TIM_Cmd(TIM5, ENABLE);
//使能TIMx外设
-
-
}
-
初始化设置解读:
1>设置GPIO引脚为TIM5的时钟输入:
>打开GPIOA外设的时钟:
RCC_AHB1PeriphClockCmd(RCC_AHB1Periph_GPIOA,ENABLE);//打开PA端口时钟
>引脚可以设置成输入、输出、复用、模拟、四种模式
GPIO_Modetypedef enum
{
GPIO_Mode_IN = 0x00, /*!< GPIO Input Mode */
GPIO_Mode_OUT = 0x01, /*!< GPIO Output Mode */
GPIO_Mode_AF = 0x02, /*!< GPIO Alternate function Mode */
GPIO_Mode_AN = 0x03 /*!< GPIO Analog Mode */
}GPIOMode_TypeDef;
GPIO_InitStructure.GPIO_Mode = GPIO_Mode_AF; //gpio模式设置为复用模式
>引脚设置成推挽:
typedef enum
{
GPIO_OType_PP = 0x00,
GPIO_OType_OD = 0x01
}GPIOOType_TypeDef;
GPIO_InitStructure.GPIO_OType = GPIO_OType_PP;//设置为推挽
>设置不上下拉:
typedef enum
{
GPIO_PuPd_NOPULL = 0x00,
GPIO_PuPd_UP = 0x01,
GPIO_PuPd_DOWN = 0x02
}GPIOPuPd_TypeDef;
GPIO_InitStructure.GPIO_PuPd = GPIO_PuPd_NOPULL;//不上下拉
>设置GPIO复用为中断定时器输入
GPIO_PinAFConfig(GPIOA,GPIO_PinSource0,GPIO_AF_TIM5);//设置GPIO复用为中断定时器输入
2>定时器设置:
>打开TIM5定时器外设时钟:
RCC_APB1PeriphClockCmd(RCC_APB1Periph_TIM5, ENABLE);
>定时器到arr值时自动重装载为0:
TIM_TimeBaseStructure.TIM_Period = arr;
>定时器分频,由于我们是计外部脉冲数所以不分频:
TIM_TimeBaseStructure.TIM_Prescaler = 0;
>向上(加)计数模式:
TIM_TimeBaseStructure.TIM_CounterMode = TIM_CounterMode_Up;
>清除溢出中断标志位
TIM_ClearITPendingBit(TIM5,TIM_IT_Update);
>使能溢出中断
TIM_ITConfig(TIM5,TIM_IT_Update,ENABLE );
>TIM_TIxExternalCLK1Source_TI1:设置外部时钟输入1通道,TIM_ICPolarity_Falling检测下降沿计数,设置输入滤波15 (0-15),
TIM_TIxExternalClockConfig(TIM5,TIM_TIxExternalCLK1Source_TI1,TIM_ICPolarity_Falling,15);

3>中断优先级设置:
>抢占优先级设置为一:
NVIC_InitStructure.NVIC_IRQChannelPreemptionPriority = 1;
>响应优先级为3:
NVIC_InitStructure.NVIC_IRQChannelSubPriority = 3;
4>开启TIM定时器:
将TIM5配置完成后,先将定时器清零,然后就可以打开定时器工作了。
TIM_SetCounter(TIM5,0);//计数器清零
TIM_Cmd(TIM5, ENABLE);//使能TIMx外设
中断函数:
当定时器计数器中的值达到设定的溢出值时触发中断,定时器自动重装。如果只需要中断触发一次,可以在中断函数里关闭定时器使能。
-
void TIM5_IRQHandler(){
-
-
if (
TIM_GetITStatus(TIM5, TIM_IT_Update)!=RESET){
//判断是否是溢出中断
-
-
TIM_ClearITPendingBit(TIM5,TIM_IT_Update);
//清除溢出中断标志位
-
-
//中断执行语句
-
-
//TIM_Cmd(TIM5, !ENABLE);//关闭定时器使能
-
-
}
-
-
}
主函数:
每隔500ms打印一次计数值
-
void main(){
-
-
usrat_int(
9600);
-
-
TIM5_EtrModeOne_Init(
10000);
//定时器计数到10000时重装为0
-
-
while(
1){
-
-
printf(
"计数值:%d \r\n",
TIM_GetCounter(TIM5));
-
-
delay_ms(
500);
-
-
}
-
-
}

1660

被折叠的 条评论
为什么被折叠?



