3脚DC插座接线方法及电流应用指南
一、3脚DC插座的脚位定义
3脚DC插座的脚位功能通常遵循行业通用规范,不同品牌插座可能存在细微差异,实际接线前需以产品 datasheet 为准,通用定义如下:
- VCC脚(电源正极脚①+):标识通常为“+”“V+”或“VCC”,用于接入电源的正极信号,是电流输入的核心引脚。
- NC脚(常闭引脚②S):标识通常为“NC”(Normally Closed),在未插入DC插头时,该脚与VCC脚处于导通状态;当DC插头插入后,NC脚与VCC脚断开,仅VCC脚与插头内的正极触点导通。此脚主要用于电源切换或信号检测场景。
- GND脚(电源负极脚③-):标识通常为“-”“GND”或“COM”,用于接入电源的负极信号,形成电流回路,是电路安全和稳定运行的基础。

二、单电源模式接线方法及注意事项
1. 接线核心逻辑
单电源模式是3脚DC插座最常用的场景,仅需接入一组电源,NC脚可根据需求选择闲置或用于简单信号反馈,核心是构建单一电源的稳定回路。
2. 具体接线方法
- 基础供电回路连接①+:将外部单电源的正极导线连接至DC插座的VCC脚(“+”脚),电源的负极导线连接至插座的GND脚(“-”脚)。
- 负载连接方式③-:用电设备(负载)的正极接线端与插座的VCC脚引出线连接,负载的负极接线端与插座的GND脚引出线连接,形成“电源→插座→负载”的完整电流回路。
- NC脚处理②S:若无需额外功能,NC脚可直接空置,用绝缘胶带包裹避免短路;若需检测插头插入状态,可将NC脚与单片机的IO口连接,配合下拉电阻实现插入信号检测(插头插入时NC脚电平变化)。
3. 注意事项
- 极性绝对正确:VCC脚"+"与GND脚"-"严禁接反,DC插座为极性敏感元件,接反会导致负载(如芯片、电路板)瞬间烧毁,接线后需用万用表通断档确认极性。
- 电流匹配:插座的额定电流需大于等于负载的最大工作电流,例如负载最大电流为2A,应选择额定电流≥2A的DC插座,避免电流过载导致插座触点发热、烧毁。
- 导线规格适配:根据负载电流选择合适线径的导线,1A以下电流可选用AWG24-AWG22规格导线,2-5A电流需选用AWG20-AWG18规格导线,确保导线载流能力满足需求。
- 绝缘与固定:接线完成后,各引脚连接处需用绝缘热缩管或胶带包裹,防止引脚间短路;插座需通过螺丝牢固固定在设备外壳上,避免插拔时引脚受力导致接线松动。
三、双电源模式接线方法及注意事项
1. 接线核心逻辑
双电源模式利用NC脚的“插拔通断”特性,实现两组电源的自动切换(如“外接电源与内置电池切换”),核心是通过插头插入/拔出状态控制电源回路的通断,确保负载持续供电。
2. 具体接线方法(以“外接DC电源与内置电池切换”为例)
- 外接电源回路:将外部DC电源的正极接插座VCC脚①+,负极接插座GND脚③-,形成外接电源输入回路。
- 内置电池回路:将内置电池的正极接插座NC脚②S,电池的负极接插座GND脚(与外接电源负极共地),形成备用电源输入回路。
- 负载连接:负载的正极接插座VCC脚引出线,负载的负极接插座GND脚引出线,负载供电由VCC脚电位决定。
- 切换原理:未插入外接DC插头时,NC脚与VCC脚导通,内置电池通过NC脚→VCC脚为负载供电;插入外接插头后,NC脚与VCC脚断开,外接电源直接通过VCC脚为负载供电,同时可通过二极管隔离实现“外接电源优先”且避免电池反向充电。
3. 注意事项
- 电源电压匹配:两组电源的输出电压必须一致,例如外接电源为12V,内置电池也需为12V(可串联单体电池实现),避免电压差导致电源间相互充电或负载损坏。
- 防逆流保护:在电池正极与NC脚之间串联一个肖特基二极管(如SS34),二极管正极接电池,负极接NC脚,防止外接电源接入时电流反向流入电池,造成电池损坏或鼓包。
- 切换稳定性:选择触点接触良好的DC插座,避免插拔过程中出现“两组电源同时断开”的瞬间断电情况,对敏感负载(如单片机系统)可增加电容储能模块提升供电稳定性。
- 总电流控制:负载的最大工作电流需同时满足两组电源的输出能力,且插座额定电流需大于负载最大电流,防止切换过程中电流过载。
四、不同电流规格DC插座的应用场景
DC插座的电流规格由其内部触点材质(如黄铜、磷铜)、接触面积及导线连接方式决定,不同电流规格对应不同功率需求的产品,具体应用如下:
1. 1A规格DC插座
适用于低功率小型电子设备,这类设备工作电流稳定且较小,通常功率≤12W(按12V电压计算)。典型应用包括:小型路由器、蓝牙耳机充电盒、智能手环充电器、迷你LED台灯、便携式MP3/MP4播放器、小型数码相框等。
2. 2A规格DC插座
适用于中低功率设备,功率通常在12-24W之间,需持续稳定供电。典型应用包括:平板电脑(如iPad mini)、智能手机快充头(早期型号)、便携式移动电源(输入端)、小型监控摄像头(12V2A)、家用小型加湿器、USB hubs(带外接电源)等。
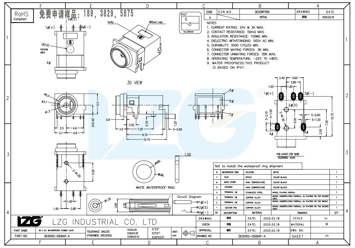
3. 3A规格DC插座(如:ZB30002-05DBAP-A 针1.3mm,防水等级IPX7)
适用于中功率设备,功率范围24-36W,部分设备存在短时电流波动。典型应用包括:中高端智能手机快充(如20W-30W快充)、小型笔记本电脑(如19V3A)、便携式打印机、家用小型投影仪(低功耗型号)、LED灯带控制器(大功率灯带)、安防监控主机(小型)等。
4. 5A规格DC插座(如:ZB30007-05DBAP-A 针2.0/2.5mm,防水等级IPX7)
适用于中高功率设备,功率36-60W,需具备较好的电流承载能力。典型应用包括:主流笔记本电脑(如19V4.7A≈90W,部分低功耗型号用5A插座)、台式机一体机(低功耗型号)、工业控制模块(如PLC小型模块)、医疗设备(如小型监护仪)、车载导航仪(大功率型号)、大功率LED投光灯(12V5A)等。

5. 10A规格DC插座
适用于高功率设备,功率60-120W,多为持续高负载场景。典型应用包括:大功率笔记本电脑(如游戏本19.5V6A≈117W)、工业设备电源(如电机驱动模块)、电动汽车充电枪(低压辅助电源)、大型LED显示屏(供电模块)、医疗设备(如呼吸机辅助电源)等。

五、10A及以上大电流DC插座的应用与注意事项
1. 核心应用领域
- 新能源领域:电动汽车低压系统(如车载空调、音响的供电回路)、储能电池组(充放电控制回路)、太阳能光伏逆变器(辅助电源接口),这类场景需持续承载大电流且对安全性要求极高。
- 工业自动化:大型电机驱动控制器(如伺服电机电源接口)、工业机器人供电模块、数控机床辅助电源,这些设备工作时电流稳定但功率大,需插座具备强抗干扰能力。
- 医疗设备:大型医疗影像设备(如超声诊断仪)、手术专用设备(如高频电刀辅助电源),这类场景不仅要求大电流承载能力,还需满足医疗级绝缘和抗干扰标准。
- 重型电子设备:大型LED舞台灯光(如摇头灯、追光灯)、户外大型显示屏(拼接屏供电回路)、应急电源系统(EPS),这些设备多在户外或复杂环境下工作,对插座的防护等级要求较高。
2. 关键注意事项
- 触点材质选择:必须选用银合金(如银镍合金、银镉合金)或镀金触点的插座,这类材质导电性好、耐磨损且抗氧化,可避免大电流下触点发热氧化导致接触不良。
- 导线与接线端子:导线需选用多股铜芯线,线径≥2.5mm²(10A电流),15A及以上需选用4mm²以上导线;接线端子必须使用铜质冷压端子,通过压接钳牢固压接,避免虚接导致局部发热烧毁。
- 散热设计:大电流插座工作时会产生一定热量,安装时需预留足够散热空间,避免与塑料等易燃部件近距离接触,必要时可加装散热片或风扇辅助散热。
- 防护等级:根据应用环境选择合适防护等级(IP等级),户外或潮湿环境需选用IP65及以上等级,工业粉尘环境需加强防尘设计,避免异物进入影响触点接触。
- 安全保护装置:在回路中必须串联熔断器(保险丝)或空气开关,额定电流略大于负载最大电流(如10A负载配12A保险丝),同时可加装过流保护模块,防止短路或过载引发安全事故。
- 固定与安装:采用螺丝紧固式安装,确保插座与设备外壳紧密贴合,避免插拔过程中插座松动;多组接线时需做好线序标识,便于后期维护排查。
| 重要提示:DC插座的接线与应用需严格遵循“电压匹配、电流足额、极性正确”三大原则,大电流场景下的接线操作必须由专业电工完成,避免因操作不当引发火灾、设备损坏等风险。 |
415

被折叠的 条评论
为什么被折叠?



