
CHE1260-98F
频率范围: 10-27GHz
插损: 0.8dB (典型)
耦合器方向性: 13dB (典型)
动态范围: 22dB (10-12GHz), 20dB (12-24GHz), 15dB (24-27GHz)
回波损耗: -11dB (典型, 输入/输出)
偏置电压: +4.5V
偏置电流: 25-45µA
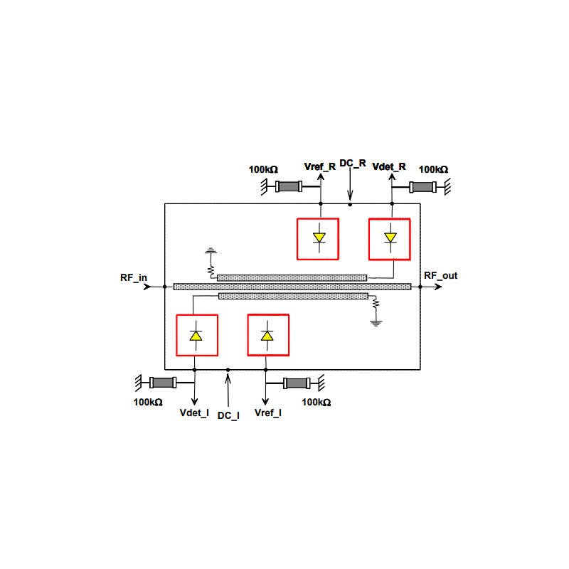
CHE1260-98F 是一款双向检波器,集成了一个无源双向耦合器、两个匹配的检波二极管和两个参考二极管。它可以测量发射功率和反射功率。它适用于各种需要精确发射功率控制的应用,例如商用通信系统。采用肖特基二极管 MMIC 工艺制造,栅极长度为 1µm,通过基板的通孔和空气桥。
CHE1270-QAG
CHR3762-QDG
CHR3861-QEG
CHR3662-QDG
CHR3362-QEG
CHR2291-99F
CHR3763-QDG
CHR3352-QEG
CHR3664-QEG
CHR3364-QEG
CHR3663-QEG
CHR3693-FAB
CHR3764-QEG
CHR3693-QDG
CHR3693-99F

被折叠的 条评论
为什么被折叠?



