从零开始制作小车TB6612控制电机
最新推荐文章于 2025-04-16 14:15:42 发布
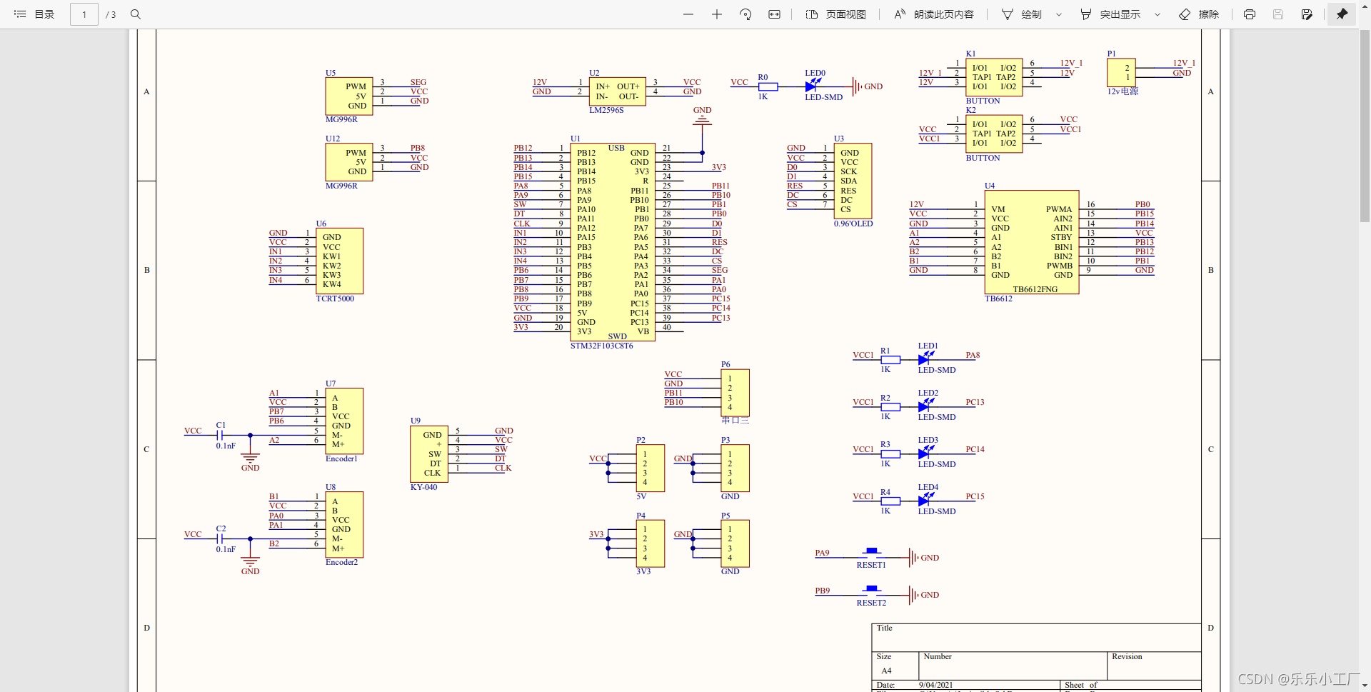
本文介绍了使用STM32F103C8T6微控制器制作小车的过程,电源采用LM2596降压模块,电机驱动使用TB6612芯片,还涉及到了OLED显示和旋转编码器。通过代码展示了如何控制电机正反转,只需设置AIN1、AIN2、BIN1和BIN2引脚的高低电平即可实现。
本文介绍了使用STM32F103C8T6微控制器制作小车的过程,电源采用LM2596降压模块,电机驱动使用TB6612芯片,还涉及到了OLED显示和旋转编码器。通过代码展示了如何控制电机正反转,只需设置AIN1、AIN2、BIN1和BIN2引脚的高低电平即可实现。
5790

被折叠的 条评论
为什么被折叠?