目录
1.课题概述
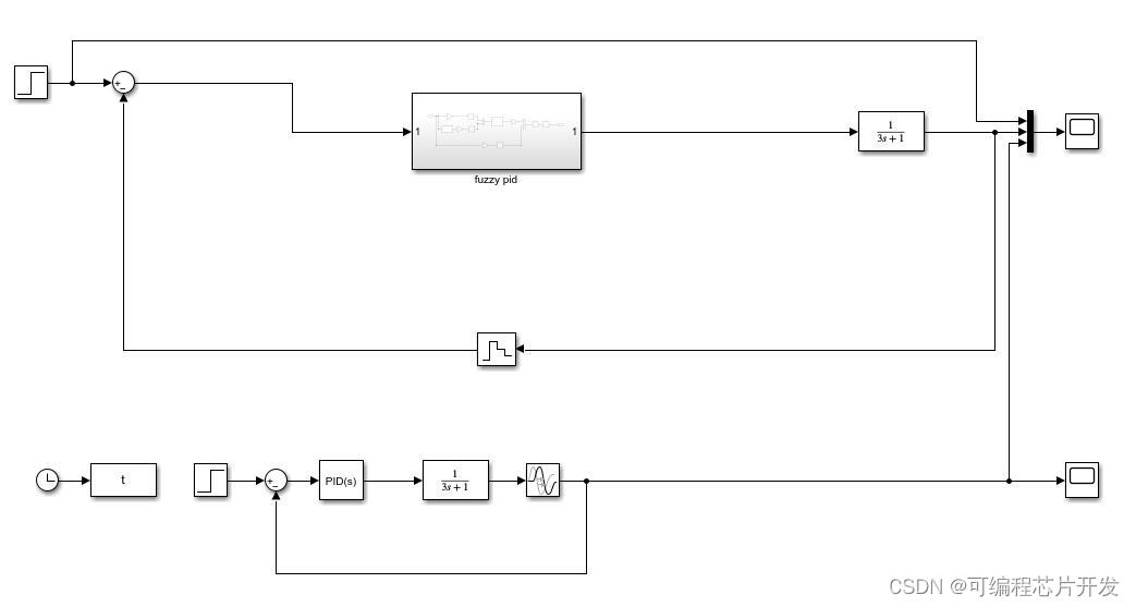
在simulink,分别建模实现一个模糊PID控制器和一个PID控制器,然后将PID控制器的控制输出和模糊PID的控制输出进行对比。
2.系统仿真结果

模糊控制器结构如下:



3.核心程序与模型
版本:MATLAB2022a

26
4.系统原理简介
4.1PID控制器原理
PID控制器,即比例-积分-微分控制器,是一种广泛应用于工业控制领域的闭环反馈控制器。其核心思想是通过比较期望输出与实际输出之间的差异(即误差),并根据误差的比例、积分和微分三项来计算控制量,从而调整系统的行为以达到期望的输出。
PID控制器的数学表达式如下:

PID控制器通过调整这三个系数来实现对系统的有效控制。然而,在实际应用中,由于系统往往具有非线性和不确定性,固定参数的PID控制器可能无法达到最佳控制效果。
4.2 模糊PID控制器原理
模糊PID控制器是在传统PID控制器的基础上,引入模糊逻辑控制的一种改进型控制器。模糊逻辑控制是一种基于模糊集合理论的控制方法,它能够处理不确定性和非线性问题。
模糊PID控制器的基本思想是将误差和误差变化率作为输入,通过模糊化、模糊推理和去模糊化三个步骤,得到PID控制器的参数调整量,从而实现对PID参数的在线调整。
- 模糊化:将误差和误差变化率映射到模糊集合上,形成模糊输入。
- 模糊推理:根据预设的模糊规则,对模糊输入进行推理,得到模糊输出。
- 去模糊化:将模糊输出映射回实数域,得到PID控制器的参数调整量。
模糊PID控制器的数学表达式可以表示为:

通过在线调整PID控制器的参数,模糊PID控制器能够更好地适应系统的非线性和不确定性,提高控制性能。
PID控制器和模糊PID控制器都是广泛应用于工业控制领域的闭环反馈控制器。PID控制器通过比较期望输出与实际输出之间的差异来计算控制量,具有结构简单、易于实现等优点。然而,在面对非线性和不确定性系统时,固定参数的PID控制器可能无法达到最佳控制效果。模糊PID控制器在传统PID控制器的基础上引入了模糊逻辑控制,通过在线调整PID控制器的参数来适应系统的非线性和不确定性,提高控制性能。在实际应用中,需要根据系统的具体特点和要求选择合适的控制器类型。
5.完整工程文件
v

本文介绍了在Simulink中使用模糊PID控制器与传统PID控制器的系统仿真,探讨了模糊逻辑如何改善PID控制器在处理非线性和不确定性方面的性能。通过对比两者在控制输出上的差异,展示了模糊PID在工业控制领域的潜在优势。
7752

被折叠的 条评论
为什么被折叠?



