用于微机电系统加速度计的高增益低功耗放大器设计 传感器读出电路
引言
微机电系统加速度传感器 [1]由于体积小、质量轻、机械振动、电磁干扰适应性以及能够适应变化的温度 [2]. ,被广泛应用于工业、声学、军事、医疗和石油探测领域。此外,传感器与读出电路集成在同一材料——硅上,可以降低寄生电容,提高性能并减少封装成本。其中,放大器设计是一个关键模块。
与其他类型的放大器相比,本文所述电路具有高增益 [3]和低功耗。由于采用级联结构,可在宽电压裕度下轻松实现高增益。
时钟信号在高增益和低功耗领域被广泛使用。一方面,本文描述了启动模式和循环模式。简而言之,归零1、调制器力反馈、归零2、电压均衡和读出传感构成了启动模式。另一方面,虚拟力下、调制器力上反馈、虚拟力上、重力加速度消除和电压均衡组成了循环模式。该放大器的总功耗取决于时钟控制信号。在这种情况下,如何降低放大器的功率成为最关键的问题。
本文的结构如下。第2节描述了设计实现,详细介绍了高增益架构和低功耗架构。第3节讨论了仿真结果。
2. 放大器的设计
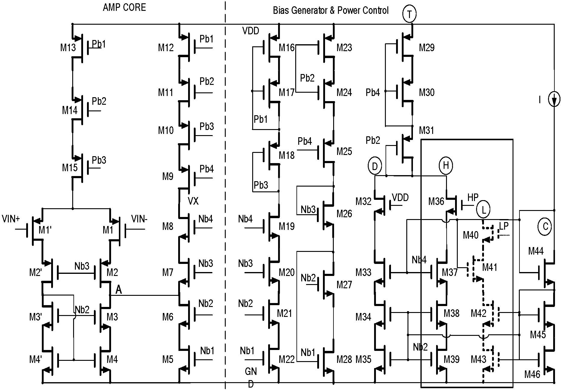
如图1所示,该图展示了放大器的结构,AMP核心位于虚线左侧。事实上,该结构分为两级,第一级为套筒式共源共栅结构,第二级为共栅结构。偏置发生器部分和功率控制部分位于虚线右侧。接下来,我们将详细分析其功能和原理。
我们设计中的电源为±5 V ,因此具有较宽的电压裕度。我们将根据套筒式共源共栅结构实现高增益。当读出放大器工作于单位增益缓冲器模式时,可利用第二级来增强输出电压摆幅。如图1所示,AMP核心由两级放大器组成,即 M1‐M4和M1’‐M4’。M1和M1’为输入对管晶体管,采用 PMOS(P型金属氧化物半导体)可有效降低闪烁噪声。
M13、M14和M15构成尾电流源,由三级级联PMOS晶体管组成。这样可以获得足够高的输出阻抗,提高电路的共模抑制比(CMRR)和电源抑制比(PSRR)。为了获得高增益,将使用±5 V功率裕度来级联足够的器件。M3、M3’、M4 和 M4在放大器的双转单和低电压级联结构中起着重要作用,同时也能节省其电压裕度[4].
2.1 高增益架构
第一级的电流信号信号可以通过双转单放大器传输到第二级。
M5‐M12 构成了第二级。共栅极的典型特性是单位电流增益、低输入阻抗和高输出阻抗。
事实上,第一级的功能是放大电流的跨导。由于第二级具有高输出阻抗,增益可以快速提高。
交流(AC)等效电路如图2所示。
根据之前提到的前述分析,我们还可以从公式(1)中得到它的第一级增益。
([)
现在,第二级增益可以表示为
(2)
其中,r07’、gm7 和 gmb7 分别表示 MI 的输出阻抗、跨导和背栅跨导。其他符号具有类似的物理意义。 Vin 和 vaut 分别表示输入和输出小信号电压, Gm 表示第一级的等效跨导,ro为第一级的输出阻抗, RLJ 为第二级输出端口的输出阻抗,其中 VX对应 M9‐M [2。第一级到第二级的输出阻抗被分为两部分:一方面,rd 表示从 A 点看向 MN5‐MN6 的阻抗;另一方面,Rv’ 表示从 A 点看向 M5‐M8 和 M9‐MI2 的阻抗。r j 被定义为第一级等效电路的阻抗。此外, i2 代表第二级电流。
2.2 低功耗架构
如图1所示,设计表明,当读出放大器工作在电压均衡模式和读出感应模式时,在一个读出周期内其处于高功耗状态。因为读出放大器需要必要的计数,但在未连接读出放大器时,其工作在调制器力反馈模式。
也就是说,只有在1/4周期时读出放大器需要执行其功能,而剩余时间则是在调制器对质量施加作用力时工作。读出电路需设计为单位增益负反馈模式。我们的方法是保持相位稳定,并在时间列表处于1/4周期时将其唤醒。因此,读出放大器在前3/4周期处于低功耗状态,在其余时间则处于高功耗状态。
[在我们的设计中,我们可以通过特殊结构[5].实线中的高功率尖峰轨迹H和虚线中的低功率尖峰轨迹L来实现目标,无论它们是开启还是关闭都可以被控制。放大器工作在高功耗状态还是低功耗状态,取决于尖峰轨迹H或尖峰轨迹 L的开启或关闭。当感知放大器工作在低功耗状态时,通过控制信号低功耗(LP)使尖峰轨迹L导通,同时通过控制信号高功耗(HP)使尖峰轨迹H关断。此时,尖峰轨迹 L可以从电流源获得3/41的电流,导致尖峰轨迹C的电流下降以及尖峰轨迹D的电流降低。最终,尖峰轨迹T的电流(尖峰轨迹H的电流与尖峰轨迹D的电流之和)也随之下 降,因此总电流显著减少,放大器工作在低功耗状态。当其工作在高功耗状态时,尖峰轨迹L关断而尖峰轨迹H导通,尖峰轨迹0可以镜像全部电流[来自电流源。此外,由于尖峰轨迹C的所有I被镜像,尖峰轨迹HP也处于导通状态。
同理,尖峰轨迹T的电流足够高。通过计算可知,低功耗电流仅为高功耗电流的1/8。
在第一个3/4周期内,我们的电路处于低功耗状态,在剩余时间内电路处于高功耗状态。为了实现高功耗或低功耗,可以假设当整个电路处于高功耗时功率为PI,而我们的设计为P2。PI与P2之间的关系可以明显分析得出。因此证明了我们的设计有利于降低功率。该电路可以通过图3中提出的时钟信号来控制其处于高功耗状态或低功耗状态。
3. 仿真结果
本文中,级联已介绍了该结构和功率控制结构。级联通过MOS管实现,从图4可知增益约为249 M(167 dB),而其他规格如低功耗在表I中描述。
大电容 ce 和大电感是必要的在我们的电路中,通过 AC仿真,有必要进行验证。
稳定性示意图如图5所示,可以看出单位增益带宽为2.63 MHz,相位裕度为86.94°。此外,仿真结果与计算结果吻合良好,均满足我们的设计需求。
此外,根据我们的结构,功耗可以得到显著改善如表1所示,采用时钟控制的电路相比没有启动模式和循环模式的电路能够实现更低的功耗。因此可以看出,采用时钟控制明显优化了功耗性能。
表1 与其他放大器的比较
| Amplifier | Our放大器 | 放大器1 [6] | 放大器2 [7] |
|---|---|---|---|
| 功率 | 127.5 μW | 590 μW | 792 μW |
显微照片如图6所示,微波芯片的四边扁平封装(QFP)封装如下图所示。
4. 总结
针对微机电系统加速度传感器的读出电路,提出了一种基于0.5 um CMOS工艺技术的高增益、低功耗放大器。为了实现优异的性能,我们设计的放大器中引入了时钟信号。仿真结果表明,其开环增益为167 dB,单位增益带宽为2.63 MHz,相位裕度为86.94°,总功耗仅为127.5 μW。这验证了该电路具有高性能,适用于高增益应用。根据表1中的比较可以看出,我们的设计相比其他放大器具有优势。该放大器具备高增益和低功耗的特性,已成功应用于微机电系统加速度计。

1099

被折叠的 条评论
为什么被折叠?



