G510是广和通推出的一款基于GPRS的通讯模组,本文通过讲述如何通过G510模组把MCU接入到机智云云端,并实现通讯的方案。G510模组的管脚介绍、SIM卡连接、供电要求、串口定义以及固件烧写方法等,合作厂商在进行设备接入时请参照以下资料进行,以免造成不可控的错误。
[ 介绍 ]
机智云iot开发平台自研的串口通信协议GAgent赋予广和通 G510 联网能力,只需在 G510 上烧写GAgent固件,即可快速实现设备M2M接入、数据统计分析、远程控制、OTA升级、第三方接口等功能服务。可应用在智能净水/ 智能照明/ 智慧家电互联互通/ 智慧烟感/ 冷链运输/ 智慧零售/ 工业互联等解决方案

用 G510 只需5步开发一个iot产品:
-
Step1:在 G510 芯片上烧写GAgent固件;
-
Step2:在机智云开发者中心创建产品,并定义数据点;
-
Step3:下载自动生成的模组通信协议;
-
Step4:使用虚拟设备和机智云APP进行调试;
-
Step5:通过机智云APP与虚拟设备联动。
至此,一个产品的Demo已经制作完成。
本文主要介绍在Step1:G510 芯片上烧写GAgent固件
[ 固件烧写 ]
前期准备
1.广和通G510模组
2.杜邦线若干条
3.USB转TTL串口模块
4.G510的GAgent通用固件
5.烧写工具Fibocom_upgrade V1.3
搭建环境焊接对应管脚
G510模组电路焊接:参照下方电路图,使用杜邦线连接以下管脚
| 管脚 | 参数 |
| 1 | GND |
| 10 | VBAT |
| 19 | UART1_TXD |
| 18 | UART1_RXD |
| 14 | POWER_ON |

连接模组
电脑插入USB转TTL串口模块,查看模块所在COM口

使用杜邦线将USB转TTL串口模块与焊接好的G510模组连接。

下载固件与烧写工具
下载G510的相对应的GAgent固件,打开烧写工具Fibocom_upgrade V1.3。

烧写过程
步骤1.切断电源
先断开模组的供电(可拨掉VCC的杜邦线)。
步骤2.配置烧写软件
按照下图配置Fibocom_upgrade V1.3

步骤3.进入烧写
重新接上模组的VCC供电,把power_on打到低电平(接GND),烧写工具会自动运行。
如果烧写失败,可能是模组还没开机,检查G510 开关机状态,VDD管脚电平为 0V 时,G510 处于关机状态,电平大于 2.85V 时,G510 处于开机状态。
当 POWER_ON 管脚信号为低电平并且持续超过 800ms 时,模块将开机。

效果验证
1.使用杜邦线将USB转TTL串口模块与G510模组的UART2(注意:和烧录固件的不是同一串口)连接。
| G510模组管脚 | 连接USB转TTL管脚 |
| 1:GND | GND |
| 10:VBAT | VCC |
| 39:UART2_RXD | TRX |
| 40:UART2_TXD | TXD |
2.使用机智云XPG助手模拟MUC功能。
按照下图配置,更多使用方法

3.另外,可以再增加一个USB转TTL模块,通过接G510的UART1串口来输出LOG日志,可以看见G510连接GAgent的过程。
| G510模组管脚 | 连接USB转TTL管脚 |
| 1:GND | GND |
| 39:UART1_RXD | TRX |
| 40:UART1_TXD | TXD |
注:波特率为:115200
注意:由于没有连接SIM卡,所以模组无法真正的连上网络,会一直报错。

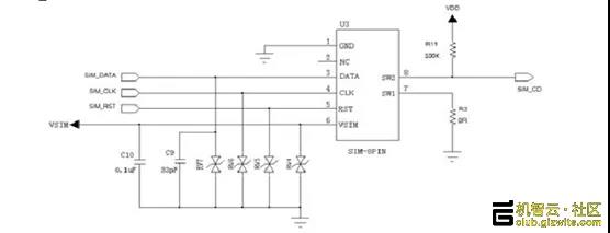
附录:SIM卡连接方法
模块包含了一个 SIM 卡接口,这个接口符合 GSM 11.11 和 GSM 11.12 标准(基于 ISO/IEC 7816) 。这些标准定义了 GSM SIM 卡的电气特性、 信令和协议规范。
模块不包含 SIM 卡槽。SIM 卡槽必须放在模块外部的用户开发板上。模块的 SIM 卡接口包括了所有必须的信号,这些信号被接到接口连接器,直接并全部连接到外部的 SIM 卡。模块支持 1.8V 或者 2.85V 电平自动识别。当模块在开机后,首先 SIM_VCC 向外部 SIM 卡输出 1.8V电压来建立通信。如果通信不成功,SIM_VCC 会再次输出 2.85V 电压,并和 SIM 卡建立通信。

下图显示了一个典型的 SIM 卡接口,连接到模块。在模块开发板上,使用 MOLEX (PN 912283001 &912360001)SIM 卡槽,来实现这种连接方式。
无论 SIM_CD 是否使用,都必须上拉,保证 SIM 卡的检测稳定。模块内部已经将 SIM_DATA 信号上拉到 SIM_VCC,**无需再上拉。

SIM 卡接口和信号的设计特别重要。为了满足设计标准和规定,以下几点是必须要遵循的设计准则:
-
SIM 卡的位置以及 SIM 信号的走线,必须远离任何可能的电磁干扰源,像射频天线和数字开关信号等。
-
在模块接口连接器和 SIM 卡槽之间,SIM 卡走线长度不应超过 100mm,这样满足 EMC 法则,同时提供信号的完整性。
-
为了避免 SIM 卡时钟和数据信号 (SIM_CLK 和 SIM_DATA) 之间的串扰,建议在开发板上将它们隔开,最好是由大地隔开。
-
SIM 卡信号应使用低容性的保护性元器件进行 ESD 保护。建议使用 AVR M1005C270MAAB(TDK) ,并且 ESD 器件应该布局在 SIM 卡的附近。
更多信息请点击 iot开发平台
相关推荐:
扫一扫,开启您的IoT开发之旅
文章由 iot开发平台 机智云 www.gizwits.com 整理发布
广和通G510模组接入机智云云端方案

本文介绍广和通G510通讯模组接入机智云云端的方案。通过机智云自研的GAgent协议,G510可实现设备M2M接入等功能。还阐述了用G510开发iot产品的5个步骤,重点介绍了G510芯片烧写GAgent固件的过程,包括前期准备、环境搭建、烧写步骤及效果验证等。
1261

被折叠的 条评论
为什么被折叠?



