施密特触发器(Schmitt Trigger),简单的说就是具有滞后特性的数字传输门。
(一)施密特触发器结构举例
(二)施密特触发器具体分析
(三)施密特触发器电路用途
(四)施密特触发器相关部分总结
(五)附:用555定时器构成施密特触发器
用555定时器构成多谐振荡器
Sometimes an input signal to a digital circuit doesn't directly fit the description of a digital signal. For various reasons it may have slow rise and/or fall times, or may have acquired some noise that could be sensed by further circuitry. It may even be an analog signal whose frequency we want to measure. All of these conditions, and many others, require a specialized circuit that will "clean up" a signal and force it to true digital shape.
The required circuit is called a Schmitt Trigger.
It has two possible states just like other multivibrators. However, the
trigger for this circuit to change states is the input voltage level,
rather than a digital pulse. That is, the output state depends on the
input level, and will change only as the input crosses a pre-defined
threshold.
=======================================================
(一)施密特触发器结构举例
施密特触发器最重要的特点是能够把变化缓慢的输入信号整形成边沿陡峭的矩形脉冲。同时,施密特触发器还可利用其回差电压来提高电路的抗干扰能力。它是由两级直流放大器组成,电路如图2-64所示。

两只晶体管的发射极连接在一起。该电路也有两个稳定状态(即为双稳态电路),但它是靠电位触发的。它的两个稳态分别为
VT1饱和、VT2截止与VT2饱和、VT1截止。两个稳态的相互转换取决于输入信号的大小,当输入信号电位达到接通电位且维持在大于接通电位时,电路保
持为某一稳态;如果输人信号电位降到断开电位且维持在小于断开电位时,电路迅速翻转且保持在另一状态,该电路常用于电位鉴别、幅度鉴别以及对任意波形进行
整形。
|
|
触发端 |
稳态 |
R |
C |
作用 |
|
双稳态电路 |
两个 |
两个 |
无 |
无 |
保持状态,保存数据 |
|
施密特 |
一个 |
两个 |
有 |
无 |
波形变换,整形 |
|
单稳电路 |
一个 |
一个 |
有 |
有 |
定时,延时 |
|
多谐振荡器(无稳电路) |
没有 |
没有 |
有 |
有 |
信号源 |
(二)施密特触发器具体分析
我们知道,门电路有一个阈值电压,当输入电压从低电平上升到阈值电压或从高电平下降到阈值电压时电路的状态将发生变化。施密特触发器是一种特殊的门电路,与普通的门电路不同,施密特触发器有两个阈值电压,分别称为正向阈值电压和负向阈值电压。在输入信号从低电平上升到高电平的过程中使电路状态发生变化的输入电压称为正向阈值电压(
),在输入信号从高电平下降到低电平的过程中使电路状态发生变化的输入电压称为负向阈值电压(
)。正向阈值电压与负向阈值电压之差称为回差电压(
)。普通门电路的电压传输特性曲线是单调的,施密特触发器的电压传输特性曲线则是滞回的[图6.2.2(a)(b)]。

图6.2.1 用CMOS反相器构成的施密特触发器
(a)电路 (b)图形符号

图6.2.2 图6.2.1电路的电压传输特性
(a)同相输出 (b)反相输出
用普通的门电路可以构成施密特触发器[图6.2.1]。因为CMOS门的输入电阻很高,所以
的输入端可以近似的看成开路。把叠加原理应用到
和
构成的串联电路上,我们可以推导出这个电路的正向阈值电压和负向阈值电压。当
时,
。当
从0逐渐上升到
时,
从0上升到
,电路的状态将发生变化。我们考虑电路状态即将发生变化那一时刻的情况。因为此时电路状态尚未发生变化,所以
仍然为0,
,于是,
。与此类似,当
时,
。当
从
逐渐下降到
时,
从
下降到
,电路的状态将发生变化。我们考虑电路状态即将发生变化那一时刻的情况。因为此时电路状态尚未发生变化,所以
仍然为
,
,于是,
此公式中VT+应该位VT-。通过调节
或
,可以调节正向阈值电压和反向阈值电压。不过,这个电路有一个约束条件,就是
。如果
,那么,我们有
及
,这说明,即使
上升到
或下降到0,电路的状态也不会发生变化,电路处于“自锁状态”,不能正常工作。

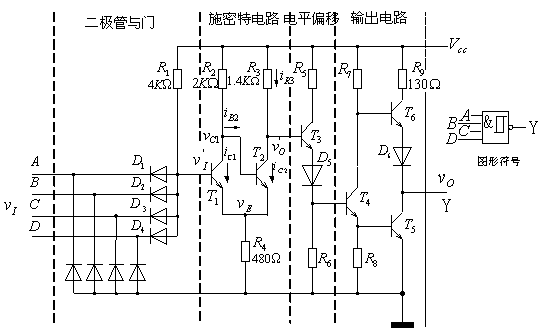
图6.2.4 带与非功能的TTL集成施密特触发器
集成施密特触发器比普通门电路稍微复杂一些。我们知道,普通门电路由输入级、中间级和输出级组成。如果在输入级和中间级之间插入一个施密特电路就可以构成施密特触发器[图6.2.4]。集成施密特触发器的正向阈值电压和反向阈值电压都是固定的。
利用施密特触发器可以将非矩形波变换成矩形波[图6.2.8]。

图6.2.8 用施密特触发器实现波形变换
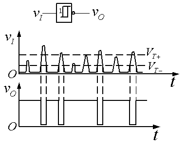
利用施密特触发器可以恢复波形[图6.2.9(a)(b)(c)]。

图6.2.9 用施密特触发器对脉冲整形
利用施密特触发器可以进行脉冲鉴幅[图6.2.10]。

图6.2.10 用施密特触发器鉴别脉冲幅度
利用施密特触发器组成多谐振荡器:
我们尝试着分析下面给定的电路,设电容上的初始电压为0, 则接通电源后Ui=0,Uo=1,于是高电平通过电阻向电容C充电,随着充电过程的进行,Ui逐渐升高,当Ui升至UT+时,电路翻转,输出Q=Uo= 0,电容C放电,当Uc降至UT-时,电路再次翻转,输出高电平,C又开始充电,这样,Ui在UT+和UT-之间往复变化,输出不断高低高低变换,形成振 荡。

结果,这个电路在没有外界触发的情况下,仍能输出周期变化的矩形波,我们称能够自行产生矩形波输出的器件为多谐振荡器结果,这个电路在没有外界触发的情况下,仍能输出周期变化的矩形波,我们称能够自行产生矩形波输出的器件为多谐振荡器。
(三)施密特触发器电路用途
施密特触发器
(1)应用于波形的整形和变换:整形时,将不好的矩形波变为较好的矩形波;波形转换时,将三角波、正弦波和其他波形转换为矩形波。
(2)应用于幅度鉴别:可以将输入信号中的幅度大于某一数值的信号检测出来。
(3)应用于多谐振荡器。
(四)施密特触发器相关部分总结
在数字系统的脉冲整形电路中,常需要一定幅度和宽度的矩形脉冲。获得矩形脉冲的方法通常有两种,一是由脉冲振荡器直接产生,二是用脉冲整形电路将非矩形脉冲变换成符合要求的矩形脉冲。
施密特触发器是一种脉冲整形电路,它的电压传输特性是一条具有滞回特性的曲线,即触发器输出由低电平变为高电平和由高电平变为低电平所对应的阈值电压是不同的。施密特触发器可对输入波形进行变换和整形。回差电压△UT和阈值电压UT1和UT2是其主要参数。
单稳态触发器是一种脉冲整形电路,多用于脉冲波形的整形、延时和定时。它有一个稳态和一个暂稳态,稳态到暂稳态的转换靠外触发脉冲的作用,暂稳态维持一段时间后自动返回稳态,暂稳态维持时间的长短由定时元件R,C决定,与触发脉冲无关,脉冲宽度和恢复时间是单稳态触发器的主要参数。
多谐振荡器是一种脉冲产生电路,它不需要外加输入信号,而使电路能够周而复始地振荡,电路必须接成正反馈;多谐振荡器没有稳定状态,只有两个暂稳态,暂稳态时间的长短取决于定时元件RC的充放电时间。振荡周期T是多谐振荡器的主要参数。
555定时器是一种多用途的单片集成电路,利用它可以方便地构成施密特触发器、单稳态触发器和多谐振荡器等。脉冲产生和整形电路也可由门电路外接电阻,电容等元器件组成。
(五)附: 用555定时器构成施密特触发器
用555定时器构成多谐振荡器
555定时器是一种多用途的单片集成电路,利用它可以方便地构成施密特触发器、单稳态触发器和多谐振荡器等。
555集成定时器的内部电路结构是怎样的?它是怎样工作的?
答:在数字系统中,为了使各部分在时间上协调动作,需要有一个统一的时间基准。用来产生时间基准信号的电路称为时基 电路。555集成定时器就是其中的一种。它是一种由模拟电路与数字电路组合而成的多功能的中规模集成组件,只要配少量的外部器件,便可很方便的组成触发 器、振荡器等多种功能电路。因此其获得迅速发展和广泛应用。
555集成定时器的工作原理如下:图2-65a所示为其内部电路结构图。管脚排列如图2-65b所示。整个电路包括分压器,比较器,基本RS触发器和放电开关四个部分。

(1)分压器
由三个5kΩ的电阻串联组成分压器,其上端接电源VCC(8端),下端接地(1端),为两个比较器A1、A2提供基准电平。使比较器A1的“+”端接基准
电平(2/3)*VCC(5端),比较器A2的“-”端接(1/3)*VCC。如果在控制端(5端)外加控制电压.可以改变两个比较器的基准电平。不用外
加控制电压时,可用0.01μF的电容使5端交流接地,以旁路高频干扰。
(2)比较器A1、A7是两个比较器。其“+”端是同相输人端,“-”端是反相输入端。由于比较器的灵敏度很高,当 同相输入端电平略大于反相端时,其输出端为高电平;反之,当同相输入端电平略小于反相输人端电平时,其输出端为低电平。因此,当高电平触发端(6端)的触 发电平大于(2/3)*VCC时,比较器A1的输出为低电平;反之输出为高电平。当低电平触发端(2端)的触发电平略小于(1/3)*VCC时,比较器 A2的输出为低电平;反之,输出为高电平。
(3)基本RS触发器 比较器A1和A2的输出端就是基本RS触发器的输入端RD和SD。因此,基本RS触发器的状态(3端的状态)受6端和2端的输入电平控制。图中的4端是低 电平复位端。在4端施加低电平时,可以强制复位,使Q=0。平时,将4端接电源VCC的正极。
(4)放电开关图中晶体管VT构成放电开关,使用时将其集电极接正电源,基极接基本RS触发器的Q非端。当(Q非)=0时,VT截止;当(Q非)=1时,VT饱合导通。可见晶体管VT作为放电开关,其通断状态由触发器的状态决定。
怎样由555构成施密特触发器?
答:将(6脚)和(2脚)相连作为信号输入端即可构成施密特触发器。
怎样由555构成多谐振荡器?
答:因为用施密特触发器可以组成多谐振荡器;所以可用555定时器构成施密特电路,再用施密特电路加上RC充放电电路来设计多谐振荡器。图2-66a是由555组件组成的多谐振荡器电路,R1、R2和C系外接元件。其工作原理如下:
接通电源后,VCC经R1 R2给电容C充电。由于电容上电压不能突变,电源刚接通时Vc<VCC/3,所以555内部比较器A1输出高电平,A2输出低电平,即RD=1,SD=0,基本RS触发器置1,输出端Q为高电平。此时(Q非)=0,使内部放电管截止。
当Vc上升到大于Vcc/3时,RD=1,SD=1,基本RS触发器状态不变,即输出端Q仍为高电平,当Vc上升到 略大于2VCC/3时,Rn=0,SD=1,基本RS触发器置0,输出端Q为低电平。这时Q非=1,使内部放电管饱合导通。于是电容C经R2和内部放电管 放电,Vc按指数规律减小。

当Vc下降略小于Vcc/3时,内部比较器A1输出高电平,A2输出低电平,基本RS触发器置1,输出高电平。这时,(Q非)=0,内部放电管截止。于是C结束放电并重新开始充电。如此循环不止,输出端就得到一系列矩形脉冲,如图2-66b所示。
本文详细介绍了施密特触发器的基本概念、结构特点、工作原理及其应用。施密特触发器是一种具有滞后特性的数字传输门,可以将变化缓慢的输入信号整形成边沿陡峭的矩形脉冲,并利用其回差电压提高电路抗干扰能力。
893

被折叠的 条评论
为什么被折叠?



