本项目教程笔记源自多易教育《Titan综合数据仓库与数据运营系统》,在优快云学院有相关视频教程购买链接,大数据企业级项目实战–Titan大型数据运营系统
本项目课程是一门极具综合性和完整性的大型大数据项目实战课程,课程项目的业务背景源自各类互联网公司对海量用户浏览行为数据和业务数据分析的需求及企业数据管理、数据运营需求。
学完本课程,你将很容易就拿到大数据数仓建设或用户画像建设等岗位的OFFER
本课程项目涵盖数据采集与预处理、数据仓库体系建设、用户画像系统建设、数据治理(元数据管理、数据质量管理)、任务调度系统、数据服务层建设、OLAP即席分析系统建设等大量模块,力求原汁原味重现一个完备的企业级大型数据运营系统。
跟随项目课程,历经接近100+小时的时间,从需求分析开始,到数据埋点采集,到预处理程序代码编写,到数仓体系搭建…逐渐展开整个项目的宏大视图,构建起整个项目的摩天大厦。
多易教育,专注大数据培训; 课程引领市场,就业乘风破浪
多易教育官网地址
https://www.51doit.cn
多易教育在线学习平台
https://v.51doit.cn
一、id-mapping概述
在后续的数仓、画像、推荐等模块开发中,我们都需要对每一条行为日志数据标记用户的唯一标识!
简单的方案是
将这条数据中的uid/imei码/imsi码/mac/androidid/uuid这些字段(标识字段)按优先级取一个标识,作为这条数据的用户唯一标识!
这个方案有严重的漏洞!
现实的无奈
在现实的日志数据中,由于,用户可能使用各种各样的设备,有着各种各样的前端入口,甚至同一个用户拥有多个设备以及使用多种前端入口,就会导致,日志数据中对同一个人,不同时间段所收集到的日志数据中,可能取到的标识个数、种类各不相同;
比如:
用户可能使用各种各样的设备:
1)手机、平板电脑
2)安卓手机、ios手机、winphone手机
3)安卓系统有各种版本 ( 5.0 6.0 7.0 8.0 9.0 )
4)ios系统也有各种版本(3.x 4.x 5.x 6.x 7.x … 12.x )
产生问题:
用户设备的标识,没办法轻易定制一个规则来取某个作为唯一标识:
mac:手机网卡物理地址, 若干早期版本的ios,winphone,android可取到
imei(入网许可证序号):安卓系统可取到,若干早期版本的ios,winphone可取到,运营商可取到
imsi(手机SIM卡序号):安卓系统可取到,若干早期版本的ios,winphone可取到,运营商可取到
androidid :安卓系统id
openuuid(app自己生成的序号) :卸载重装app就会变更
idfa(广告跟踪码)
deviceid(app日志采集埋点开发人员自己定义一种逻辑id,可能取自android,imei,openudid等):逻辑上的id
从而导致:
有一些数据中,用户有登录账号,而有些没有;
有一些数据中,有imei码,mac地址;而有些则有mac地址和android;
前一日的数据中,有uid,android,而后一日数据中有android,mac地址
在这些情况中,如果按照之前的方案来生成数据的唯一标识,显然错漏百出!
如下图:

要从这些纷繁复杂的各类id中,分辨出哪些id属于同一个受众(设备),用普通的“where x=y”这种简单条件逻辑很难实现。
二、id-mapping技术手段1:借助redis
可以借助外部存储,比如redis,来实现idmapping

1.从日志数据中抽取各种标识id
2.将提取出的标识id,去redis标识id库中查询是否存在
3.如果不存在,则新建一个"统一标识"+“id set”
4.如果已存在,则使用已存在的统一标识
=== 考虑一个很无奈的问题 ====
有些数据可能属于同一个人,但在某个阶段上,这些数据之间没有任何联系,那么这人的数据可能会被打上两个不同的标识!
一点点修补措施: 定期对redis的id映射库进行整理合并!
但是合并,又可能带来另一个问题:两个不同的人被打上相同唯一标识(guid)
三、id-mapping技术手段2:借助图计算
采用图计算手段,来找到各种id标识之间的关联关系,从而识别出哪些id标识属于同一个人;

图计算的核心思想:
将数据表达成“点”,点和点之间可以通过某种业务含义建立“边”
然后,我们就可以从点、边上找出各种类型的数据关系:
比如连通性;
比如最短路径规划;
id_mapping(id打通)的最后目标,就是形成一个id映射字典:
id ---- guid
idx01 -> gid01
idy01-> gid01
idz01 -> gid01
idx02 -> gid01
idx02,idy2,idz02,idx13 -> gid02
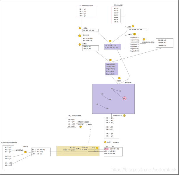
整体流程:
1.将当日数据中的所有用户标识字段,及标志字段之间的关联,生成点集合 、边集合
2.将上一日的ids->guid的映射关系,也生成点集合、边集合
3.将上面两类点集合、边集合合并到一起生成一个图
4.再对上述的图执行“最大连通子图”算法,得到一个连通子图结果
5.在从结果图中取到哪些id属于同一组,并生成一个唯一标识
6.将上面步骤生成的唯一标识去比对前日的ids->guid映射表(如果一个人已经存在guid,则沿用原来的guid)

四、id-mapping开发实现
1、开发目标
将(pc端埋点日志、app端埋点日志、小程序端埋点日志)数据中的各种id标识字段提取出来,用图计算的连通子图算法,求出哪些id标识属于同一个人;
目标结果形式:
id-mapping字典:
gid01 : [imei01 , imei03 ,13888997766 ,andorid03,mac03 ]
2、整体逻辑
1.抽取3类数据中的各种id字段,映射成“点”集合和“边”集合
2.(可选)过滤掉出现次数低于某个阈值(10次)的“边”
3. 在结合T-1日的idmapping字典,构造一个图模型
4.求最大连通子图,得到T日的临时结果
5.整理临时结果(去T-1日的idmapping中匹配已经存在的gid)以便保持gid的延续性!
gid -> imei01,idfa01,mac01
图计算算法应用基本步骤跟前面章节入门案例基本一致
(抽各id,得到一个id数据集合,然后再映射出点集合、边集合,再构造图模型,再调连通子图算法,取结果加工);
3、重点细节问题
有一些现实情况需要考虑,比如:
1)假如一个人偶尔用他朋友的手机登录过一次,则会出现他的uid跟他朋友的各设备id之间产生关联。
13800001100,zss,imei000,android000
13800001100,zss,imei000,android000
13800001100,zss,imei000,android000
13800001100,zss,imei000,android000
13800001100,zss,imei000,android000
13800001100,zss,imei000,android000
13800002211,zss,imei002,android002
13800002211,zss,imei002,android002
13800002211,tqq,imei002,android002
13800002211,tqq,imei002,android002
13800002211,tqq,imei002,android002
(去掉弱关联,保留强关联)
2)id-mapping计算,需要逐日滚动进行,这就涉及到T日的数据与T-1日的id-mapping字典数据之间的合并问题(难在需要将之前生成好的“图id”保持一贯)。
3)一个用户的某些id标识,如果持续不再“出现”,应该持续衰减其权重值,权重值低于指定阈值后可以考虑过滤去除(本需求暂时放入下期迭代时实现)
4、滚动计算方案
day=1:
1)抽取当天各类数据中的id,并映射出“点集合”和“边集合”
2)对“边集合”进行聚合计数,过滤掉(频次<阈值)的边(作用:过滤偶然性“噪点”干扰)
3)用过滤后的边构造图
3)用图计算连通子图算法,对id标识聚合打通,得到“gid<=>各id标识” id-mapping映射字典
day=2:
1)抽取当天各类数据中的id,并映射出“点集合VertextC1”和“边集合”
2)对当天“边集合”进行聚合计数,过滤掉(频次<阈值)的边,得到“边集合”EdgeC1
3)对T-1日的id-mapping结果,重新映射成“点VertextC2、边集合EdgeC2”
4)将上述两个“点、边集合”合并,并构造图
5)对合并图执行连通子图计算,得到新的id-mapping结果
6)将新id-mapping跟旧的id-mapping进行合并操作(可能有新增组,可能有旧组新增id)
(考虑情况:新id新组;新id旧组)
day>=3: 重复day_2的流程
5、实现流程图
主体流程

细节流程

6、代码实现
多种来源的数据:
web端埋点日志
app端埋点日志
微信小程序埋点日志

步骤:
1.加载当日的这几类数据
2.提取出每类数据中的每一行中的各种用户标识(uid,imei,mac,androidid,uuid,imsi…)
3.根据提取出来的这些标识,生成图计算中的vertex集合,以及生成图计算中的Edge集合
4.然后将点集合和边集合,构造一张图Graph
5.然后调用图的算法(最大连通子图算法),得到结果图
6.然后从结果图上,取所有的点集合(就是映射结果)
7.整理结果,成为我们想要的形式
7、最终结果形式
(id映射字典—idmapping字典):
imei01:gid01
mac01:gid01
idfa01:gid01
uuid01:gid01
138002:gid02
imei02:gid02
android02:gid02
多易教育,专注大数据培训; 课程引领市场,就业乘风破浪
多易教育官网地址
https://www.51doit.cn
多易教育在线学习平台
https://v.51doit.cn
本项目教程笔记源自多易教育《Titan综合数据仓库与数据运营系统》,在优快云学院有相关视频教程购买链接,大数据企业级项目实战–Titan大型数据运营系统
本项目课程是一门极具综合性和完整性的大型大数据项目实战课程,课程项目的业务背景源自各类互联网公司对海量用户浏览行为数据和业务数据分析的需求及企业数据管理、数据运营需求。
学完本课程,你将很容易就拿到大数据数仓建设或用户画像建设等岗位的OFFER
本课程项目涵盖数据采集与预处理、数据仓库体系建设、用户画像系统建设、数据治理(元数据管理、数据质量管理)、任务调度系统、数据服务层建设、OLAP即席分析系统建设等大量模块,力求原汁原味重现一个完备的企业级大型数据运营系统。
跟随项目课程,历经接近100+小时的时间,从需求分析开始,到数据埋点采集,到预处理程序代码编写,到数仓体系搭建…逐渐展开整个项目的宏大视图,构建起整个项目的摩天大厦。
6万+





