- PS7526:解决移动电源升压效率难题,实现高效充电
- PS7526升压芯片:短路保护与高效充电的双重保障
- 工程师的升压助手:PS7526,高效解决移动电源效率难题
- 工程应用新宠:PS7526升压芯片,软启动与短路保护双全
- PS7526高效升压,稳定输出:5V2.4A为智能设备提供完美解决方案
- PS7526高效稳定升压:5V2.4A输出,满足高端设备需求
概述
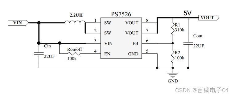
PS7526是一款高效同步升压转换芯片,其内部集成了低阻抗功率MOS,为移动电源等高效升压应用领域提供了创新的解决方案。这款芯片不仅具备短路保护功能,还集成了软启动电路,无需外部补偿电容和外部反馈网络,从而简化了电路设计,提高了系统的整体可靠性。
特点
- 工作频率高达500kHz,确保快速且稳定的能量转换。
- 内部集成同步整流MOS,无需外部整流二极管,降低了成本并提升了效率。
- 通过外部反馈网络,输出电压可调节,满足不同应用场景的需求。
- 恒流短路保护模式,有效防止因短路导致的电路损坏。
- 采用电流模式控制,响应速度快,能够迅速适应负载变化。
- 内部集成过流保护功能,增强了电路的安全性。
应用
- 锂电池供电设备,如移动电源、手持设备等。
- 智能手机,为手机提供稳定且高效的充电体验。
- 平板电脑等智能充电领域,确保充电速度快且安全稳定。
PS7526以其高效、稳定、易集成的特性,在移动电源等高效升压应用领域展现出强大的竞争力。无论是在户外旅行、应急充电还是日常使用中,PS7526都能为用户提供卓越的电力转换和充电体验。
在涉及到锂电池的应用中,选择合适的集成电路(IC)至关重要。针对你提到的几款IC,以下是一些简要介绍和选择建议:
- PS7516:
- 功能:高效率的锂电池同步整流升压IC,专为5V1A的应用场景设计。
- 特点:采用先进的同步整流技术,具有高效率、热稳定性和广泛的应用适应性。适用于锂电池升压5V1A的高效率应用中。
- 选择理由:如果你需要一个适用于5V1A输出的升压转换器,PS7516是一个理想的选择。
- PS7526:
- 功能:高效同步升压转换芯片,内部集成低阻抗功率MOS。
- 特点:具有短路保护功能,内部集成软启动电路,无需外部补偿电容和反馈网络。适用于移动电源等高效升压应用领域。
- 选择理由:如果你需要更高的输出电流,如5V2A至2.4A,PS7526会是一个更好的选择。
- 锂电池保护IC:
- PL7071:具有过充/放电保护功能,适用于单节锂离子或锂聚合物电池保护电路。
- PL7072:功能强大、性能稳定、易于集成的单节锂电池保护电路,适用于各种需要高精度过充过放保护的锂电池应用场景。
- PL5353A & PL5358A:这两款IC都包含先进的功率MOSFET和高精度电压检测电路,具有电池应用中所需的所有保护功能,如过充、过放电、过电流和负载短路保护等。
- 选择理由:根据你的锂电池保护需求,你可以选择适合的IC。如果需要高精度过充过放保护,PL7072可能是一个好选择;如果需要更多保护功能,如过电流和负载短路保护,PL5353A或PL5358A可能更适合。
- 锂电池充电IC:
- PL4054:一款具有高精度预设充电电压、充电电流监控器和自动再充电功能的线性充电器IC。
- PL4056 和 PL4057:这两款IC也是锂电池充电解决方案,但具体特性和应用场景可能有所不同。
- 选择理由:根据你的充电需求,例如充电电流、充电电压精度和充电方式(如涓流充电),你可以选择适合的充电IC。
请注意,以上仅为简要介绍和选择建议。在选择IC时,还应考虑其他因素,如成本、封装、工作温度范围以及与其他组件的兼容性。此外,务必参考各IC的详细数据手册和应用指南,以确保正确、安全地使用它们


PS7526是一款集成短路保护和软启动功能的高效升压转换芯片,工作频率高达500kHz,适用于5V2.4A的移动电源应用,能提供稳定且安全的充电解决方案。它在锂电池供电设备中表现出强大的竞争力,是工程师的理想选择。
4201

被折叠的 条评论
为什么被折叠?



