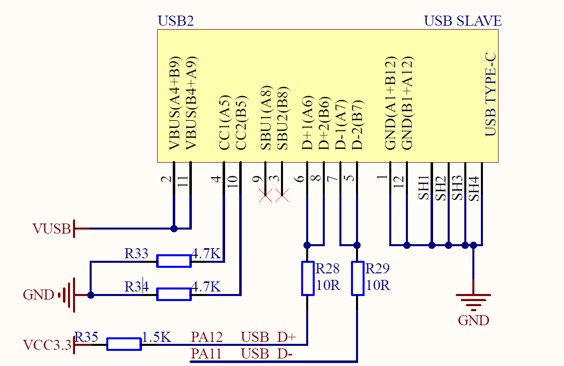
以下面原理图为例:

在USB2.0里,Host端是有俩15k下拉电阻,USB SLAVE端需要在差分端并联一个1.5k上拉用于告诉HOST自己是什么速率的从设备,上图是在D+上接一个上拉,那么HOST端的D+识别为1,那么D-就是0,10就代表为高速设备,01代表低速设备,11代表全速设备,USB2.0是支持USB1.0和1.1协议的,低速和全速是1.0和1.1里的速率,分别是1.5Mbps和12Mbps,2.0是480Mbps。
如果想让自己的Slave为对应的速率设备需要在D+和D-上接不同的上拉电阻用于让Host端识别。
USB2.0高速低速检测原理
于 2025-10-28 13:03:36 首次发布
2333

被折叠的 条评论
为什么被折叠?



