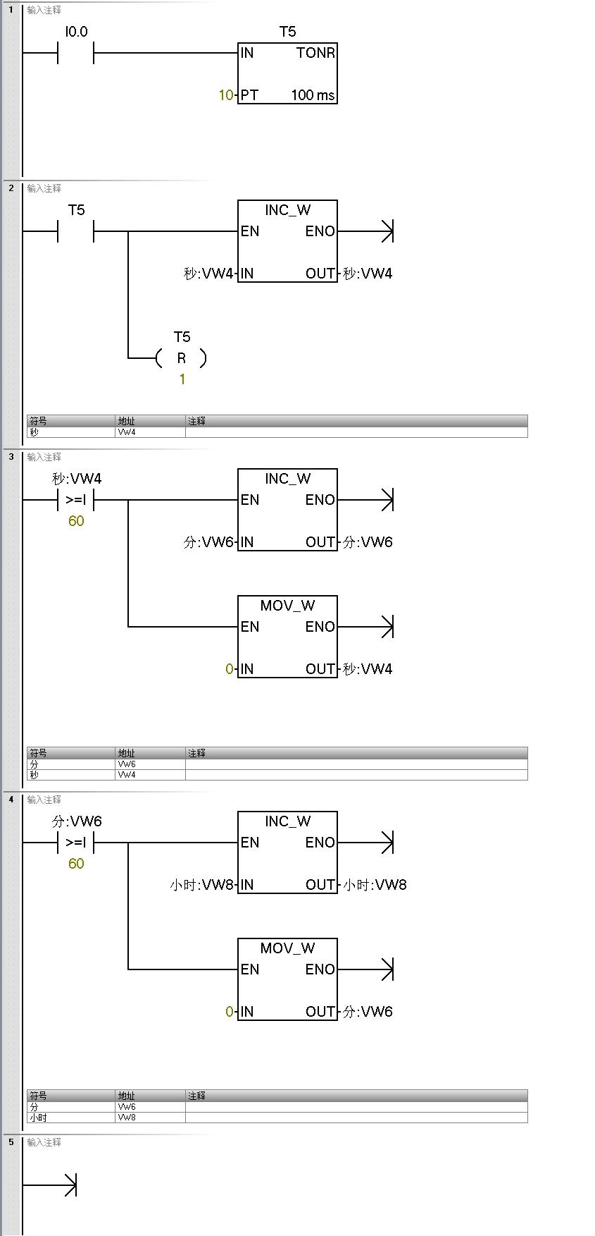
SMART200案例:记录设备运行时间

因缺少博客内容,无法提炼关键信息形成摘要。

### 关于PLC200Smart的应用案例与实例教程 PLC200Smart作为一款广泛应用于工业自动化控制的设备,其灵活性和强大的功能使其成为许多实际工程项目中的首选解决方案。以下是关于PLC200Smart的一些典型应用案例及其相关实例教程: #### 1. **主从程序设计** 在复杂的控制系统中,主从程序的设计是一个常见的需求。通过合理分配主程序和子程序的任务,可以显著提高系统的运行效率和稳定性。具体实现方法可以通过配置主程序负责逻辑判断和数据处理,而从程序则专注于执行具体的动作指令[^1]。 #### 2. **硬件配置与调试** 对于初学者来说,了解如何正确配置PLC的硬件参数是非常重要的一步。这包括但不限于输入输出端口的定义、电源连接方式以及通信接口的选择等。详细的硬件配置指南可以在官方培训文档中找到,其中提供了丰富的图表帮助理解各个组件的功能及相互关系[^1]。 #### 3. **模拟量配置与限值设置** 当涉及到温度监控、压力检测或其他连续信号采集时,模拟量的精确配置显得尤为重要。用户可以根据实际需求调整AD转换精度,并设定合理的上下限报警阈值来保障生产安全。这一部分内容同样被详细记录在了前述提到的技术资料里[^1]。 #### 4. **MODBUS通讯协议支持** 现代工厂环境中,不同品牌之间的设备互联已经成为常态。为此,PLC200Smart内置了对多种主流工业网络的支持能力,其中包括流行的Modbus RTU/TCP标准。借助这些成熟的通信手段,能够轻松搭建起跨平台的数据交换桥梁[^2]。 #### 5. **计数器与定时器的实际运用场景分析** 时间管理和事件触发机制构成了很多自动化工序的核心部分。利用好内部集成的各种类型的时间继电器(TON, TOF etc.) 和脉冲捕捉单元等功能块可以帮助我们构建更加智能化的工作流程[^1]。 #### 示例代码展示 (Python 模拟读取 MODBUS 数据) 下面给出一段简单的 Python 程序片段演示如何通过 pymodbus 库访问 S7-200 Smart 设备上的寄存器信息: ```python from pymodbus.client.sync import ModbusTcpClient as ModbusClient def read_modbus_register(ip_address='192.168.1.1', port=502): client = ModbusClient(host=ip_address, port=port) try: connection_status = client.connect() if not connection_status: print("Failed to connect.") return None result = client.read_holding_registers(address=0x00, count=10, unit=1) values = result.registers return values except Exception as e: print(f"Error occurred: {e}") return None if __name__ == "__main__": registers_data = read_modbus_register() if registers_data is not None: print(registers_data) ``` 此脚本展示了基本的 TCP/IP 客户端操作模式下怎样去请求并接收来自远程服务器响应的具体过程[^4]. ---
评论
成就一亿技术人!
拼手气红包6.0元
还能输入1000个字符
 
红包 添加红包
表情包 插入表情
 条评论被折叠 查看
添加红包

请填写红包祝福语或标题

红包个数最小为10个

红包金额最低5元

当前余额3.43前往充值 >
需支付:10.00
成就一亿技术人!
领取后你会自动成为博主和红包主的粉丝 规则
hope_wisdom
发出的红包
实付
使用余额支付
点击重新获取
扫码支付
钱包余额 0

抵扣说明:

1.余额是钱包充值的虚拟货币,按照1:1的比例进行支付金额的抵扣。
2.余额无法直接购买下载,可以购买VIP、付费专栏及课程。

余额充值