usb转rs232全隔离设计参考

参考

CN-0373

 

 

 

特此记录

anlog

2023年6月29日

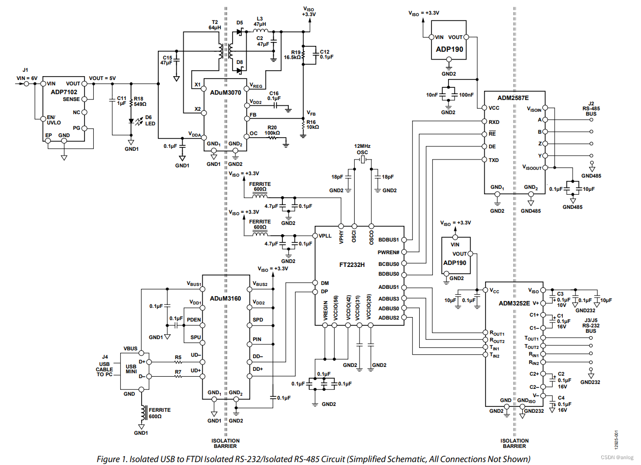
USB隔离协议换器主要应用于严酷的工业场合现场调试测试,是现场工程师的调试神器;也可用于研发实验室,成为研发员的手中的必备法宝。 它可实现以下几个主要功能: 1. USB HUB功能:换出3个USB2.0 Type-A接口,每通道1.5A限流,可带3个移动硬盘同时工作(需要外部电源) 2. USB自供电不足报警:当红灯亮起时,说明USB自供电不足,电源管理处于限流工作状态,需要接入外部电源。 3. USBRS485/232/TTL 隔离换器,隔离电压1500VAC。 USB隔离协议换器系统设计框图: USB隔离协议换器设计原理说明: 外部电源输入模块采用MPS公司的MP1584芯片作为稳压电源方案 USB输入模块采用德州仪器公司的TPS2553作为电源管理方案,使用SS14肖特基二极管将输入稳压电源串联起来,在使 用外部电源时,USB输入电源将降少电流输出。 USB主控采用台湾汤铭电子的FE1.1芯片作为USB HUB方案,USB信号线保护采用德州仪器公司的TPD4E001TVS阵列 USB输出模块1/2/3使用1.5A自恢复保险丝作为电源限流方案 USB串口模块采用江苏沁恒股份有限公司的CH340B作为USB串口方案 TTL隔离TTL采用德州仪器公司的ISO7321电容式隔离换芯片 TTL隔离RS232采用金升阳公司的F505S-1WR2作为隔离电源方案,使用德州仪器公司的ISO7321电容式隔离换芯片+MAX3232换芯片作为隔离RS232设计方案 TTL隔离RS485采用金升阳公司的TD301D485H-A作为隔离RS485换方案 USB隔离协议换器电路PCB板截图:
评论
添加红包

请填写红包祝福语或标题

红包个数最小为10个

红包金额最低5元

当前余额3.43前往充值 >
需支付:10.00
成就一亿技术人!
领取后你会自动成为博主和红包主的粉丝 规则
hope_wisdom
发出的红包
实付
使用余额支付
点击重新获取
扫码支付
钱包余额 0

抵扣说明:

1.余额是钱包充值的虚拟货币,按照1:1的比例进行支付金额的抵扣。
2.余额无法直接购买下载,可以购买VIP、付费专栏及课程。

余额充值