基于STM32的单相在线不间断电源设计
引言
随着科学技术的迅速发展,航空航天、通信、国防、医院等用电部门以及存储设备、通信系统等重要用电设备对电源质量提出了特殊要求,例如电压波动、脉冲干扰和突然中断可能导致随机存储数据丢失和程序破坏,甚至损坏电子设备[1]。因此,电源的稳定性和安全性具有重要意义。目前,不间断电源已广泛应用于对市电有较高要求的各行各业[2]。
2. 不间断电源的基本原理
2.1 在线式UPS的结构
不间断电源(UPS)在市电电源异常或中断时,能够继续向用户供电一段时间。根据国际电工委员会(IEC)的新标准,按照其结构和工作原理可分为三类。其中,在线式UPS具有性能优良、电压和频率稳定性高、功能强等优点。当市电网正常时,市电经过整流滤波变为直流电(交流转直流),再通过升压逆变器(直流转交流),利用SPWM波调制技术将直流电转换为稳定的交流电输出。当市电网电源突然中断或电压低于设定值时,系统自动切换至直流稳压电路供电,及时切换电路,并持续输出稳定的交流电源。在线UPS系统的框图如下图所示。
2.2 总体方案设计
考虑到成本降低、损耗降低和波形失真降低,系统各模块采用以下方案进行构建。(1)采用基本的升压升压电路来放大和稳定电压。通过单片机对输出电压进行采样,并利用PID算法调节开关管的占空比,从而控制输出电压。该电路结构简单且节省成本。(2)逆变电路中的MOS驱动器采用德州仪器公司生产的LM5109。LM5109是德州仪器公司最新推出的高压1A峰值半桥栅极驱动器,专为同步降压或半桥结构中驱动高端和低端N沟道MOSFET而设计。其外围电路简单且稳定,高端驱动器可在高达90V的电源轨电压下工作。(3)及时切换电路:采用低功耗电源切换控制芯片LTC4412,通过控制外部P沟道MOSFET实现电源的自动切换。该方案电路结构和原理简单,静态电流低至11μA,功耗低。断开交流电源时可及时切换到储能装置侧供电。系统以STM32F407为主控,由整流滤波电路、升压电路、SPWM调制全桥逆变电路和及时切换电路组成。系统的整体框图如图2所示。
2.3 电路分析与计算
2.3.1 基本升压电路
采用基本BOOST电路实现电压升压,通过调节开关管的占空比来控制输出电压。开关管交替地关断和导通,电感L将交替进行储能和释放能量,电感L储能后电压上升,而电容C将维持输出电压平衡。输入输出电压关系为:
$$
U_o = \frac{U_{in}(t_{on} + t_{off})}{t_{off}}
$$
通过改变开关的通断占空比可以获得期望输出电压。原理图如图3所示。
输出滤波元件决定了电源的稳定性,是直流‐直流变换器设计中最关键的部分。选择两个组件——输出电感L和输出电容C——非常重要。影响电源稳定性的最关键参数是输出电容的等效串联电阻(ESR),通常越小越好。
$$
C_2 = \frac{I_o(U_o - U_{in})}{U_o f \Delta U_o}
$$
$$
L = \frac{U_{in}^2 (U_o - U_{in})}{\eta I_o f U_o^2}
$$
通过上述两个公式确定电容和电感的值。
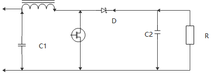
2.3.2 单相全桥逆变电路
单相全桥逆变电路是整个系统的核心。该单相全桥逆变电路可视为由两个半桥电路组合而成,共有四个桥臂,两两成对,两对桥臂同时交替各自导通180°。电路图如下所示。
2.4 控制软件算法设计
通过改变电网驱动的PWM控制信号的占空比,可以调节升压升压电路的输出电压。采用STM32F4的模数转换器对升压电路的输出电压进行采样,为避免电压过高,采用电阻分压方式。通过对采样值与设定值进行误差比较后调整占空比,即采用PID实现闭环控制。
3. 结果
3.1 仿真模型建立
3.2 实验结果分析
3.2.1 正常交流电源测试
在交流电源条件下,通过隔离变压器和自耦变压器降压获得交流电压 $ U_1 = 36V $。在满载条件下,测得交流电流 $ I_o = 1A $,输出交流电电压 $ U_o = 30V $,频率为 $ 50Hz $,失真度为 $ 3.0\% $,当输出交流电流在 $ 0.1A $ 至 $ 1A $ 范围内时,负载调整率为 $ 0.39\% $。部分实验数据如表1所示。
表1. 实验数据
| 输出交流电压值 (U/V) | 频率 (f/Hz) | 失真度 (%) |
|---|---|---|
| 29.95 | 49.9 | 2.9 |
| 30.05 | 50.0 | 3.1 |
| 30.00 | 50.1 | 3.0 |
3.2.2 异常交流电源测试
当 $ U_d = 24V $ 且输出交流电电流 $ I_o = 1A $ 时,输出交流电电压为 $ U_o = 30V $,频率为 $ f = 50Hz $。
4. 结论
随着越来越多的部门和设备对供电质量有特殊要求,电压波动、脉冲干扰以及市电突然中断可能会带来严重后果。根据UPS基本原理,本文设计了一种基于STM32的交流正弦波在线不间断电源。实验结果表明,该系统在市电正常与异常情况下均能正常输出交流电,具有一定的实际应用价值。
177

被折叠的 条评论
为什么被折叠?



