RS-485总线的好处大家都知道,用隔离模块能让通信更稳定。但实际用的时候,可能会遇到通信不了、出错或者收发器坏掉的问题。本文将深度剖析RS-485组网问题。
应用问题
当出现通信错误或者不能通信时首先判断应用是否符合表1中的应用情况。
表1 RS-485总线应用情况

表1中三种应用情况分别属于终端电阻、上下拉电阻、控制脚以及逻辑输入侧电平的问题,下面对其进行详细分析。
1. 终端电阻问题
若RS-485总线上接有终端电阻,且所用RS-485收发器门限电平是±200mV,则可能出现表2中所述的异常现象。
表2 终端电阻导致的异常现象


图1 RS232/485双向转换器
终端电阻导致异常的原因:RS-485收发器接收门限电平为±200mV,即AB之间差分电压大于+200mV,输出高电平;AB之间差分电压小于-200mV,输出低电平;AB之间电压在±200mV之间时,输出状态不确定,即有可能输出高电平(此时表现为通信正常),有可能输出低电平(此时表现为通信异常),因此若总线空闲状态时AB差分电压处于门限电平之内,则会出现一定概率的异常问题。
表2现象1分析:单板可以正常通信,组网后由于RS-485总线上接有终端电阻,导致空闲状态时总线差分电压处于门限电平之内,出现通信异常。当出现上述情况时,首先需确认总线上是否存在终端电阻。
表2现象2分析:单板测试时,单板或与之通信的设备接有终端电阻,此时AB之间差分电压处于门限电平之内时,有一定概率出现通信异常。
表2现象3分析:此现象同样是由于终端电阻导致的,由于RS-232/485双向转换器(如图1)内部AB引脚一般会设置小阻值的上下拉电阻(例如560Ω),若用RS-232/485双向转换器通信,由于RS-485总线空闲状态时的电压是由上下拉电阻与终端电阻分压得到,此时空闲状态的AB差分电压会大于200mV,使RS-485收发器输出一个确定的高电平,不会引起通信错误,如图3为两个RSM485PCHT进行通信,AB之间加60Ω并且增加RS-232/485双向转换器的测试波形,空闲状态的电压为520mV,不会引起错误。图2为两个RSM485PCHT进行通信,AB之间加60Ω测试的波形,可以看出空闲状态AB差分电压为40mV,处于门限电平范围之内,有可能出现通信错误。

图2 AB间加两个120Ω电阻,并增加RS-232/485双向转换器

图3 AB间只加两个120Ω电阻
解决方法主要有三种,具体如表3:
表3 终端电阻问题解决方法

2. 上下拉电阻问题
上下拉电阻并联值过小可能引起的现象如表4所示。表4 上下拉电阻导致的异常现象
上述问题是所加上下拉电阻值较小导致的问题,超过了芯片可以驱动的负载能力。RSM485PCHT在AB之间加两个120Ω电阻后,所加上下拉电阻值与输出差分电压低电平的关系如表 5所示,当上下拉电阻并联值小于51Ω时,虽然芯片可以正常输出,但是输出信号已大于-200mV,此时可能出现通信错误或完全不能通信。上下拉电阻过小会导致RS-485收发器在功耗过大,发热严重,有可能导致收发器过热保护或者损坏,因此为了保证通信的可靠性,上下拉电阻阻值不宜过小,一般上拉或下拉电阻的并联值应大于375Ω。
表5 不同上下拉电阻值驱动电压

3. 控制脚以及逻辑输入侧的问题
由于收发切换需要一定的延时,因此应在发送或者接收数据前增加一段延时(例如RSM485PCHT,需要增加至少25μs)来保证RS-485收发器已经处于发送或者接收状态。MCU电平应与RS-485收发器输入逻辑电平匹配,即MCU为5V逻辑电平,应使用供电为5V的RSM系列隔离模块。
隔离RS-485收发器 RSM485PCHT
• Mini 小体积或标准模块化封装
• 低电磁辐射和高磁干扰性
• 有效提升总线通信防护等级
波形测试方法
由于RS-485总线应用非常广泛,应用问题不仅仅只是上面几种,当排除上面的问题后,可以通过测试总线波形的方法来找到通信异常的位置,判断异常原因。
1. 检查RS-485收发器发送功能
在通信异常时,测量RS-485总线AB差分电压与模块TXD、RXD引脚之间波形的对应关系可以判断异常位置。使用图4所示的测试方法得到如图5所示波形,TXD为高电平时,A-B为高电平,TXD为低电平时,A-B为低电平,并且模块输出电平正常,可以判断出模块发送功能正常。
图4 测试发送功能是否正常

图5 发送功能测试正常波形
2. 检查RS-485收发器接收功能
使用图6所示的测试方法得到如图7所示波形,A-B为高电平时,RXD为高电平,A-B为低电平时,RXD为低电平,并且模块RXD输出电平正常,可以判断模块接收功能正常。

图6 测试接收功能是否正常

图7 接收功能测试正常波形
3. 检查RS-485收发器控制引脚与TXD、RXD逻辑关系
使用如图8所示的方法分别测试TXD、RXD与CON逻辑关系,得到图9和图10所示波形,对于RSM485PCHT,发送或接收信号前,CON引脚应至少提前25μs置为低电平或高电平,并且数据发送或接收完成后再切换收发状态。

图8 TXD与CON测试

图9 发送数据CON波形

图10 接收数据CON波形
收发器损坏
1. 模块AB引脚超过共模电压范围导致的损坏
RS-485收发器AB引脚的共模电压范围一般要求在-7V~+12V范围内,当超过此范围内时会造成芯片损坏。由于工业现场大地经常会流过瞬时大电流,若收发器RGND引脚连接不当,则AB引脚的共模电压会超过其可承受的共模电压范围,导致模块损坏。下面以RSM485PCHT为例进行分析。

图11 RGND多点接大地示意图(错误连接)
当U1发送高电平时,以RSM485PCHT为例:
由于两个模块都直接连接至机壳或者大地,当机壳或大地中通过较大电流时,在U1和U2的RGND引脚之间产生了VEARTH电压差,当U1向U2发送数据时,U2的A引脚的电压为:
由于VA1发送时为5V,当VEARTH超过7V时就有可能导致损坏,因此在实际应用中,节点之间的RGND可以通过屏蔽双绞线的屏蔽层进行连接,屏蔽层通过阻容单点连接至大地,如图12所示。

图12 RGND推荐连接
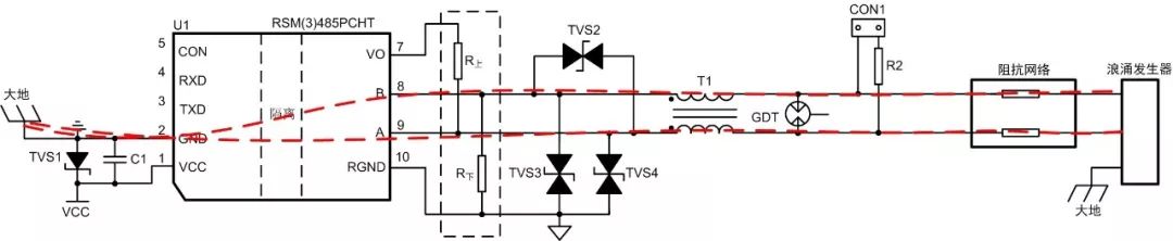
2. 高等级的静电和浪涌造成模块损坏
在应用环境中有较高等级的静电和浪涌时,如果只是单纯使用RS-485收发器芯片或者模块,可能会导致模块损坏,此时就需要增加外围保护电路来保护收发器。但保护电路需要可靠地接地才能将静电和浪涌能量泄放。下面以进行共模浪涌测试为例,如图13所示,若保护电路未连接至大地,则浪涌能量(红色部分)通过隔离模块进行释放,较高的浪涌等级容易导致模块损坏;当保护电路接大地时,如图14所示,浪涌能量首先通过GDT泄放到大地,然后通过TVS和电容泄放,剩余很少的能量才会通过模块释放,可以起到保护的作用。

图13 保护电路未接大地

图14 保护电路接大地
深度剖析RS-485组网通讯异常问题



456

被折叠的 条评论
为什么被折叠?



