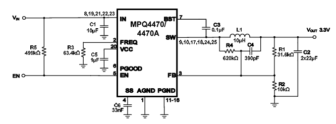
MPS美国芯源 MPQ4470GL-AEC1-Z QFN20 DC-DC电源芯片

特性

  • 4.5V 至 36V 宽工作输入范围
  • 保证 5A 连续输出电流
  • 内置 40mΩ 高端、20mΩ 低端功率 MOSFET
  • 专有开关损耗降低技术
  • 1% 参考电压
  • 可编程软启动时间
  • 低压差模式
  • 100kHz 至 1MHz 开关频率
  • 短路保护(SCP)、过流保护(OCP)、过压锁定保护(仅 MPQ4470 具备)、欠压保护(UVP)和热关断保护
  • 输出电压可在 0.8V 至 0.9×VIN 范围内调节
  • 采用 3mm×4mm、20 引脚 QFN 封装
评论
成就一亿技术人!
拼手气红包6.0元
还能输入1000个字符
 
红包 添加红包
表情包 插入表情
 条评论被折叠 查看
添加红包

请填写红包祝福语或标题

红包个数最小为10个

红包金额最低5元

当前余额3.43前往充值 >
需支付:10.00
成就一亿技术人!
领取后你会自动成为博主和红包主的粉丝 规则
hope_wisdom
发出的红包
实付
使用余额支付
点击重新获取
扫码支付
钱包余额 0

抵扣说明:

1.余额是钱包充值的虚拟货币,按照1:1的比例进行支付金额的抵扣。
2.余额无法直接购买下载,可以购买VIP、付费专栏及课程。

余额充值