1.2 特性
输入范围:2.7V-5.5V
●低待机电流为35μA
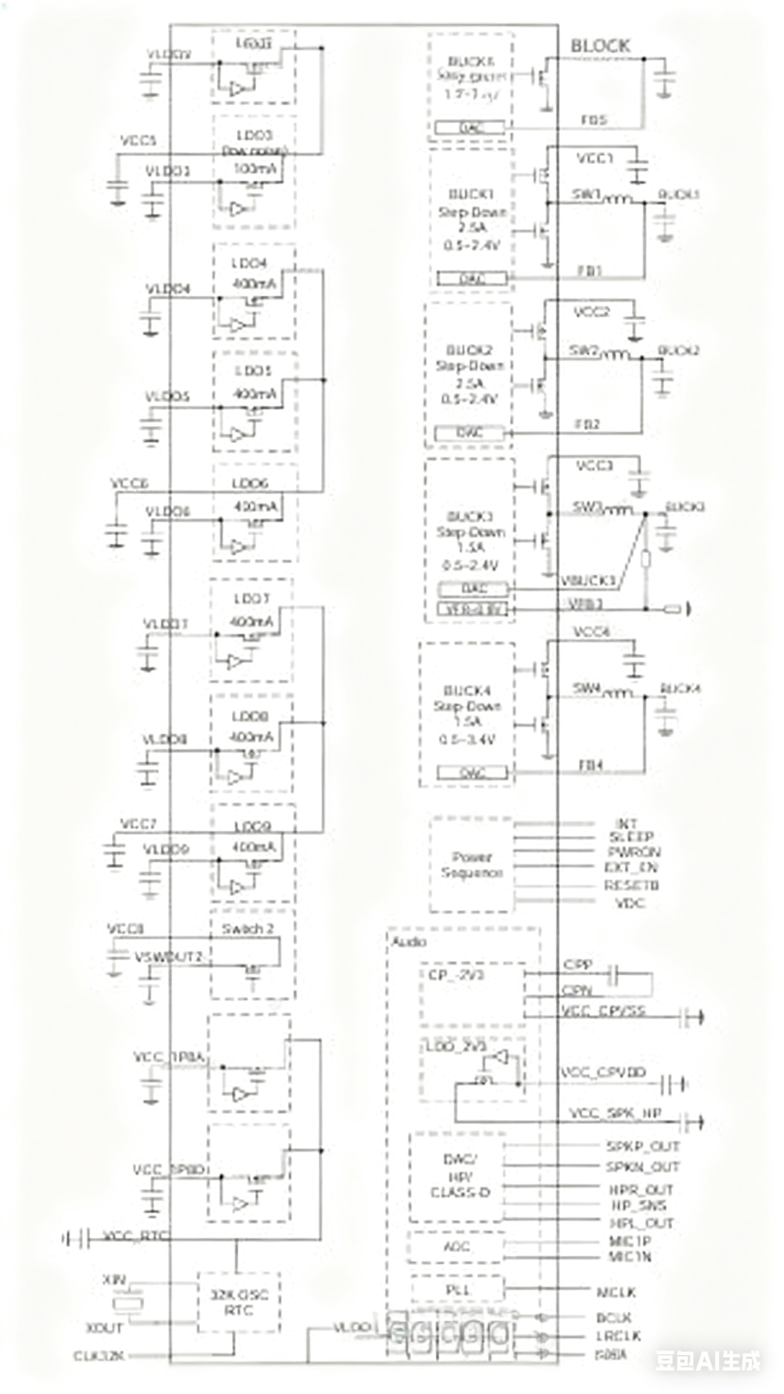
电源通道:
BUCK1:0.5V~2.4V,最大2.5A,非常快速的瞬态响应
BUCK2:0.5V~2.4V,最大2.5A,非常快速的瞬态响应
BUCK3:0.5V~2.4V(或电阻分压),最大1.5A,非常快速的瞬态响应
BUCK4:0.5V~3.4V,最大1.5A,非常快速的瞬态响应
B峸狽仉C噉怣嗓5:1.5V~3.6V,最大2.5A,快速瞬态响应
LDO1~LD02,LD04~LD09:0.6V~3.4V,最大400mA
LD03:高PSRR(75dB@1kHz),0.6V~3.4V,最大100mA
开关1:2.1A最大,RDS(on)=90mΩ
开关2:2.1A最大,RDS(on)=100mΩ
OTP可编程的上电/下电序列和电压
。具有两个独立的电池电压和电流ADC,精确的电池电量表用窕ç埕电池电压、电池温度和USB/SYS电压感应的16位ADC
用于电池电流检测的16位ADC
开路电压算法结合库仑计数器算法
+ial
实时时钟(莰乳RTC)
音频系统
音频编解码器:ADC和DAC均为24位支持軛蛹单端或差分模式麦克风输入支悒偲两悞进真趙坝实接地类AB功放驱动耳机,32欧姆负载支持駔旨D类功放驱动扬声器,功率1.3W支炱諏步礱称瀵讲S作为DAC和ADC的数字信号接口
支持可编程的数字和模拟增益
采样獼聂率:48KHz~192KHZ
集成内部PLL
支持PDM模式(外部输入PCLK)●封装:7毫米x7毫米QFN68

948

被折叠的 条评论
为什么被折叠?



