Air8000本身并未内置Audio Codec和Audio PA,因此如需使用Air8000系列的音频功能——需要在外部增加Audio codec和Audio PA。
一、开发板参考设计

以Air8000开发板为例,我们的选型是:
-
Audio codec:
推荐顺芯ES8311,I2S接口传输PCM数据,I2C接口传输控制命令; -
Audio PA:
开发板选用的是纳芯微D类音频放大器NS4150B,可以驱动4Ω 3W的喇叭。
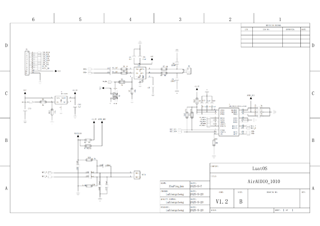
开发板原理图如下图示:

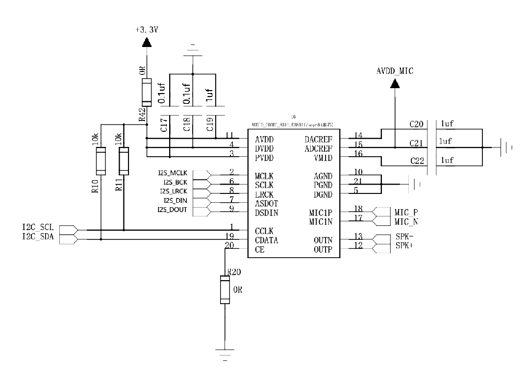
U3为一颗3.3V LDO,用于给ES8311供电,由8311_EN控制打开或关闭;
ES8311即为顺芯Audio Codec,支持一路上行Mic,一路下行Speaker;
MIC1选用的是一颗驻极体Mic,大家也可以根据自己的需要灵活选择硅麦;
U1为纳芯微NS4150B,最高可驱动4Ω 3W的喇叭(5V供电时),由PA_EN单独控制打开或关闭。
二、相关设计建议
大家在自己设计原理图和PCB时,我们的建议是:
-
8211_EN控制给ES8311供电的LDO打开或关闭,可以在不使用音频功能的时候关闭ES8311,以达到尽可能降低功耗的效果。
-
NS4150B由系统主电源4V直接供电,最大输出功率实际可达2W(5V供电时最高可达3W,详见NS4150B规格书说明);
由于输出功率较大,因此在PCB走线时,从NS415B的PIN5:VON和PIN8:VOP到Speaker的走线,需要适当加粗到0.5mm以上。
-
由于ES8311的输出和NS4150B的输入皆为差分信号,因此ES8311的PIN12:OUTP可以接到NS4150B的PIN3:INP,也可以接到NS4150B的PIN4:INN;ES8311的PIN13:OUTN也一样,只要两个差分信号保持成双成对即可。
大家可以根据自己的情况灵活选择任意音频放大器,但Audio Codec推荐选择顺芯ES8311,在Air8000系列型号上已经做好了驱动适配。
三、特别注意事项
接下来,给大家介绍一个在Audio应用中经常遇到的“坑”,请大家务必避雷!
Air8000开发板原理图中——由8311_EN和PA_EN两个GPIO分别控制Audio Codec和Audio PA。
为什么不合二为一用一个GPIO控制呢?
-
当开始音频播放时,GPIO拉高,同时打开Audio Codec和Audio PA;
-
当结束音频播放时,GPIO拉低,同时关闭Audio Codec和Audio PA。
原理上没问题,但实际应用中:
-
同时打开Audio Codec和Audio PA时,喇叭会有不受控制的POP音产生。
-
大概的原因是ES8311的初始化需要时间,而Audio PA的打开是即时的,在ES8311初始化的过程中,POP音就产生了。
因此,实际应用中Audio PA要相对Audio Codec的打开稍晚一定的时间。
所以,再次提醒:
Audio Codec和Audio PA的使能管脚务必通过两个独立的GPIO分别控制。
我们推荐的是:
Audio Codec使用GPIO164;
Audio PA使用GPIO162。
Audio API函数都已经设置好了,大家只需要按照要求输入相应的两个GPIO即可:

四、标准配件
我们设计的AirAUDIO_1010标准配件,供大家结合Air8000系列核心板测试音频功能。
AirAUDIO_1010包含了Audio Codec、Audio PA、为Audio Codec供电的LDO、Mic、Speaker插头,以及两个独立的Codec和PA使能GPIO。
相关原理图与PCB、硬件参考设计、音频应用示例等资料,持续更新开放。




被折叠的 条评论
为什么被折叠?



