一、128微步步进电机驱动模块方案
KYL-SMCD-T003_V1.0步进电机模块是基于东芝TC78H670FTG芯片,具有128微步的高分辨率,电源可以由USB供电、电池供电和标准9-12V系统元件,能与1.8V界面配合使用,连接各种主机和微控制器。主要用于相机,监控摄像机,智能手机,微型投影机等市场。
二、模块和芯片我们都有噢~

方案特点:
1. 额定工作电压范围:2.5~18V
2. 最大工作电流:2A
3. 最大细分数:128
4. 无电流检测电阻。
5. 0.1mA的超低待机电流。
6. 支持正传、反转和待机功能 。
7. 平稳、无噪音运行电机并减少振动。
8. 元件尺寸小,节省印刷电路板(PCB)布线空间,有助于降低成本。
9. 能与1.8V接口配合使用,从而连接各种主机和微控制器。
10. 通过微步控制提高旋转角度精度。
11. 内部含有过流检测保护,和过温保护,防止潜在安全隐患,使用更安全。

TC78H670FTG 芯片参数:
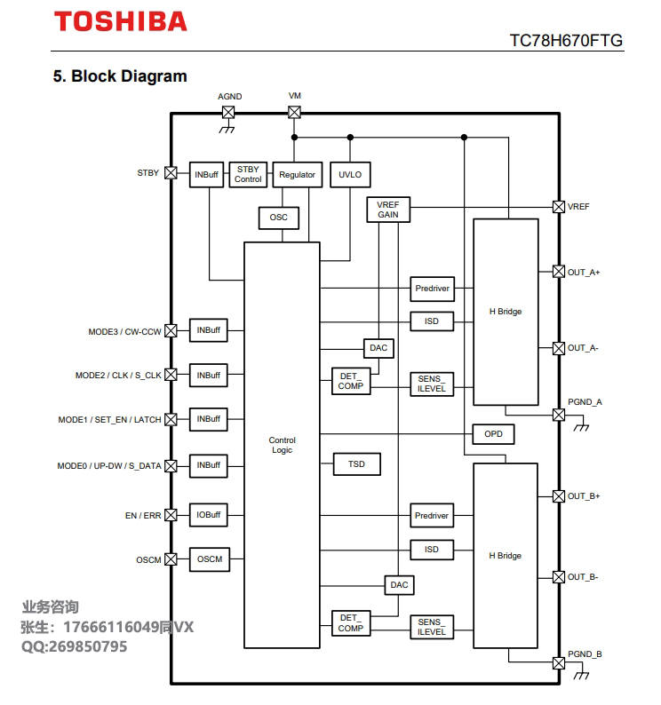
内置双H桥,可控制1个双极性步进电机
PWM控制恒流驱动器电源工作电压:25V至16.0V
输出电流额定值:2.0A(最大值)
低导通电阻(高+低侧=0.48Q(典型值)) MOSFET输出级允许全、半、四分之一、1/8、1/16、1/32、1/64、1/128步操作
内置无感测电阻电流控制架构(高级电流检测系统)多种错误检测功能(热关断(TSD)、过流(ISD)、电机负载开路(OPD)和欠压锁定(UVLO错误检测(TSD/ISD/OPD) 标志输出功能用于内部电路的内置VCC稳压器电动机的斩波频率可通过外接电阻调节带散热垫的小型OFN封装(16引脚)
注意:在使用过程中请注意热条件
注意:仅当选择串行模式时才可能检测到OPD。
二、模块和芯片我们都有噢~
三、相关型号推荐:TB67S109AFTG,TB67S128FTG,TB6569FG,TB6568KQ,TB67S539FTG
,TB67S539SFTG,TB67S249FTG,TB6560AFG,TB6600HG,TB67S209FTG
四、产品应用于便捷式设备,监控摄像头,PTZ Web会议摄像头,分配器
,智能锁,致动器,电动遮阳帘和百叶窗,玩具机器人工业设备等
本文介绍了KYL-SMCD-T003_V1.0步进电机驱动模块,基于TC78H670FTG芯片,具有高分辨率和多种特性,适用于相机、监控摄像机等。模块特点包括宽电压范围、低待机电流、过流保护等,同时推荐了多个相关型号及其在工业和消费电子设备中的应用。
513

被折叠的 条评论
为什么被折叠?



