功能介绍:采用stm32单片机作为控制CPU,采用MQ4天然气气体采集传感器,DHT11温湿度传感器,蜂鸣器,0.96寸OLED显示屏,继电器驱动风扇,采用USB5V供电,使用电脑和充电宝USB口都可以,MQ4采集当前的天然气浓度,当浓度值大于设置的上限阈值(阈值可以在程序中更改),蜂鸣器进行报警,继电器导通驱动风扇进行通风降低浓度,当浓度低于设置的阈值,蜂鸣器停止报警,风扇停止转动,OLED显示屏上显示天然气浓度值和温湿度采集值,该系统适用于地下矿井开采环境报警系统,文末有资料分享:
9-基于stm32单片机MQ4天然气DHT11温湿度检测报警系统(程序+原理图+PCB+元件清单全套资料)


程序部分展示,有中文注释,新手容易看懂
//硬件初始化
void Hardware_Init(void)
{
NVIC_PriorityGroupConfig(NVIC_PriorityGroup_2);//设置中断优先级分组为组2:2位抢占优先级,2位响应优先级
delay_init(); //延时函数初始化
Usart1_Init(115200); //串口1初始化为115200
LED_Init(); //LED初始化
}
int main(void)
{
unsigned char *dataPtr = NULL;
unsigned short timeCount = 30; //发送间隔变量
uint8_t status;
long int cardnum=0;
u16 adcx;
int temp;
Hardware_Init(); //初始化外围硬件
OLED_Init();
OLED_ColorTurn(0);
OLED_DisplayTurn(0);
OLED_ShowString(0,0," MQ4:",16); OLED_ShowString(90,0,"PPM",16);
OLED_ShowString(0,32,"TEMP:",16); OLED_ShowString(70,32,"C",16); OLED_ShowString(120,32,"%",16);
OLED_Refresh();
KEY_Init();
Adc_Init(); LED_Init();
LED=1;fs=1;
Q1=1;
while(1)
{
DHT11_Read_TempAndHumidity ( & DHT11_Data );//读取温湿度传感器值
OLED_ShowNum(40,32,DHT11_Data .temp_int,2,16);//显示温度整数部分
OLED_ShowString(56,32,".",16);
OLED_ShowNum(60,32,DHT11_Data .temp_deci,1,16);//显示温度小数部分
OLED_ShowNum(100,32,DHT11_Data .humi_int,2,16);//显示湿度
adcx=Get_Adc_Average(ADC_Channel_1,10);//读取天然气浓度值
temp=(float)adcx/4096*330-100;
if(temp<0) temp=0;
OLED_ShowNum(40,0,temp,3,16); //显示浓度
OLED_Refresh();
if(temp>100||DHT11_Data .temp_int>36) //浓度大于100或者温度大于36 报警
{
LED=1;
Q1=0;
}
else
{
LED=0;
Q1=1;
}
}
}

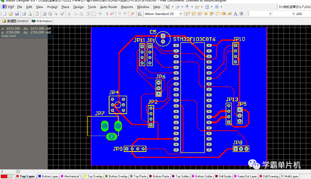
下面是原理图和PCB展示:




5302





