2021 年底,知名的音频芯片制造厂商 XMOS 正式发布了最新的 XCORE.AI 系列的芯片 XU316-1024-QF60B-PP24 ,这款芯片能够实现高达 768KHz PCM 和 DSD 512音频解码,满足HiFi音频消费者的高保真无损播放设备的需求。

XU316-1024-QF60B-PP24 是 XMOS 推出的第三代产品 xcore.ai 系列,其综合性能和价格上都比前代的产品更具优势。

▲XU316-1024-QF60B-PP24(V16A0PP)
XU316-1024-QF60B-PP24 是一款高端 USB 声卡主控芯片,木瓜电子基于 XU316 设计的 XMOS USB Audio HiFi 声卡评估板(PXUA-XU316-KIT)已经落地生产,此方案是高性能的HiFi播放声卡解决方案的完美选择,也将是木瓜电子后续重点主推型号。
全新的 XU316 新增了许多新的模块和功能。

模块上,新增了:
- 无源晶振接口;
- 内部电源复位检测;
- PLL软件时钟生成器;
功能上,新增了:
- 硬件浮点运算器;
- 增强DSP运算;
- 向量运算加速器,用于AI模型预测加速;
接口上,新增了:
- MIPI接口,用于图像传感器;
除了新增的模块,XU316 相比于上一代芯片,在处理速度、功耗性能等方面也有不小的提升:

以 XU316-1024-QF60B-PP24 为基础设计的 PXUA-XU316-KIT 评估板可以用户进行USB Audio多种项目评估。
此方案采用标准的 UAC2.0 (USB Audio Class 2.0)协议和异步传输(Asynchronous)方式,其确保 USB 高带宽传输高清音频数据,同时能够高度兼容各大操作系统类如 Windows, Android ,Linux 等。
使用高反转且灵活I/O,能够轻易实现高速率的 I2S/ DSD 和 SPDIF 音频接口要求,能够满足多种音频接口和多通道的需求。
此方案有以下特点:
● 支持 USB Audio Class 2.0(UAC 2.0)
• USB 2.0 (Full-speed and High-speed)
• USB Audio Class 1.0
• USB Audio Class 2.0
• USB Firmware Upgrade (DFU)
• USB Midi Device Class 1.0
● 支持多种音频接口
• I2S/TDM
• S/PDIF
• ADAT
• Direct Stream Digital (DSD)
• MIDI
● 支持多种音频采样率
• PCM:44.1kHz,48kHz,88.2kHz,96kHz,176.4kHz,192kHz,352.8kHz,384kHz,705.6kHz,768kHz
• DSD:
DSD 64 ,DSD 128, DSD 256, DSD 512
• DOP:
DOP 64 ,DOP 128,DOP256
XU316-1024-QF60B-PP24 发布后,木瓜电子从 2021 年 9 月就开始投入技术人员对之前 PXUA08QF48 开发版 进行升级,升级后的评估板为 PXUA-XU316-KIT。
硬件重新设计

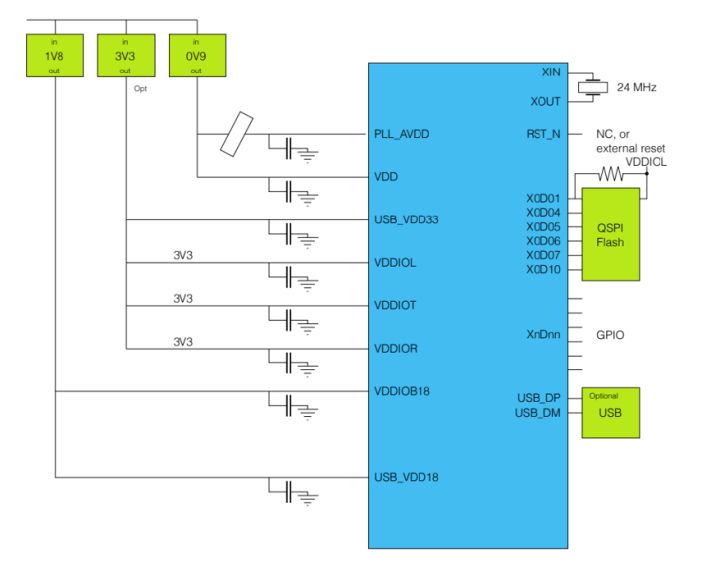
▲ XU316-1024-QF0B-PP24 硬件框图

XU316 USB Audio HiFi 声卡硬件方案架构框图
由于XU316-1024-QF60B-PP24(V16A0PP)与 XU208 在针脚数量、电源、内部架构等方面都有很多差异,因此在对评估板进行升级时,在硬件上进行了重新设计。
● 更换封装由 QF48 到 QF60
● 增加多一路 1v8 电源供电
● 由 24MHz 有源晶振换成无源晶振
● 去掉外部复位检测芯片
● 内部集成了 PLL 音频时钟,可生成 24.576MHz/49.152MHz 的 MCLK
固件重新编译

▲ XMOS USB Audio HiFi 方案软件框架
由于而XU316-1024-QF60B-PP24 是全新的 xcore.ai 内核,与上一代XMOS内核有较多的升级,需要对使用全新的代码工程进行重新编译。
● 更换为XMOS新的XTC开发平台
● 完成USB Audio的工程移植
● 完成重新编译和生产dfu固件
XU316 USB Audio 功能测试
XU316 USB Audio 的功能中,木瓜内部进行了多项测试,以确保移植过程中的稳定,及检视 XU316 的性能及 I/0 分布合理,详细测试项参考上表。

▲ XU316 USB Audio 功能测试

PXUA-XU316-KIT 评估板可以用于多种 USB Audio 方案的评估,木瓜电子在评估方案中完善了 UAC 协议和音频接口驱动,其中包含了时钟低抖动的质量把控,和 bit-perfect 的质量把控,对 USB 转 I2S/DSD 输出做了优秀的桥梁。
应用方案
结合 XU316-1024-QF60B-PP24 全部特性,木瓜电子推荐用户应用到如下或者类似的智能设备中;

A:小尾巴(Type-C声卡),使用XU316来实现低功耗,小封装的产品
B:便携式播放器,使用XU316实现低功耗,高性能的MQA产品
C:有源多功能音响,使用XU316实现多接口,高算力的产品
D:桌面式解码设备,使用XU316实现高解析,高性能的MQA产品
E:USB音频接口(专业录音声卡),使用XU316实现多接口,多效果的产品
F:USB DJ-kit(数字调音台),使用XU316实现多通道,多音效的产品
配套服务

木瓜电子为客户提供一站式配套服务,木瓜电子产品线涵盖了音频设备从前期评估到后期批量生产的所有流程,助力客户产品的顺利生产。
技术文档
PXUA-XU316-KIT 评估板已完成专业技术文档,可供客户自主查询,协助客户完成项目的评估工作。
芯片供应
XU316-1024-QF60B-PP24 相比之前的主控芯片有更良好的货期,木瓜电子还提供其他外围芯片、连接器音频领域产品物料,保证客户产品线的持续供应。
技术支持
木瓜电子拥有国内非常专业的XMOS技术人才,在 XU316-1024-QF60B-PP24 相关项目研发上投入了大量精力,可为客户提供技术支持,协助项目的推进。

深圳市木瓜电子科技有限公司成立于2015年 ,是一家专注于提供音频芯片供应服务的芯片代理商和音频解决方案的技术提供商 。
木瓜电子现拥有国内专业的XMOS技术人才,英国XMOS芯片原厂授权麦克风阵列产品线国内深度的合作伙伴。且已成为XMOS体系国内最大的芯片供应商,并且在Hi-Fi音频细分领域为领先的方案和芯片供应商。
我们以“让高端音质不再昂贵”为使命,旨在用专业技术为客户赋能,助力音频领域的客户多快好省产出产品。我们目前提供的产品和服务有四大板块:芯片供应,评估板,PCBA模块,固件定制。
883

被折叠的 条评论
为什么被折叠?



