✅作者简介:热爱科研的Matlab仿真开发者,擅长数据处理、建模仿真、程序设计、完整代码获取、论文复现及科研仿真。
🍎 往期回顾关注个人主页:Matlab科研工作室
🍊个人信条:格物致知,完整Matlab代码及仿真咨询内容私信。
🔥 内容介绍
永磁同步电机(PMSM)以其高效率、高功率密度和宽调速范围等优点,在工业生产和日常生活中得到了广泛应用。然而,PMSM系统固有的非线性、强耦合以及外部扰动(如负载变化、参数摄动等)的存在,使得其高精度控制面临挑战。传统PID控制器在应对这些复杂工况时,往往难以兼顾鲁棒性和动态性能。自抗扰控制(ADRC)作为一种新型的控制方法,通过实时估计并补偿系统内外扰动,展现出优异的控制性能。本文旨在深入探讨基于ADRC的PMSM仿真模型构建,详细阐述ADRC的基本原理、PMSM的数学模型,并在此基础上搭建仿真平台,对ADRC在PMSM速度控制中的性能进行仿真分析,以验证其有效性和优越性。
1. 引言
永磁同步电机作为现代工业自动化中的核心驱动部件,其精确控制对提升生产效率、降低能耗具有重要意义。随着永磁材料和电力电子技术的发展,PMSM的应用领域不断拓宽,从电动汽车、机器人、航空航天到精密机床,无处不在。然而,PMSM的运行环境复杂多变,其内部参数(如电阻、电感)可能随温度变化而漂移,外部负载也可能出现突变。这些因素都对PMSM的控制系统提出了严峻考验。
传统的PMSM控制策略,如基于PI(比例积分)控制器的磁场定向控制(FOC),虽然在一定程度上解决了PMSM的控制问题,但在应对非线性、强耦合以及未知扰动时,其控制性能往往受到限制。PI控制器依赖于精确的数学模型,且参数整定复杂,鲁棒性不足。当系统存在较大扰动或模型失配时,PI控制器的性能会显著下降,甚至导致系统不稳定。
自抗扰控制(Active Disturbance Rejection Control, ADRC)理论由韩京清研究员于20世纪90年代提出,它以“处理扰动”为核心思想,通过扩展状态观测器(ESO)实时估计并补偿系统内外部扰动,从而将复杂的非线性系统转化为易于控制的积分串联型系统。ADRC具有无需精确模型、鲁棒性强、动态响应快等优点,为PMSM的高性能控制提供了新的解决方案。本文将重点研究ADRC在PMSM速度控制中的应用,通过仿真验证其对扰动的抑制能力和对参数变化的适应性。
2. 自抗扰控制(ADRC)基本原理
ADRC的核心思想是将系统中所有的未知动态(包括未建模动态、参数摄动、外部扰动等)都视为“总扰动”,并通过ESO进行实时估计和补偿。ADRC主要由三个部分组成:跟踪微分器(TD)、扩展状态观测器(ESO)和非线性误差反馈(NLSEF)控制律。



3. 永磁同步电机(PMSM)数学模型




4. 基于ADRC的PMSM仿真模型构建
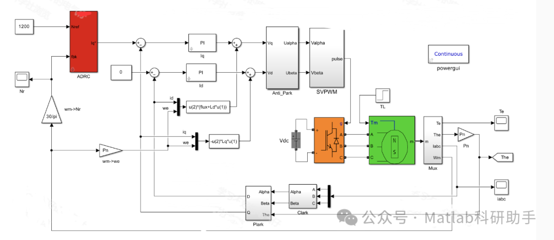
在Matlab/Simulink环境下,可以构建基于ADRC的PMSM仿真模型。整个控制系统通常采用双闭环结构,即外层速度环和内层电流环。ADRC可以应用于速度环,取代传统的PI控制器,以提高系统的鲁棒性和抗扰能力。
4.1 仿真模型框图
PMSM的ADRC控制系统仿真模型框图如图1所示(此处为文字描述,实际仿真中需绘制)。
[图1: 基于ADRC的PMSM速度控制系统仿真框图]
仿真模型主要包含以下模块:



5. 结论

⛳️ 运行结果



🔗 参考文献
[1] 孙凯,许镇琳,邹积勇.基于自抗扰控制器的永磁同步电机无位置传感器矢量控制系统[J].中国电机工程学报, 2007, 27(3):5.DOI:10.3321/j.issn:0258-8013.2007.03.004.
[2] 刘志刚.基于永磁同步电机模型辨识与补偿的自抗扰控制器[J].中国电机工程学报, 28(24)[2025-10-07].DOI:10.3321/j.issn:0258-8013.2008.24.020.
[3] 盖江涛,黄庆,黄守道,等.基于模型补偿的永磁同步电机自抗扰控制[J].浙江大学学报:工学版, 2014(4):8.DOI:10.3785/j.issn.1008-973X.2014.04.004.
📣 部分代码
🎈 部分理论引用网络文献,若有侵权联系博主删除
👇 关注我领取海量matlab电子书和数学建模资料
🏆团队擅长辅导定制多种科研领域MATLAB仿真,助力科研梦:
🌈 各类智能优化算法改进及应用
生产调度、经济调度、装配线调度、充电优化、车间调度、发车优化、水库调度、三维装箱、物流选址、货位优化、公交排班优化、充电桩布局优化、车间布局优化、集装箱船配载优化、水泵组合优化、解医疗资源分配优化、设施布局优化、可视域基站和无人机选址优化、背包问题、 风电场布局、时隙分配优化、 最佳分布式发电单元分配、多阶段管道维修、 工厂-中心-需求点三级选址问题、 应急生活物质配送中心选址、 基站选址、 道路灯柱布置、 枢纽节点部署、 输电线路台风监测装置、 集装箱调度、 机组优化、 投资优化组合、云服务器组合优化、 天线线性阵列分布优化、CVRP问题、VRPPD问题、多中心VRP问题、多层网络的VRP问题、多中心多车型的VRP问题、 动态VRP问题、双层车辆路径规划(2E-VRP)、充电车辆路径规划(EVRP)、油电混合车辆路径规划、混合流水车间问题、 订单拆分调度问题、 公交车的调度排班优化问题、航班摆渡车辆调度问题、选址路径规划问题、港口调度、港口岸桥调度、停机位分配、机场航班调度、泄漏源定位
🌈 机器学习和深度学习时序、回归、分类、聚类和降维
2.1 bp时序、回归预测和分类
2.2 ENS声神经网络时序、回归预测和分类
2.3 SVM/CNN-SVM/LSSVM/RVM支持向量机系列时序、回归预测和分类
2.4 CNN|TCN|GCN卷积神经网络系列时序、回归预测和分类
2.5 ELM/KELM/RELM/DELM极限学习机系列时序、回归预测和分类
2.6 GRU/Bi-GRU/CNN-GRU/CNN-BiGRU门控神经网络时序、回归预测和分类
2.7 ELMAN递归神经网络时序、回归\预测和分类
2.8 LSTM/BiLSTM/CNN-LSTM/CNN-BiLSTM/长短记忆神经网络系列时序、回归预测和分类
2.9 RBF径向基神经网络时序、回归预测和分类
2.10 DBN深度置信网络时序、回归预测和分类
2.11 FNN模糊神经网络时序、回归预测
2.12 RF随机森林时序、回归预测和分类
2.13 BLS宽度学习时序、回归预测和分类
2.14 PNN脉冲神经网络分类
2.15 模糊小波神经网络预测和分类
2.16 时序、回归预测和分类
2.17 时序、回归预测预测和分类
2.18 XGBOOST集成学习时序、回归预测预测和分类
2.19 Transform各类组合时序、回归预测预测和分类
方向涵盖风电预测、光伏预测、电池寿命预测、辐射源识别、交通流预测、负荷预测、股价预测、PM2.5浓度预测、电池健康状态预测、用电量预测、水体光学参数反演、NLOS信号识别、地铁停车精准预测、变压器故障诊断
🌈图像处理方面
图像识别、图像分割、图像检测、图像隐藏、图像配准、图像拼接、图像融合、图像增强、图像压缩感知
🌈 路径规划方面
旅行商问题(TSP)、车辆路径问题(VRP、MVRP、CVRP、VRPTW等)、无人机三维路径规划、无人机协同、无人机编队、机器人路径规划、栅格地图路径规划、多式联运运输问题、 充电车辆路径规划(EVRP)、 双层车辆路径规划(2E-VRP)、 油电混合车辆路径规划、 船舶航迹规划、 全路径规划规划、 仓储巡逻
🌈 无人机应用方面
无人机路径规划、无人机控制、无人机编队、无人机协同、无人机任务分配、无人机安全通信轨迹在线优化、车辆协同无人机路径规划
🌈 通信方面
传感器部署优化、通信协议优化、路由优化、目标定位优化、Dv-Hop定位优化、Leach协议优化、WSN覆盖优化、组播优化、RSSI定位优化、水声通信、通信上传下载分配
🌈 信号处理方面
信号识别、信号加密、信号去噪、信号增强、雷达信号处理、信号水印嵌入提取、肌电信号、脑电信号、信号配时优化、心电信号、DOA估计、编码译码、变分模态分解、管道泄漏、滤波器、数字信号处理+传输+分析+去噪、数字信号调制、误码率、信号估计、DTMF、信号检测
🌈电力系统方面
微电网优化、无功优化、配电网重构、储能配置、有序充电、MPPT优化、家庭用电
🌈 元胞自动机方面
交通流 人群疏散 病毒扩散 晶体生长 金属腐蚀
🌈 雷达方面
卡尔曼滤波跟踪、航迹关联、航迹融合、SOC估计、阵列优化、NLOS识别
🌈 车间调度
零等待流水车间调度问题NWFSP 、 置换流水车间调度问题PFSP、 混合流水车间调度问题HFSP 、零空闲流水车间调度问题NIFSP、分布式置换流水车间调度问题 DPFSP、阻塞流水车间调度问题BFSP
👇
2万+

被折叠的 条评论
为什么被折叠?



