✅作者简介:热爱科研的Matlab仿真开发者,擅长数据处理、建模仿真、程序设计、完整代码获取、论文复现及科研仿真。
🍎 往期回顾关注个人主页:Matlab科研工作室
🍊个人信条:格物致知,完整Matlab代码及仿真咨询内容私信。
🔥 内容介绍
在现代电力系统中,随着电力电子设备的广泛应用,诸如整流器、逆变器、变频器等非线性负载大量接入电网。这些非线性负载在运行过程中会向电网注入大量的谐波电流,同时消耗无功功率,导致电网电流波形发生畸变,功率因数降低。谐波污染和无功功率问题不仅影响电力设备的正常运行,造成设备过热、损耗增加、寿命缩短,还会降低电力系统的效率和稳定性,甚至可能引发系统谐振,威胁电网的安全可靠运行。因此,有效治理谐波和补偿无功功率,提高电力系统的电能质量成为亟待解决的重要问题。
分流有源滤波器(Shunt Active Filter,SAF)作为一种先进的谐波治理和无功补偿装置,能够实时检测电网中的谐波和无功电流,并产生与之大小相等、方向相反的补偿电流注入电网,从而抵消负载产生的谐波和无功电流,净化电网。同步旋转坐标系(Synchronous Reference Frame,SRF)算法因其检测精度高、响应速度快等显著优点,在分流有源滤波器的谐波和无功电流检测中得到了广泛的应用。本文将深入详细地介绍基于 SRF 算法的分流有源滤波器的工作原理、仿真电路设计,并通过仿真分析其在降低谐波和无功功率方面的实际效果。
二、SRF 算法原理

三、分流有源滤波器的工作原理
分流有源滤波器主要由主电路和控制电路两大部分构成。
3.1 主电路
主电路采用三相电压型逆变器,其通过电抗器与电网并联连接。三相电压型逆变器通常由六个绝缘栅双极型晶体管(IGBT)及其反并联二极管组成的三相全桥结构构成。直流侧电容为逆变器提供稳定的直流电压源,并吸收无功功率的暂态能量。逆变器的作用是根据控制电路生成的补偿电流指令,将直流电能转换为交流电能,产生与电网中谐波和无功电流大小相等、方向相反的补偿电流,通过电抗器注入电网,从而抵消电网中的谐波和无功电流,使电网电流恢复为正弦波,提高功率因数。交流侧滤波电感用于平滑输出电流波形,抑制开关频率纹波,并隔离高频噪声。
3.2 控制电路
控制电路主要包含电流检测模块、补偿电流指令生成模块和电流跟踪控制模块。
3.2.1 电流检测模块
电流检测模块肩负着实时准确检测电网电流和负载电流的重要任务。采用 SRF 算法,将检测到的三相电流从 abc 坐标系转换到 dq 坐标系,通过低通滤波器分离出基波有功电流分量,进而计算出谐波和无功电流分量。
3.2.2 补偿电流指令生成模块
补偿电流指令生成模块依据电流检测模块提取出的谐波和无功电流分量,生成相应的补偿电流指令信号。该指令信号作为控制逆变器输出补偿电流的依据,以确保逆变器产生的补偿电流能够精确抵消电网中的谐波和无功电流。
3.2.3 电流跟踪控制模块
电流跟踪控制模块运用脉冲宽度调制(PWM)技术来精确控制逆变器的工作。常见的 PWM 技术包括正弦脉宽调制(SPWM)和空间矢量调制(SVM)等。以 SVM 为例,它通过将逆变器的输出电压空间矢量进行合理组合和切换,使逆变器输出的电压波形更接近正弦波,从而提高逆变器的效率和输出波形质量。电流跟踪控制模块根据补偿电流指令信号与逆变器实际输出电流的偏差,通过调节 PWM 信号的占空比,控制逆变器功率开关器件的导通和关断时间,使逆变器输出的补偿电流能够快速、准确地跟踪补偿电流指令,实现对电网谐波和无功电流的有效补偿。
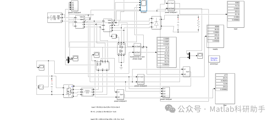
四、仿真电路设计
基于 MATLAB/Simulink 平台搭建采用 SRF 算法的分流有源滤波器仿真电路,该仿真电路主要涵盖以下几个关键部分:
4.1 电源模块
采用三相交流电压源来模拟实际电网电源,设置其线电压有效值为 380V,频率为 50Hz。
4.2 负载模块
为了模拟实际电力系统中的复杂负载情况,构建了包含非线性负载和线性负载的混合负载模型。非线性负载采用三相不控整流桥连接阻感负载的形式,以产生丰富的谐波电流;线性负载则采用电阻和电感串联的形式。通过调整负载参数,可以研究不同类型负载特性对分流有源滤波器性能的影响。
4.3 分流有源滤波器模块
该模块包含前面所述的主电路和控制电路部分。主电路中的三相电压型逆变器直流侧电容取值为 4700μF,交流侧滤波电感取值为 5mH。控制电路中的电流检测模块、补偿电流指令生成模块和电流跟踪控制模块均通过编写 S 函数来实现 SRF 算法及相关控制策略。
4.4 测量与分析模块
在仿真电路中设置了多个电流、电压测量点,用于采集电网电流、负载电流、滤波器补偿电流等信号。利用 Simulink 提供的测量与分析工具,如示波器、功率分析仪等,对采集到的信号进行实时监测和分析,以评估分流有源滤波器在降低谐波和无功功率方面的性能。
五、仿真结果分析
5.1 谐波抑制效果
在未接入分流有源滤波器时,由于非线性负载的作用,电网电流波形严重畸变,呈现出明显的非正弦特性。通过傅里叶分析计算得到此时电网电流的总谐波畸变率(THD)较高,达到 35% 左右。
当接入采用 SRF 算法的分流有源滤波器后,滤波器迅速检测并计算出电网中的谐波电流分量,然后通过逆变器产生相应的补偿电流注入电网。从示波器监测到的电网电流波形可以明显看出,经过滤波器补偿后,电网电流波形得到了极大的改善,趋近于正弦波。再次进行傅里叶分析,此时电网电流的 THD 显著降低,降至 5% 以下,完全满足国家标准对电网谐波的严格要求(THD≤5%)。这清晰地表明,基于 SRF 算法的分流有源滤波器在抑制谐波方面具有卓越的效果,能够有效地消除非线性负载产生的谐波电流对电网的污染,提高电网的电能质量。
5.2 无功补偿效果
在未接入分流有源滤波器时,由于负载中存在感性和容性成分,导致电网的功率因数较低,经测量此时电网的功率因数约为 0.7 左右。这意味着电网需要传输更多的视在功率来满足负载的需求,从而增加了电网的传输损耗和设备的负担。
接入滤波器后,滤波器不仅能够有效地补偿谐波电流,还能够根据负载的无功需求,产生相应的基波无功补偿电流注入电网。通过功率分析仪测量得到,接入滤波器后电网的功率因数得到了显著提高,提升至 0.95 以上。这表明基于 SRF 算法的分流有源滤波器能够准确地检测和补偿负载所需的无功功率,使电网的功率因数得到大幅提升,从而提高了电力系统的效率,降低了电网的传输损耗,减轻了设备的负担,增强了电力系统的稳定性。
六、结论
本文深入研究并设计了一种采用 SRF 算法的分流有源滤波器,并借助 MATLAB/Simulink 强大的仿真平台搭建了完整的仿真电路。通过全面细致的仿真分析,结果清晰明确地表明,该滤波器在检测和补偿电网中的谐波和无功电流方面表现出色,能够显著降低电网电流的 THD,使其满足国家标准要求,同时大幅度提高电网的功率因数,将功率因数提升至 0.95 以上。这充分证明了基于 SRF 算法的分流有源滤波器具有良好的谐波抑制和无功补偿效果,在改善电力系统电能质量方面具有巨大的潜力和实际应用价值。
SRF 算法作为一种高效、精准的谐波和无功电流检测方法,为分流有源滤波器的性能提升提供了有力支撑,在分流有源滤波器领域展现出了广阔的应用前景。然而,电力系统环境复杂多变,未来仍需进一步深入研究和持续优化 SRF 算法的性能。例如,通过改进算法结构和参数优化,进一步提高检测精度,使其能够更精准地识别和处理复杂谐波成分;加快响应速度,以更快地适应电网工况的快速变化,更好地应对各种突发情况和负载突变。同时,积极探索多电平逆变器在分流有源滤波器中的应用,充分发挥多电平逆变器输出电压谐波含量低、输出功率大、效率高等优势,进一步提升滤波器的输出功率和效率,以满足日益增长的电力系统对高品质电能的需求。相信通过不断的研究创新和技术改进,基于 SRF 算法的分流有源滤波器将在电力系统谐波治理和无功补偿领域发挥更为重要的作用,为构建更加稳定、高效、可靠的智能电网贡献关键力量。
⛳️ 运行结果



🔗 参考文献
[1] 戴文进,陈铭,李红云.基于三相并联混合有源滤波器的直接功率控制理论[J].通信电源技术, 2008, 25(2):4.DOI:10.3969/j.issn.1009-3664.2008.02.009.
[2] 徐云燕,蒋应伟,侯凯.三相同步锁相环(SRF—PLL)的参数优化及其工程应用设计[J].电气应用, 2014(2):7.DOI:CNKI:SUN:DGJZ.0.2014-02-019.
[3] 童立青,钱照明,彭方正.同步旋转坐标谐波检测法的数学建模及数字实现[J].中国电机工程学报, 2009.DOI:CNKI:SUN:ZGDC.0.2009-19-018.
📣 部分代码
🎈 部分理论引用网络文献,若有侵权联系博主删除
👇 关注我领取海量matlab电子书和数学建模资料
🏆团队擅长辅导定制多种科研领域MATLAB仿真,助力科研梦:
🌈 各类智能优化算法改进及应用
生产调度、经济调度、装配线调度、充电优化、车间调度、发车优化、水库调度、三维装箱、物流选址、货位优化、公交排班优化、充电桩布局优化、车间布局优化、集装箱船配载优化、水泵组合优化、解医疗资源分配优化、设施布局优化、可视域基站和无人机选址优化、背包问题、 风电场布局、时隙分配优化、 最佳分布式发电单元分配、多阶段管道维修、 工厂-中心-需求点三级选址问题、 应急生活物质配送中心选址、 基站选址、 道路灯柱布置、 枢纽节点部署、 输电线路台风监测装置、 集装箱调度、 机组优化、 投资优化组合、云服务器组合优化、 天线线性阵列分布优化、CVRP问题、VRPPD问题、多中心VRP问题、多层网络的VRP问题、多中心多车型的VRP问题、 动态VRP问题、双层车辆路径规划(2E-VRP)、充电车辆路径规划(EVRP)、油电混合车辆路径规划、混合流水车间问题、 订单拆分调度问题、 公交车的调度排班优化问题、航班摆渡车辆调度问题、选址路径规划问题、港口调度、港口岸桥调度、停机位分配、机场航班调度、泄漏源定位
🌈 机器学习和深度学习时序、回归、分类、聚类和降维
2.1 bp时序、回归预测和分类
2.2 ENS声神经网络时序、回归预测和分类
2.3 SVM/CNN-SVM/LSSVM/RVM支持向量机系列时序、回归预测和分类
2.4 CNN|TCN|GCN卷积神经网络系列时序、回归预测和分类
2.5 ELM/KELM/RELM/DELM极限学习机系列时序、回归预测和分类
2.6 GRU/Bi-GRU/CNN-GRU/CNN-BiGRU门控神经网络时序、回归预测和分类
2.7 ELMAN递归神经网络时序、回归\预测和分类
2.8 LSTM/BiLSTM/CNN-LSTM/CNN-BiLSTM/长短记忆神经网络系列时序、回归预测和分类
2.9 RBF径向基神经网络时序、回归预测和分类
2.10 DBN深度置信网络时序、回归预测和分类
2.11 FNN模糊神经网络时序、回归预测
2.12 RF随机森林时序、回归预测和分类
2.13 BLS宽度学习时序、回归预测和分类
2.14 PNN脉冲神经网络分类
2.15 模糊小波神经网络预测和分类
2.16 时序、回归预测和分类
2.17 时序、回归预测预测和分类
2.18 XGBOOST集成学习时序、回归预测预测和分类
2.19 Transform各类组合时序、回归预测预测和分类
方向涵盖风电预测、光伏预测、电池寿命预测、辐射源识别、交通流预测、负荷预测、股价预测、PM2.5浓度预测、电池健康状态预测、用电量预测、水体光学参数反演、NLOS信号识别、地铁停车精准预测、变压器故障诊断
🌈图像处理方面
图像识别、图像分割、图像检测、图像隐藏、图像配准、图像拼接、图像融合、图像增强、图像压缩感知
🌈 路径规划方面
旅行商问题(TSP)、车辆路径问题(VRP、MVRP、CVRP、VRPTW等)、无人机三维路径规划、无人机协同、无人机编队、机器人路径规划、栅格地图路径规划、多式联运运输问题、 充电车辆路径规划(EVRP)、 双层车辆路径规划(2E-VRP)、 油电混合车辆路径规划、 船舶航迹规划、 全路径规划规划、 仓储巡逻
🌈 无人机应用方面
无人机路径规划、无人机控制、无人机编队、无人机协同、无人机任务分配、无人机安全通信轨迹在线优化、车辆协同无人机路径规划
🌈 通信方面
传感器部署优化、通信协议优化、路由优化、目标定位优化、Dv-Hop定位优化、Leach协议优化、WSN覆盖优化、组播优化、RSSI定位优化、水声通信、通信上传下载分配
🌈 信号处理方面
信号识别、信号加密、信号去噪、信号增强、雷达信号处理、信号水印嵌入提取、肌电信号、脑电信号、信号配时优化、心电信号、DOA估计、编码译码、变分模态分解、管道泄漏、滤波器、数字信号处理+传输+分析+去噪、数字信号调制、误码率、信号估计、DTMF、信号检测
🌈电力系统方面
微电网优化、无功优化、配电网重构、储能配置、有序充电、MPPT优化、家庭用电
🌈 元胞自动机方面
交通流 人群疏散 病毒扩散 晶体生长 金属腐蚀
🌈 雷达方面
卡尔曼滤波跟踪、航迹关联、航迹融合、SOC估计、阵列优化、NLOS识别
🌈 车间调度
零等待流水车间调度问题NWFSP 、 置换流水车间调度问题PFSP、 混合流水车间调度问题HFSP 、零空闲流水车间调度问题NIFSP、分布式置换流水车间调度问题 DPFSP、阻塞流水车间调度问题BFSP
👇

被折叠的 条评论
为什么被折叠?



