✅作者简介:热爱科研的Matlab仿真开发者,擅长数据处理、建模仿真、程序设计、完整代码获取、论文复现及科研仿真。
🍎 往期回顾关注个人主页:Matlab科研工作室
🍊个人信条:格物致知,完整Matlab代码及仿真咨询内容私信。
🔥 内容介绍
一、研究背景与意义
随着电力电子技术的飞速发展,变频器、整流器、电弧炉等非线性负载在工业生产与日常生活中的应用愈发广泛。这些负载在实现能量转换与控制的同时,会向电网注入大量谐波电流,引发电压畸变、功率因数降低、设备过热等一系列问题,严重威胁电力系统的安全稳定运行,还会干扰精密电子设备的正常工作,造成巨大的经济损失。据统计,工业发达地区因谐波污染导致的电力设备故障和生产损失每年可达数亿元,因此有效治理谐波污染、提升电能质量已成为电力领域亟待解决的关键课题。
三相并联有源电力滤波器(Shunt Active Power Filter,SAPF)作为一种高效的电能质量治理装置,通过实时检测谐波电流并注入大小相等、方向相反的补偿电流,可实现电网电流的正弦化,同时兼具无功补偿、三相不平衡治理等功能,相较于传统无源滤波器具有动态响应快、补偿精度高、适用频段宽等显著优势。而dq0变换(同步旋转坐标系变换)作为电力系统分析与控制的核心工具,能够将三相静止坐标系(abc坐标系)下时变的交流量转换为同步旋转坐标系(dq坐标系)下的直流量,有效简化谐波检测与控制算法的设计,大幅提升SAPF的控制性能。因此,开展基于dq0变换的三相并联有源电力滤波器研究,对推动电能质量治理技术的发展、保障电力系统安全经济运行具有重要的理论价值与工程意义。
二、核心理论基础:dq0变换原理
2.1 dq0变换的定义与本质
dq0变换又称Park变换,是一种通过线性正交变换将三相交流系统的物理量从abc三相静止坐标系转换到dq0旋转坐标系的数学方法,其本质是建立一个与电网基波电压同步旋转的参考框架,将时变的交流信号转化为恒定的直流信号,从而简化动态系统的分析与控制流程。该变换通常分为两步:首先通过Clarke变换将abc三相量转换为αβ0两相静止坐标系下的分量,实现三相系统向两相系统的降维;再通过Park变换将αβ0分量转换为dq0旋转坐标系下的分量,完成时变量向直流量的转化。
2.2 数学表达式
从abc坐标系到dq0坐标系的变换矩阵如下所示,其中θ为旋转坐标系与a相电压的夹角,随时间同步变化:
$$ \begin{bmatrix} x_d \\ x_q \\ x_0 \end{bmatrix} = \frac{2}{3} \begin{bmatrix} \cos\theta & \cos\left(\theta - \frac{2\pi}{3}\right) & \cos\left(\theta + \frac{2\pi}{3}\right) \\ -\sin\theta & -\sin\left(\theta - \frac{2\pi}{3}\right) & -\sin\left(\theta + \frac{2\pi}{3}\right) \\ \frac{1}{2} & \frac{1}{2} & \frac{1}{2} \end{bmatrix} \begin{bmatrix} x_a \\ x_b \\ x_c \end{bmatrix} $$
式中,x、x分别为dq旋转坐标系下的直轴和交轴分量,x为零序分量。在对称三相系统中,零序分量x为零,可忽略不计,进一步简化模型复杂度。通过逆变换,可将dq0坐标系下的控制量转换回abc坐标系,用于驱动电力电子器件。
2.3 在SAPF中的应用优势
dq0变换在三相并联有源电力滤波器中的应用优势主要体现在三个方面:一是解耦控制,可将复杂的三相电流控制分解为d轴和q轴上独立的直流控制,实现有功功率与无功功率的分离调节;二是简化算法设计,直流量的控制可采用成熟的PI调节器实现无静差跟踪,避免了对时变交流量的复杂控制;三是提升动态性能,旋转坐标系与电网基波同步,能够实时跟踪系统状态变化,快速响应负载谐波的波动。
三、三相并联有源电力滤波器系统设计
3.1 系统整体结构
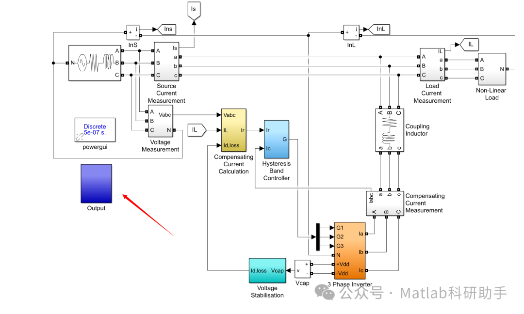
基于dq0变换的三相并联有源电力滤波器主要由主电路和控制电路两部分组成。主电路采用三相电压型逆变器拓扑,通过IGBT或IPM功率模块实现电能的转换,其一端与电网并联接入负载侧,另一端连接直流侧储能电容;控制电路作为系统的“大脑”,负责信号采集、谐波检测、指令生成与PWM驱动等功能,通常以数字信号处理器(DSP)为核心,确保控制算法的实时高效运行。
3.2 主电路参数设计
-
功率开关器件选型:根据系统额定电压与电流,选用合适规格的IGBT器件,需满足电压裕量≥1.5倍额定电压、电流裕量≥2倍额定电流,确保器件安全工作。
-
直流侧电容:主要用于维持直流母线电压稳定,其容量需根据允许的电压波动范围计算,通常选取数千微法的电解电容或薄膜电容,同时需考虑散热与寿命问题。
-
交流侧滤波电感:用于抑制逆变器输出电流的开关谐波,减小电流脉动,其电感值需在动态响应速度与谐波抑制效果之间权衡,通常选取毫亨级电感。
3.3 控制电路模块构成
控制电路主要包含四个核心模块:
-
信号采集模块:通过霍尔电流传感器采集电网电流、负载电流和逆变器输出电流,通过电压传感器采集电网电压和直流侧电压,经信号调理电路转换为DSP可处理的数字信号。
-
dq0变换与谐波检测模块:基于采集的信号完成dq0坐标变换,分离基波分量与谐波分量,生成补偿电流指令。
-
电流跟踪与电压控制模块:采用相应的控制算法使逆变器输出电流跟踪补偿电流指令,同时通过调节有功功率交换维持直流侧电压稳定。
-
PWM驱动模块:根据控制信号生成PWM驱动脉冲,控制IGBT的开关状态,实现补偿电流的精准输出。
四、基于dq0变换的控制策略
基于dq0变换的SAPF控制策略核心分为三大环节:谐波电流检测、补偿电流跟踪控制和直流侧电压控制,各环节协同工作确保滤波与补偿效果。
4.1 谐波电流检测算法
基于dq0变换的谐波电流检测算法原理如下:首先将采集的负载电流转换至dq0坐标系,由于基波分量在dq坐标系下表现为恒定直流量,而谐波分量表现为交流脉动分量,通过低通滤波器(LPF)可滤除脉动的谐波分量,得到基波电流的dq分量;再将原始负载电流的dq分量与基波电流的dq分量相减,得到谐波电流的dq分量;最后通过逆dq0变换将谐波电流的dq分量转换回abc坐标系,即为补偿电流指令信号。该算法检测精度高、动态响应快,能够有效分离各次谐波分量,适用于复杂负载场景。
4.2 补偿电流跟踪控制
补偿电流跟踪控制的目标是使逆变器输出电流精准跟随指令电流,常用方法主要有三种:
-
滞环电流控制:将指令电流与实际输出电流的差值与预设滞环带宽比较,直接控制IGBT的开关状态。该方法响应速度快(开关频率可达10kHz以上),控制逻辑简单,但开关频率不固定,易产生开关损耗,且可能影响电网侧电能质量。
-
PI+PWM控制:通过dq0变换将三相电流跟踪问题转化为dq轴上的直流跟踪问题,采用PI调节器对跟踪误差进行无静差调节,输出调制信号与三角载波比较生成固定频率的PWM波。该方法开关频率稳定,便于交流侧滤波器设计,是目前应用最广泛的控制方法之一。
-
模型预测电流控制(MPCC):建立逆变器的数学模型,根据当前系统状态预测未来时刻的输出电流,通过滚动优化选择最优开关状态。该方法动态响应快、鲁棒性强,适用于非线性和时变系统,但计算量较大,对DSP的运算能力要求较高。
4.3 直流侧电压控制
直流侧电压的稳定是SAPF正常工作的前提,直接影响补偿电流的输出精度。基于dq0变换的直流侧电压控制原理如下:通过检测直流侧电压实际值与参考值的差值,经PI调节器输出d轴电流的修正量;由于d轴电流对应系统的有功功率,调节d轴电流可改变逆变器与电网之间的有功功率交换,从而使直流侧电压稳定在参考值附近。为提升电压稳定性,可在PI调节基础上引入前馈控制,补偿负载变化对直流电压的影响,减少电压波动。
五、改进与优化方向
尽管基于dq0变换的SAPF技术已较为成熟,但在复杂电网环境下仍存在提升空间,未来改进与优化方向主要集中在以下方面:
-
自适应谐波检测优化:针对电网频率波动或电压畸变场景,将自适应滤波器(如LMS算法)与dq0变换结合,优化基波提取过程,提高谐波检测精度,增强系统对复杂工况的适应性。
-
多目标优化控制:在谐波抑制和无功补偿基础上,增加负序电流补偿功能,实现三相不平衡治理,拓宽SAPF的应用范围;同时引入权重系数优化,平衡电流跟踪精度、开关损耗与系统稳定性。
-
模型预测控制改进:结合并行计算等快速计算算法降低MPCC的计算量,提升控制实时性;融入人工智能算法(如神经网络、模糊控制)优化控制参数,实现控制策略的自适应调整。
-
模块化与高压化设计:采用模块化多电平 converter(MMC)拓扑,提高SAPF的容量和耐压等级,适用于中高压电力系统;通过模块化设计降低设备体积与成本,提升系统的可扩展性与维护性。
六、结论
dq0变换通过将三相交流量转换为直流量,有效简化了三相并联有源电力滤波器的控制复杂度,提升了控制精度与动态响应性能,是SAPF技术发展的核心支撑之一。基于dq0变换的SAPF系统通过合理的电路设计与控制策略,能够高效实现谐波抑制、无功补偿与三相不平衡治理,显著提升电能质量。未来通过控制算法的优化、拓扑结构的创新以及智能技术的融合,基于dq0变换的SAPF将在中高压电力系统、新能源并网等领域发挥更大作用,为电力系统的安全稳定运行提供更可靠的保障。
⛳️ 运行结果







🔗 参考文献
[1] 严肃.基于矩阵变换器的永磁同步电机控制系统研究[D].西南交通大学,2014.
[2] 黄佳林.基于模型预测控制的四桥臂有源电力滤波器研究[D].深圳大学,2022.
[3] 陈继忠,叶鹏,杨玉鹏.向三相不平衡负荷供电的VSC-HVDC系统仿真研究[C]//中国电机工程学会青年学术会议.中国电机工程学会, 2008.
📣 部分代码
🎈 部分理论引用网络文献,若有侵权联系博主删除
👇 关注我领取海量matlab电子书和数学建模资料
🏆团队擅长辅导定制多种科研领域MATLAB仿真,助力科研梦:
🌈 各类智能优化算法改进及应用
生产调度、经济调度、装配线调度、充电优化、车间调度、发车优化、水库调度、三维装箱、物流选址、货位优化、公交排班优化、充电桩布局优化、车间布局优化、集装箱船配载优化、水泵组合优化、解医疗资源分配优化、设施布局优化、可视域基站和无人机选址优化、背包问题、 风电场布局、时隙分配优化、 最佳分布式发电单元分配、多阶段管道维修、 工厂-中心-需求点三级选址问题、 应急生活物质配送中心选址、 基站选址、 道路灯柱布置、 枢纽节点部署、 输电线路台风监测装置、 集装箱调度、 机组优化、 投资优化组合、云服务器组合优化、 天线线性阵列分布优化、CVRP问题、VRPPD问题、多中心VRP问题、多层网络的VRP问题、多中心多车型的VRP问题、 动态VRP问题、双层车辆路径规划(2E-VRP)、充电车辆路径规划(EVRP)、油电混合车辆路径规划、混合流水车间问题、 订单拆分调度问题、 公交车的调度排班优化问题、航班摆渡车辆调度问题、选址路径规划问题、港口调度、港口岸桥调度、停机位分配、机场航班调度、泄漏源定位
🌈 机器学习和深度学习时序、回归、分类、聚类和降维
2.1 bp时序、回归预测和分类
2.2 ENS声神经网络时序、回归预测和分类
2.3 SVM/CNN-SVM/LSSVM/RVM支持向量机系列时序、回归预测和分类
2.4 CNN|TCN|GCN卷积神经网络系列时序、回归预测和分类
2.5 ELM/KELM/RELM/DELM极限学习机系列时序、回归预测和分类
2.6 GRU/Bi-GRU/CNN-GRU/CNN-BiGRU门控神经网络时序、回归预测和分类
2.7 ELMAN递归神经网络时序、回归\预测和分类
2.8 LSTM/BiLSTM/CNN-LSTM/CNN-BiLSTM/长短记忆神经网络系列时序、回归预测和分类
2.9 RBF径向基神经网络时序、回归预测和分类
2.10 DBN深度置信网络时序、回归预测和分类
2.11 FNN模糊神经网络时序、回归预测
2.12 RF随机森林时序、回归预测和分类
2.13 BLS宽度学习时序、回归预测和分类
2.14 PNN脉冲神经网络分类
2.15 模糊小波神经网络预测和分类
2.16 时序、回归预测和分类
2.17 时序、回归预测预测和分类
2.18 XGBOOST集成学习时序、回归预测预测和分类
2.19 Transform各类组合时序、回归预测预测和分类
方向涵盖风电预测、光伏预测、电池寿命预测、辐射源识别、交通流预测、负荷预测、股价预测、PM2.5浓度预测、电池健康状态预测、用电量预测、水体光学参数反演、NLOS信号识别、地铁停车精准预测、变压器故障诊断
🌈图像处理方面
图像识别、图像分割、图像检测、图像隐藏、图像配准、图像拼接、图像融合、图像增强、图像压缩感知
🌈 路径规划方面
旅行商问题(TSP)、车辆路径问题(VRP、MVRP、CVRP、VRPTW等)、无人机三维路径规划、无人机协同、无人机编队、机器人路径规划、栅格地图路径规划、多式联运运输问题、 充电车辆路径规划(EVRP)、 双层车辆路径规划(2E-VRP)、 油电混合车辆路径规划、 船舶航迹规划、 全路径规划规划、 仓储巡逻
🌈 无人机应用方面
无人机路径规划、无人机控制、无人机编队、无人机协同、无人机任务分配、无人机安全通信轨迹在线优化、车辆协同无人机路径规划
🌈 通信方面
传感器部署优化、通信协议优化、路由优化、目标定位优化、Dv-Hop定位优化、Leach协议优化、WSN覆盖优化、组播优化、RSSI定位优化、水声通信、通信上传下载分配
🌈 信号处理方面
信号识别、信号加密、信号去噪、信号增强、雷达信号处理、信号水印嵌入提取、肌电信号、脑电信号、信号配时优化、心电信号、DOA估计、编码译码、变分模态分解、管道泄漏、滤波器、数字信号处理+传输+分析+去噪、数字信号调制、误码率、信号估计、DTMF、信号检测
🌈电力系统方面
微电网优化、无功优化、配电网重构、储能配置、有序充电、MPPT优化、家庭用电
🌈 元胞自动机方面
交通流 人群疏散 病毒扩散 晶体生长 金属腐蚀
🌈 雷达方面
卡尔曼滤波跟踪、航迹关联、航迹融合、SOC估计、阵列优化、NLOS识别
🌈 车间调度
零等待流水车间调度问题NWFSP 、 置换流水车间调度问题PFSP、 混合流水车间调度问题HFSP 、零空闲流水车间调度问题NIFSP、分布式置换流水车间调度问题 DPFSP、阻塞流水车间调度问题BFSP
👇
886

被折叠的 条评论
为什么被折叠?



