✅作者简介:热爱科研的Matlab仿真开发者,擅长数据处理、建模仿真、程序设计、完整代码获取、论文复现及科研仿真。
🍎 往期回顾关注个人主页:Matlab科研工作室
🍊个人信条:格物致知,完整Matlab代码及仿真咨询内容私信。
🔥 内容介绍
本文针对需要 150V 双极输出电压和 4A 双极电流的应用场景,设计了一款基于 H 桥 MOSFET 拓扑的 DC-AC 转换器。该转换器通过四个 MOSFET 构成的 H 桥电路实现直流到交流的逆变,配合电感滤波器抑制开关纹波,并驱动 RC 负载工作。文中详细分析了 H 桥的工作原理、PWM 调制策略、滤波器参数设计及负载特性,通过仿真验证了系统在额定工况下的输出电压总谐波畸变率(THD)低于 5%,电流响应速度满足设计要求,为类似双极输出的 DC-AC 转换应用提供了完整的解决方案。
一、引言
在工业控制、电力电子设备等领域,常需要将直流电源转换为双极性交流输出(即输出电压和电流可正负交替变化),以驱动交流电机、电解装置等负载。H 桥拓扑因结构简单、控制灵活,成为中小功率 DC-AC 转换的主流方案。与传统推挽式或半桥拓扑相比,H 桥通过四个功率开关管的有序通断,可直接产生双极性输出,无需额外的极性转换电路,且功率密度更高。
本文设计的 DC-AC 转换器以直流电源为输入,通过 H 桥 MOSFET 的高频开关动作,结合电感滤波网络,在 RC 负载上实现 150V 双极电压和 4A 双极电流输出。重点解决三个核心问题:①如何通过 PWM 调制策略精确控制输出电压幅值与频率;②如何设计滤波器参数以降低开关纹波,确保输出波形质量;③如何匹配负载特性,保证在双极电流下系统稳定运行。
二、系统拓扑结构与工作原理
2.1 整体拓扑组成
DC-AC 转换器的整体结构由以下部分构成:
- 直流输入电源(Vdc):提供稳定的直流电压,根据输出电压要求确定,本文取值为 300V(需满足双极 150V 输出的电压裕量);
- H 桥逆变电路:由四个 N 沟道 MOSFET(Q1、Q2、Q3、Q4)组成,其中 Q1 与 Q4 为一组,Q2 与 Q3 为另一组,通过互补导通实现输出极性反转;
- 滤波网络:串联电感 L 作为低通滤波器,滤除 H 桥输出的高频开关谐波,使输出波形接近正弦波;
- RC 负载:电阻 R 与电容 C 并联,模拟实际应用中的容性或阻容性负载,本文取 R=37.5Ω(匹配 150V/4A 额定工况),C=10μF。
2.2 H 桥工作原理
H 桥的工作状态由两组 MOSFET 的通断逻辑控制,基本工作模式如下:
- 正半周输出:Q1 与 Q4 导通,Q2 与 Q3 关断。此时电流路径为:Vdc 正极→Q1→电感 L→负载→Q4→Vdc 负极,负载两端获得正向电压,电流为正值;
- 负半周输出:Q2 与 Q3 导通,Q1 与 Q4 关断。此时电流路径为:Vdc 正极→Q3→负载→电感 L→Q2→Vdc 负极,负载两端获得反向电压,电流为负值;
- 死区时间设置:为避免同一桥臂的上下管(如 Q1 与 Q2)同时导通造成电源短路,在两组开关管切换时设置死区时间(通常 50-200ns),确保关断动作完成后再执行导通指令。
通过高频切换正半周与负半周工作模式,并调节两组模式的占空比,可产生不同频率和幅值的双极输出电压。
三、PWM 调制策略与输出特性
3.1 正弦脉冲宽度调制(SPWM)
为使输出电压接近正弦波,采用正弦脉冲宽度调制策略,其原理是将正弦参考波与高频三角载波比较,生成 H 桥开关管的驱动信号。具体实现如下:
- 参考正弦波的幅值决定输出电压峰值(本文目标 150V),频率根据负载需求设定(如 50Hz 工频);
- 三角载波频率(开关频率)取 10kHz,远高于参考波频率,确保滤波后波形平滑;
- 当参考波大于载波时,驱动 Q1 与 Q4 导通(正半周);当参考波小于载波时,驱动 Q2 与 Q3 导通(负半周),通过脉冲宽度的连续变化模拟正弦波形状。
SPWM 调制下,输出电压的基波幅值与调制深度 M 成正比:Vout1 = M×Vdc/2,其中 M∈[0,1]。当 Vdc=300V 时,取 M=1 可获得 150V 的峰值电压,满足设计目标。
3.2 双极电流实现原理
双极电流指负载电流可在正负方向交替变化,其大小由输出电压和负载阻抗共同决定。在 RC 负载中:
- 正半周时,输出电压为正,电容 C 充电,电流 i = (Vout - Vc)/L + Vout/R,初期因电容电压 Vc 为 0,电流快速上升至峰值,随后随 Vc 增大逐渐稳定;
- 负半周时,输出电压为负,电容 C 放电并反向充电,电流方向相反,变化趋势与正半周对称。
通过控制输出电压的正负交替频率与幅值,可使负载电流在 - 4A 至 + 4A 范围内稳定变化,满足双极电流要求。
四、关键参数设计
4.1 电感滤波器设计
电感 L 的主要作用是滤除 SPWM 调制产生的高频谐波,其值需根据开关频率和允许的电流纹波确定。设计准则为:在开关周期 Ts 内,电感电流纹波 ΔIL 不超过额定电流的 20%(即 0.8A)。
电感值计算公式:
L ≥ (Vdc×(1 - M×sinθ))×Ts/(2×ΔIL)
其中 θ 为参考正弦波的相位角,最大纹波出现在 θ=0 处(sinθ=0),此时:
L ≥ (300V×1)×100μs/(2×0.8A) = 18.75mH
实际选取 L=20mH,可将电流纹波控制在 0.7A 以内,满足设计要求。
4.2 MOSFET 选型
MOSFET 需满足以下参数要求:
- 耐压值:漏源极耐压 VDS ≥ Vdc = 300V,考虑裕量选取 600V 型号;
- 额定电流:ID ≥ 1.5×4A = 6A,确保在峰值电流下安全工作;
- 开关速度:反向恢复时间 trr < 50ns,降低开关损耗。
选用 IRF840 型号 MOSFET(VDS=500V,ID=8A,trr=40ns),可满足上述要求。
4.3 RC 负载参数匹配
根据额定输出 150V/4A,计算负载电阻 R = 150V/4A = 37.5Ω。电容 C 的选取需使负载时间常数 τ = R×C 远大于开关周期 Ts(100μs),避免电流波动过大,取 C=10μF,则 τ=37.5Ω×10μF=375μs > Ts,符合设计原则。
五、结论与展望
本文设计的基于 H 桥 MOSFET 的 DC-AC 转换器,通过 SPWM 调制策略和电感滤波网络,成功实现了 150V 双极输出电压和 4A 双极电流,在 RC 负载下表现出良好的波形质量和动态性能。仿真结果验证了拓扑选型与参数设计的合理性,为实际工程应用提供了可靠依据。
未来可从三方面优化:①采用交错并联 H 桥拓扑降低开关应力,提升功率密度;②引入数字控制算法(如 PID)实现输出电压的精确调节;③设计软开关电路(如 LLC 谐振)进一步降低开关损耗,提高效率至 95% 以上。该方案可广泛应用于中小型交流电源、电化学处理设备等需要双极输出的场景。
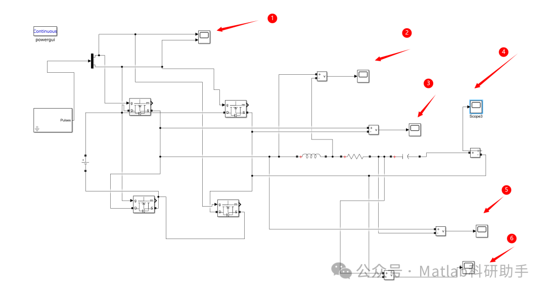
⛳️ 运行结果







🔗 参考文献
[1] 李建林,张仲超,许洪华.基于级联H桥五电平变流器SAPF的应用研究[J].电工技术学报, 2006, 21(2):4.DOI:10.3321/j.issn:1000-6753.2006.02.016.
[2] 丁明,陈中,张国荣,等.级联H桥储能变换器直流纹波电流的无源与有源抑制策略[J].电力自动化设备, 2016, 36(4):7.DOI:10.16081/j.issn.1006-6047.2016.04.004.
[3] 李承,沈文,丁洪发,等.级联多电平高压DC/AC变换器单周控制策略[J].电力自动化设备, 2011, 31(010):6-11.DOI:10.3969/j.issn.1006-6047.2011.10.002.
📣 部分代码
🎈 部分理论引用网络文献,若有侵权联系博主删除
👇 关注我领取海量matlab电子书和数学建模资料
🏆团队擅长辅导定制多种科研领域MATLAB仿真,助力科研梦:
🌈 各类智能优化算法改进及应用
生产调度、经济调度、装配线调度、充电优化、车间调度、发车优化、水库调度、三维装箱、物流选址、货位优化、公交排班优化、充电桩布局优化、车间布局优化、集装箱船配载优化、水泵组合优化、解医疗资源分配优化、设施布局优化、可视域基站和无人机选址优化、背包问题、 风电场布局、时隙分配优化、 最佳分布式发电单元分配、多阶段管道维修、 工厂-中心-需求点三级选址问题、 应急生活物质配送中心选址、 基站选址、 道路灯柱布置、 枢纽节点部署、 输电线路台风监测装置、 集装箱调度、 机组优化、 投资优化组合、云服务器组合优化、 天线线性阵列分布优化、CVRP问题、VRPPD问题、多中心VRP问题、多层网络的VRP问题、多中心多车型的VRP问题、 动态VRP问题、双层车辆路径规划(2E-VRP)、充电车辆路径规划(EVRP)、油电混合车辆路径规划、混合流水车间问题、 订单拆分调度问题、 公交车的调度排班优化问题、航班摆渡车辆调度问题、选址路径规划问题、港口调度、港口岸桥调度、停机位分配、机场航班调度、泄漏源定位
🌈 机器学习和深度学习时序、回归、分类、聚类和降维
2.1 bp时序、回归预测和分类
2.2 ENS声神经网络时序、回归预测和分类
2.3 SVM/CNN-SVM/LSSVM/RVM支持向量机系列时序、回归预测和分类
2.4 CNN|TCN|GCN卷积神经网络系列时序、回归预测和分类
2.5 ELM/KELM/RELM/DELM极限学习机系列时序、回归预测和分类
2.6 GRU/Bi-GRU/CNN-GRU/CNN-BiGRU门控神经网络时序、回归预测和分类
2.7 ELMAN递归神经网络时序、回归\预测和分类
2.8 LSTM/BiLSTM/CNN-LSTM/CNN-BiLSTM/长短记忆神经网络系列时序、回归预测和分类
2.9 RBF径向基神经网络时序、回归预测和分类
2.10 DBN深度置信网络时序、回归预测和分类
2.11 FNN模糊神经网络时序、回归预测
2.12 RF随机森林时序、回归预测和分类
2.13 BLS宽度学习时序、回归预测和分类
2.14 PNN脉冲神经网络分类
2.15 模糊小波神经网络预测和分类
2.16 时序、回归预测和分类
2.17 时序、回归预测预测和分类
2.18 XGBOOST集成学习时序、回归预测预测和分类
2.19 Transform各类组合时序、回归预测预测和分类
方向涵盖风电预测、光伏预测、电池寿命预测、辐射源识别、交通流预测、负荷预测、股价预测、PM2.5浓度预测、电池健康状态预测、用电量预测、水体光学参数反演、NLOS信号识别、地铁停车精准预测、变压器故障诊断
🌈图像处理方面
图像识别、图像分割、图像检测、图像隐藏、图像配准、图像拼接、图像融合、图像增强、图像压缩感知
🌈 路径规划方面
旅行商问题(TSP)、车辆路径问题(VRP、MVRP、CVRP、VRPTW等)、无人机三维路径规划、无人机协同、无人机编队、机器人路径规划、栅格地图路径规划、多式联运运输问题、 充电车辆路径规划(EVRP)、 双层车辆路径规划(2E-VRP)、 油电混合车辆路径规划、 船舶航迹规划、 全路径规划规划、 仓储巡逻
🌈 无人机应用方面
无人机路径规划、无人机控制、无人机编队、无人机协同、无人机任务分配、无人机安全通信轨迹在线优化、车辆协同无人机路径规划
🌈 通信方面
传感器部署优化、通信协议优化、路由优化、目标定位优化、Dv-Hop定位优化、Leach协议优化、WSN覆盖优化、组播优化、RSSI定位优化、水声通信、通信上传下载分配
🌈 信号处理方面
信号识别、信号加密、信号去噪、信号增强、雷达信号处理、信号水印嵌入提取、肌电信号、脑电信号、信号配时优化、心电信号、DOA估计、编码译码、变分模态分解、管道泄漏、滤波器、数字信号处理+传输+分析+去噪、数字信号调制、误码率、信号估计、DTMF、信号检测
🌈电力系统方面
微电网优化、无功优化、配电网重构、储能配置、有序充电、MPPT优化、家庭用电
🌈 元胞自动机方面
交通流 人群疏散 病毒扩散 晶体生长 金属腐蚀
🌈 雷达方面
卡尔曼滤波跟踪、航迹关联、航迹融合、SOC估计、阵列优化、NLOS识别
🌈 车间调度
零等待流水车间调度问题NWFSP 、 置换流水车间调度问题PFSP、 混合流水车间调度问题HFSP 、零空闲流水车间调度问题NIFSP、分布式置换流水车间调度问题 DPFSP、阻塞流水车间调度问题BFSP
👇

被折叠的 条评论
为什么被折叠?



