一、实验目的
1. 掌握各数学模型之间的转换与数学模型的参数获取,掌握相关MATLAB命令
2. 掌握欧拉法和RK法的递推公式
3. 掌握欧拉法和RK法的MATLAB算法实现
二、实验内容
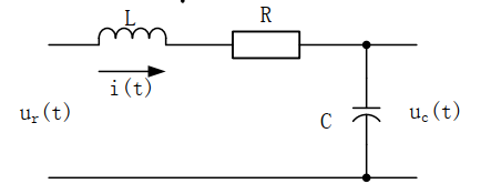
1. 分别用欧拉法和四阶龙格-库塔法求解如下系统:
(1) R=4KΩ, C=1µF, L=1H, 仿真时间: 0.03s
(2) R=280Ω, C=8µF, L=2H,仿真时间: 0.1s

两组参数下电路的单位阶跃响应。 (初始条件均为零)。
2. 熟悉并理解掌握MATLAB模型转换以及参数提取指令(针对上述系统写出它们的运行结果)
G=tf(num,den) G1=tf(G)
G=zpk(z,p,k) G1=zpk(G)
G=ss(A,B,C,D) G3=ss(G)
[num,den]=tfdata(G)
[Z,P,K]=zpkdata(G)
[A,B,C,D]=ssdata(G)
三、实验要求
1. 预习和完成实验内容
2. 完成实验报告,内容至少包括:理论分析,实验程序,程序运行结果以及结果分析。

这篇实验报告详细介绍了如何使用MATLAB进行控制系统数字仿真,包括欧拉法和四阶龙格-库塔法求解电路单位阶跃响应,以及MATLAB中模型转换和参数提取的命令应用。实验涵盖了从状态方程到传递函数的数学模型转换,并展示了实际运行结果。
最低0.47元/天 解锁文章
3124

被折叠的 条评论
为什么被折叠?



