R1
链路层可以提供如下服务
| 链路层服务 | IP能否提供? | TCP能否提供? |
|---|---|---|
| 流量控制 | × | ✔ |
| 差错检测 | ✔ | ✔ |
| 差错纠正 | × | × |
| 全双工、半双工 | × | ✔ |
R2
不冗余
- IP层有丢包的情况
- ⼀个⻓的 TCP 报⽂段会被分⽚成多个 IP 数据报形成不同的帧,不同的帧可能会被不同链路传输。同一条链路上可以保证帧的有序,但不同链路就不能保证有序,导致拼接时候顺序出现问题。所以TCP需要提供按需交付服务,不能直接交付
R9
ARP协议请求在以下情况下使用
- 源节点已知目的IP地址
- 不知⽬的节点 MAC 地址
从而需要获取⽬的节点 MAC 地址。不知道MAC地址的情况下如果不用广播,⽆法编写⼀个链路层帧(链路层帧需要目的节点MAC地址)。
APR协议响应后,目的节点了解源节点MAC地址,可以使用单播节省开销。
R10
问题1. C的适配器会处理帧,但如果检测的MAC地址不是自身MAC地址和广播地址,C的适配器会直接丢弃该帧而不会给网络层。
问题2. MAC地址是广播地址,C的适配器会给网络层
R11
第五次冲突之后,K在[0,25−1][0, 2^5-1][0,25−1]范围内随机选择整数,宣导4的概率为125\frac{1}{2^5}251. 若K=4K=4K=4需要的等待4×512=2048 bits4\times 512 = 2048\ bits4×512=2048 bits,此时需要等待2048×0.1=204.8 microseconds2048\times 0.1 = 204.8\ microseconds2048×0.1=204.8 microseconds
R13
每秒发送10×1000×1000=107 bits10\times 1000\times 1000 = 10^7\ bits10×1000×1000=107 bits,由于全为1,每个bit产生两次跳变,为
2×1072\times 10^72×107
P1
⼆维校验情况如下表所示。
| 数据 | 校验位 | ||||
| 数据 | 1 | 0 | 1 | 0 | 0 |
| 1 | 0 | 1 | 0 | 0 | |
| 1 | 0 | 1 | 0 | 0 | |
| 1 | 0 | 1 | 0 | 1 | |
| 校验位 | 0 | 0 | 0 | 1 | 1 |
P15
A 传输最⼩的帧(576 BITS),而B最迟可在 A 传输224BITS时开始传输(再晚会检测到 A 已在传输),那么A会在224+225=449224 + 225 =449224+225=449BITS时发现冲突,并中断传输。
P16
- 9002∗108+4×2010×106=12.5 microseconds\frac{900}{2*10^8}+\frac{4\times 20}{10\times10^6}=12.5\ microseconds2∗108900+10×1064×20=12.5 microseconds
- 12.5microseconds时,A和B同时检测到冲突,2×12.5=252\times 12.5 = 252×12.5=25 microseconds的时候 A 和 B 收到双⽅因冲突⽽取消前发送的最后⼀位数据,随后 A ⽴即开始重传,于是 A 的全部数据到达 B 的时间为25+12.5+100010×106=137.5 microsecond25 + 12.5 + \frac{1000}{10\times 10^6}=137.5\ microsecond25+12.5+10×1061000=137.5 microsecond
- 转发器需要帧完全到达后再进⾏转发,A的帧全部到达B的时间为12.5+5×100010×106=512.5 microseconds12.5+\frac{5\times1000}{10\times10^6}=512.5\ microseconds12.5+10×1065×1000=512.5 microseconds
P17
| 时间节点 | 事件 |
|---|---|
| 225 bit | A 和 B 同时侦测到冲突 |
| 225 + 48 + 225 = 498 bit | A 和 B 的阻塞信号最后⼀位抵达对⽅ |
| 498 + 96 = 594 bit | A 判断信道空闲并开始传输 |
| 225 + 48 + 512 = 785 bit | B开始侦听信道 |
| 594 + 225 = 819 < 785 + 96 bit | A的帧抵达B,此时 B 仍处于侦听中,发现信道被占用后,将继续等待 |
P19

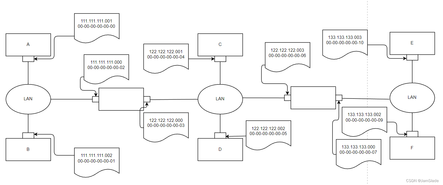
问题d
ARP表都是最新的情况下。 不用获取MAC地址,报文顺序内容如下:MAC地址,保温顺序,源IP地址,目标IP地址内容如下
| 目的MAC地址 | 源MAC地址 | 源IP地址 | 目的IP地址 |
|---|---|---|---|
| 00-00-00-00-00-02 | 00-00-00-00-00-00 | 111.111.111.001 | 33.133.133.002 |
| 00-00-00-00-00-06 | 00-00-00-00-00-03 | 111.111.111.001 | 33.133.133.002 |
| 00-00-00-00-00-09 | 00-00-00-00-00-07 | 111.111.111.001 | 33.133.133.002 |
问题f
A的APR为空,所以A要通过APR获取路由器对应接口的MAC地址在发送,多一步广播
| 目的MAC地址 | 源MAC地址 | 源IP地址 | 目的IP地址 |
|---|---|---|---|
| FF-FF-FF-FF-FF-FF | 00-00-00-00-00-00 | 111.111.111.001 | 33.133.133.002 |
| 00-00-00-00-00-02 | 00-00-00-00-00-00 | 111.111.111.001 | 33.133.133.002 |
| 00-00-00-00-00-06 | 00-00-00-00-00-03 | 111.111.111.001 | 33.133.133.002 |
| 00-00-00-00-00-09 | 00-00-00-00-00-07 | 111.111.111.001 | 33.133.133.002 |
文章详细阐述了链路层的服务特性,包括差错检测但不提供差错纠正,以及全双工和半双工模式。讨论了IP层和TCP层在数据传输中的作用,特别是TCP如何处理IP分片可能导致的顺序问题。此外,文章介绍了ARP协议的作用,用于获取未知MAC地址的目的节点地址,并解释了在没有ARP缓存时如何进行广播。还涉及了冲突解决机制,例如在第五次冲突后的随机等待策略,以及冲突检测和重传的时间计算。最后,提到了帧传输的细节,包括发送速率、冲突检测和转发器的工作原理。
2143

被折叠的 条评论
为什么被折叠?



