从入学以来学习过一些常见的建模软件比如三维的CATIA、SW,二维的CAD,仿真类的ANSYS、Simdroid。
在我看来学习这类型的分三个阶段:新手的入门熟悉各种命令,熟练使用软件完成仿制,大师使用软件可以根据图片,口述之类的信息完成模型。
就SW和CAD来说,命令分为文件的格式设置的命令,绘图命令,标注命令,模块化设置的命令。作为初学者先从建立一个文件保存一个文件开始,然后开始在文件中画上内容,B站上,相关公众号上有大多数案例可以跟着做,在熟练后在做好的图上添加各种标注,是图纸完整。相对于个人来说,熟悉软件的使用是我们实现生产力输出的工具,没有机械结构知识,尺寸标注知识,看图识图的能力只能达到熟练使用软件,而不能完成设计。
在CATIA软件中才开始认识到专业软件和通用软件的区别,CATIA更适合做汽车设计,尤其是曲面设计,在CATIA中有一些挖孔,钣金件,弹簧件的设计比较方便。应为是机械专业的所以对机械件的建模还是比较顺手的。
在学习软件的过程中自我感觉最好的方法是两位到四名同学共同完成几个项目,出现问题共同找错误,探讨交流高效的操作顺序,在探讨中学习是最高效也比较有趣的。其次,要学会定时复盘,可以尝试用画思维导图的方式复盘,从项目本身出发,分块描述出使用过的操作。
在熟悉软件后,要开始注意建模过程中规范性的一些问题。开始参数化建模、模块化建模的过程,在建模成长中积累自己的模型仓库。
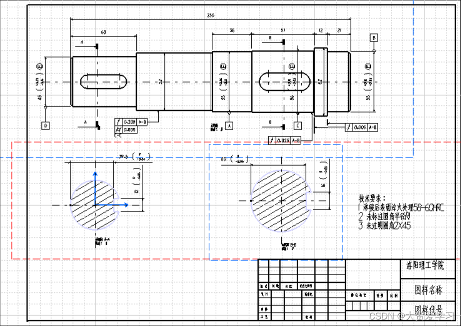
下边是我的一些建模的案例:希望一切都可以变得越来越好。


文章讲述了学习建模软件如CATIA、SW、CAD等的不同阶段,从新手入门到熟练使用,再到专业应用。作者强调团队合作和定期复盘在学习过程中的重要性,以及在机械设计中专业软件的独特优势。同时,提到了参数化和模块化建模对于规范化的重要性。
最低0.47元/天 解锁文章
1539

被折叠的 条评论
为什么被折叠?



