自20世纪60年代首次生产出集成逻辑门以来,各种数字逻辑电路技术层出不穷。本次实验将研究晶体管-晶体管逻辑(TTL)电路逆变器(非门)和2输入NAND门配置。
背景知识
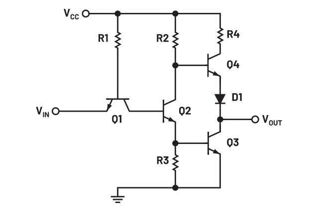
TTL逆变器的原理图如图1所示。此电路克服了单晶体管逆变器电路的局限性。基本TTL逆变器由三级组成:电流导引输入、分相级和输出驱动级。

图1. TTL逆变器
输入级晶体管Q1执行电流导引功能,可以将它视为背靠背二极管布置。晶体管以正向或反向模式工作,使电流流入或流出第二级晶体管的基极Q2。正向电流增益ßF远大于反向电流增益ßR。关断时,它提供更高的放电电流来给基极放电。

图2. 输入电流导引级的等效电路
图1中的第二级晶体管Q2使用分相器来驱动上拉和下拉输出级的两半。它允许以相反相位产生输入条件,从而可以反相驱动输出晶体管。这样,Q4关断时Q3可以导通,反之亦然,如图3所示。

图3. 分相级
输出晶体管对Q3和Q4与二极管D1一起被称为图腾柱输出,如图4所示。这种输出配置提供了主动拉电流或灌电流的能力,对于驱动容性负载很有用。电阻R4用于限制VCC提供的电流。在稳态条件下,一次只有一个晶体管导通。

图4. 输出级
二极管D1用于提高Q4的有效导通电压,使其能够在Q3完全导通之前关断。这有助于防止逻辑状态转换期间潜在的大浪涌电流流入输出级。电阻R4还用于限制输出级中允许流动的电流。缺点是逻辑高电平会降低,降幅为二极管压降,如图11所示。
材料
● ADALM2000 主动学习模块
● 无焊试验板
● 跳线
● 一个100 kΩ电阻
● 一个2.2 kΩ电阻
● 一个470 Ω电阻
● 一个100 Ω电阻
● 一个小信号二极管(1N914)
● 五个小信号NPN晶体管(2N3904和/或SSM2212)
TTL逆变器
说明
ADALP2000 模拟部件套件随附五个2N3904 NPN晶体管。较旧的套件可能包含一对匹配的SSM2212。所示的建议试验板布局是针对SSM2212连接。如果只使用2N3904器件,请根据需要更改布局。
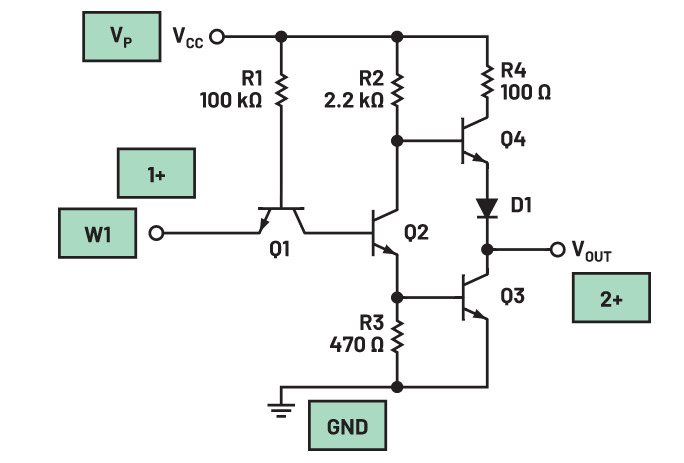
在无焊试验板上构建图5所示TTL逆变器电路。如果使用SSM2212 NPN对,它只能替代Q3和Q4(输出级),因为其基极和发射极端子上有内部保护二极管用以防止反向偏置。

图5. TTL逆变器
硬件设置
将电路连接到ADALM2000输入/输出连接器,如图5所示。对于未使用的示波器负输入,在不使用时最好将其接地。
试验板连接如图6所示。

图6. TTL逆变器试验板电路
程序步骤
将波形发生器W1配置为具有0 V偏移和6 V幅度峰峰值的100 Hz三角波。在x-y模式下使用示波器观察电路的电压传输曲线。

图7. TTL逆变器传输曲线
TTL NAND门
说明
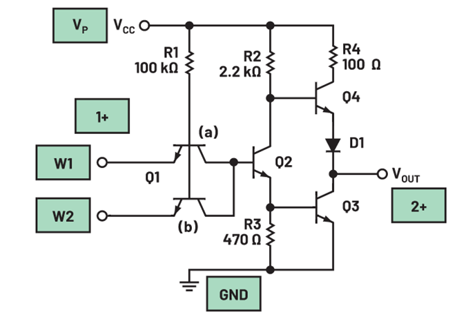
给TTL逆变器再增加一个输入,便得到一个TTL NAND门。按照图8所示连接TTL逆变器电路。

图8. TTL 2输入NAND门
硬件设置
将电路连接到ADALM2000 I/O连接器,如图8所示。对于未使用的示波器负输入,在不使用时最好将其接地。
试验板连接如图9所示。

图9. TTL 2输入NAND门试验板电路
程序步骤
将波形发生器W1配置为具有0 V偏移和6 V幅度峰峰值的100 Hz三角波,将W2配置为具有0 V偏移、6 V幅度峰峰值和90°相位的100 Hz三角波。
使用示波器观察电路的输出Ch2。

图10. TTL NAND门输出波形
测量传输特性
做实验、DIY,小批量样品采购上唯样,原装正品元器件,一件即发
通过施加缓慢上升的输入电压,并确定相对于每个晶体管的导通状态变化而发生的事件序列以及这些变化发生的临界点,可以推导出TTL逆变器的传输特性。考虑图11所示的电路输入与输出传输特性曲线。

图11. TTL逆变器输入与输出传输曲线
断点P1
当输入接近0 V且基极电流提供给Q1时,该晶体管可以在正向模式下导通。集电极电流的唯一来源是Q2的漏电流,因此Q1将被驱动到饱和状态。这确保了Q2关断,进而又意味着Q3关断。在没有负载的情况下,输出级中有漏电流流动,这使得晶体管Q4和二极管D1在导通状态下几乎不传导电流。

断点P2
随着输入电压略微增加,上述状态一直持续,直到(在Q1导通并处于饱和状态的情况下)Q2基极的电压上升至导通点。则

断点P3
随着输入电压进一步增加,Q2传导更多电流,从而完全导通。Q2的基极电流由Q1的基极-集电极结(现在是正向偏置)提供,Q1仍处于饱和状态。最终,Q3达到导通点。这发生在:

请注意,当晶体管Q3刚刚导通时,VBE3 = 0.6 V,这意味着流过R3的电流为0.6 V/470 Ω = 1.27 mA。在线性活动区工作时,Q2的集电极电流为0.97 mA × 1.27 mA = 1.23 mA。
R2两端的电压降即为VR2 = 1.23 mA × 2.2 kΩ = 2.7 V。
在这种情况下,Q2上的集电极到发射极电压降为:

这证实了Q2仍在正向活动模式下运行。
随着Q3开始导通,电流通过Q4和二极管D1的传导路径,随后完全导通。这种情况下:

断点P4
随着输入电压进一步增加,Q2传导更多电流,最终进入饱和模式。Q3也传导更多电流,最终达到饱和点。当Q2传导更多电流时,其集电极电流增加。这导致R1两端的压降增加,意味着Q2上的电压(即VCE2)下降。当此电压降至Q4和二极管D1导通所要求的电压以下时,二者均关断,然后Q3饱和。
当Q3达到饱和边缘时:

问题:
1. 典型TTL逻辑门的输出电路通常被称为图腾柱输出,原因是其两个输出晶体管相互堆叠,就像图腾柱上的雕像一样。具有图腾柱输出级的门电路能否提供负载电流、吸收负载电流或既能提供又能吸收负载电流?
本文探讨了晶体管-晶体管逻辑(TTL)电路的基本原理,重点介绍了逆变器(非门)和2输入NAND门的设计。文章详细分析了TTL逆变器的三级结构及其工作原理,并通过实验验证了其传输特性。
1755

被折叠的 条评论
为什么被折叠?



