时序逻辑电路
特点:
任意时刻的输出不仅与该时刻输入变量的取值有关,而且与电路的原状态,即过去的状态有关。
时序逻辑电路:
包含组合电路和存储电路,存储电路具有记忆功能,通常由触发器构成
存储电路的输出状态Q反馈到组合电路的输入端,与外部输入信号X共同决定组合电路的输出Z。组合电路的输出除了包含外部输出Z,还包含连接到存储电路激励端的内部输出Y,它将控制存储电路的状态变化。
时序逻辑电路结构框图:

X:外部输入信号
Q:存储电路的状态输出,也是组合电路的内部输入
Z:外部输出信号
Y:存储电路的激励信号,也是组合电路的内部输出
在存储电路中,触发器的每一位输出q称为一个状态变量,j个状态变量可以组成2j个不同的内部状态。
4组信号的逻辑关系表示:
输出方程:Zn = F(Xn,Qn)
激励方程:Yn = G(Xn,Qn) ---------(驱动方程)
状态方程:Qn+1 = H(Yn,Qn)
表明:
时序电路的某一时刻Zn和存储电路的激励Yn仅仅与当前时刻的外部输入和内部状态有关。均为组合电路的输出
存储电路的次态由激励Y和存储电路原状态决定
时序电路的工作过程实质上就是在不同的输入条件下,内部状态不断更新的过程
时序电路的分类
按状态变化分:
同步时序电路:电路状态的变化在同一时钟脉冲作用下发生,即各触发器状态的转换同步完成
异步时序电路:不使用同一个时序脉冲信号源,即各触发器状态的转换是异步完成的。
按输出信号特点分:
米里型时序电路(Mealy):某时刻的输出取决于该时刻的外部输入和内部状态
摩尔型时序电路(Moore):某时刻的输出只取决于该时刻的内部状态,不受当时输入的影响或没有输入变量。但当输入变化后,必须等待时钟的到来状态变化时才能导致输出变化。
因此Moore比Mealy的输出要晚一个时钟周期
时序逻辑电路的功能描述
- 逻辑方程式
- 状态转移表:
Mealy型:

Moore型:

特殊Moore型:

- 状态图
Mealy型:外部输出在转移条件中给出

Moore型:外部输出在圆圈内指明

- 时序图
同步时序电路分析
分析方法:

先写出各个的逻辑方程式
Q1 | Q2 | Q3
Q1n+1 | Q2n+1 | Q3n+1 | Z
逻辑方程表达式:
右边一定是现态,不可能出现次态
次态是输入激励信号的作用下,将要到达的状态,也就是说,不存在,将要存在。
有效状态:一个闭合回路。在电路正常工作时,状态总是按照这个闭合里的序列循环变化。通常称处于这个序列循环的状态为有效状态。该循环为有效循环或主循环
无效状态:不处于主循环的其他状态,即使也是一个循环,也不是有效状态
如果一个时序电路中所有的无效状态都能通向有效序列,则成该电路有自启动能力
计数器
定义:有状态闭合环的时序电路
例如:该时序电路状态转移按00→01→10→11→00→···循环变化,实现了模4加法计数器功能
序列信号发生器
定义:能输出一个周期序列的电路
电路特点:一般无输入X,有输出Z,属于特殊Moore型电路
结构:实质上是一个模为N的计数器加上一个组合电路构成,设周期序列01的个数是N
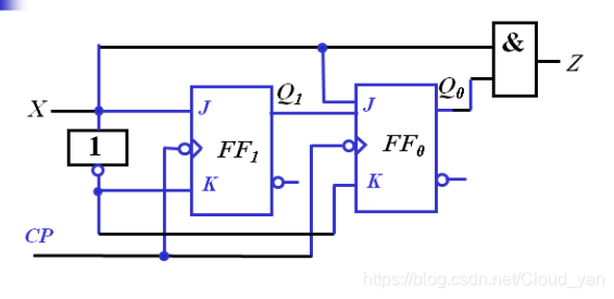
序列线号检测器
当X连续输入三个1之后,Z输出一个1。这是代表了连续输入了三个1
脉冲分配器
在CP脉冲作用下,把宽度为T的脉冲依次分配给Q0,Q1和Q2各端
同步时序电路设计
根据设计要求
写出状态表
用卡诺图化简状态,得到状态方程
根据状态方程,选择触发器
画出电路图
计数器的设计
计数器是一个周期性的时序电路,其状态图有一个闭合环,闭合环循环一次需要的时钟脉冲个数称为计数器的模值M。由n个触发器构成的计数器,其模值M一般应满足2n-1<M≤2n
例如:
设计一个模5计数器
状态变化为000→001→011→101→110→000循环往复
分析:有至少5个状态,因此需要三个触发器
依据上述状态,构建状态图(不在上述存在的状态,标记为X)
凭借卡诺图化简,得到状态方程。
自启动检查
依据状态方程选择触发器
构建电路
特别提醒:
如果题目要去用JK触发器的话,那么在化简卡诺图的时候,要对状态图进行划分。便于获得J、K的状态方程
序列信号发生器的设计
序列信号发生器是一个能输出周期序列的电路
设计思路:
根据要设计的序列中的01个数N,先设计一个模值为N的计数器
计数器中每个状态对应一个输出的序列值
例如:
设计能产生01011的序列发生器
分析:
设计数器的状态变化为:
000→001→011→101→110→000循环往复
要发生一个周期序列包含5个不同的状态;
先设计一个模5的计数器,让每个有效状态对应一个序列中的状态数。因此所需触发器有3个
根据序列,把Z对应与有效状态的表现,规划好(即Z就是每个状态下对应的输出的序列中的每个0或1值)
根据上述,列出状态表
利用卡诺图进行化简
得到状态方程,并选择触发器
得到电路图
例如:
建立"111"序列检测器的电路
分析:111表明至少有3个状态,所以需要两个触发器。
选择其中的3个状态,分别对应一个1,多余的状态对应0
非给定状态时序电路设计步骤
- 根据设计要求,设计状态和状态转换
- 精简状态表,状态分配
- 得到状态方程
- 画出电路图
详细理论:
步骤1
分析题意,确定输入输出变量
设置状态,首先确定有多少种信息需要记忆,然后对每种需要记忆的信息设置一个状态并用字母表示
确定状态之间的转换关系,画出原始状态图,列出原始状态表
原始状态图可能包含多余的状态
步骤2
化简的核心是找等价状态
等价状态的定义:
对两个状态Si和Sj,如分别以之为初始状态,加入任意的输入,电路均产生相同的输出,称Si和Sj等价
等价状态可以合并
判断等价状态的条件
- 相同的输入有相同的输出
- 相同的输入时,次态等价,次态等价指:
- 次态相同
- 次态交错
- 次态互为隐含条件
一个栗子:

会了这个,其他的也就会了。一般推广特殊
我们知道:
等价状态具有传递性
若Si和Sj等价,Si和Sk等价,则Sj和Sk等价
相互等价的状态的集合称为等价类
凡是不被其他等价类所包的等价类称为最大等价类
如果某一状态和其他状态都不等价,则其本身就是一个最大等价类
状态表的化简,就是寻找所有最大等价类,并将最大等价类合并,最后得到最简状态表
如果我们就是只靠眼去找最大等价类,那么是很容易出现错误的,那么我们有以下方法
隐含表化简
一般看两遍:顺序比较,关联比较

顺序比较,也就是A和B比较,A和C比较,A和D比较·····
对原始状态表的每一对状态逐一比较:
- 状态对肯定不等价,标记X
- 状态对肯定等价,标记√
- 状态对是否等价取决于隐含条件,把隐含条件填入,需之后进一步比较
关联比较:对顺序比较中需要进一步比较的状态进行比较
也就是看那些需要看隐含条件的
如果隐含条件等价,那么这两也等价
之后,就是找最大等价类
然后列出最简状态表
状态分配,随便分,想怎么分怎么分
状态分配只需要注意有几个状态,根据此选择二进制位数罢了
状态都有了,之后就是确定状态方程
自启动检查
例题:
用JK触发器设计111序列检测器
分析:

根据设计要求,设计状态

得到原始状态表

精简状态表

状态分配

得到激励方程


自启动检查

如果无法自启动,则需要进行重新圈卡诺图
新圈法将克服死循环,也不增加激励函数的复杂程度
画出电路图

计数器
计数器的应用:
对输入脉冲进行计数、分频,定时,顺序控制及产生其他时序信号。
计数器是一个周期性的时序电路,在时钟信号的不断作用下,电路的状态按一定的顺序循环变化。循环一次所需要的时钟脉冲的个数称为计数器的模值M。计数器在计数值达到其最大容量(模M)时会产生一个进位信号,因此有时把模M计数器称为M进制计数器。
计数器的划分:
按时钟控制:异步、同步
按计数过程中数值的增减:加法计数器、减法计数器和可逆计数器
按计数器状态的数制和编码方式:二进制计数器、非二进制计数器、移位型计数器
同步二进制计数器和同步十进制计数器
同步二进制计数器
同步二进制计数器通常用n位T触发器构成,模值M=2n
同步十进制计数器
十进制计数器由4位触发器构成,用10个状态组成计数循环。
BCD计数器
集成计数器
集成计数器具有功能较完善,通用性强,功耗低,工作速率高而且可以方便进行扩展的优点。
集成计数器的功能描述
输入端:
计数脉冲输入:CP
控制输入:
同步或异步清0:Cr
同步或异步预置:LD(LOAD)和并行预置数输入D/C/B/A
计数使能:P、T
加减控制端:U/D
输出端:
状态输出:QDQCQBQA
进位输出,借位输出:Oc,OB
4位二进制计数器74LS161、74LS163
74LS161:
模24同步集成计数器,具有计数、保持、预置和清零的功能
逻辑符号:

异步清0端 Cr:低电平有效且与CP无关
同步预置端 LD:低电平有效
计数允许控制端P、T:高电平有效。P/T有一个为低时,各触发器的J、K端均为0,从而使计数器处于保持状态。P和T的区别是:T影响Oc,P不影响。
置数输入端:A、B、C、D:CP上升沿置数有效
计数脉冲输入端:CP上升沿有效
进位输出端:Oc=QDQCQBQAT,仅当T=1且计数状态为1111时,Oc才为高,并产生进位信号
74LS163与74LS161的区别是74LS163为同步清0,即Cr=0,当CP上升沿到来时,才能清0。
同步集成十进制计数器

74LS160:异步清0
74LS162:同步清0
4位二进制同步加/减计数器74LS169
加/减计数器称为可逆计数器
计数器的加、减由控制端的输入电平决定,则这种电路称为单时钟结构
若计数器的加、减分别由两个时钟信号源控制,则这种电路称为双时钟结构
74LS169:
U/D为加减控制端,当U/D=1时进行加法计数,当U/D=0时,进行减法计数
在加法计数进入1111状态后,Oc端有负脉冲输出;
在减法计数进入0000状态后,Oc端有负脉冲输出
十进制同步加/减计数器
74LS168单时钟结构
在加法计数进入1001状态后,进位输出Oc有负脉冲输出,宽度为一个时钟周期
集成计数器的级联
将多片(或称多级)集成计数器进行级联可以扩大计数范围
级联方式:异步级联,同步级联
异步级联
用前一级计数器的输出作为后一级计数器的时钟信号。
实际上后级计数器的时钟信号可取自前一级的进位(或借位)输出,也可取自前一级计数器的高位触发器的输出。
同步级联
同步级联时,外加时钟信号同时接到各片的时钟输入端,用前一片的进位(或借位)输出信号作为下一片的工作状态控制信号(计数允许或使能信号)
只有当进位(借位)信号有效时,时钟输入才能对后级计数器起作用
两种方法:
(1)利用T端串行级联,各片的T端与相邻低位片的Oc相连

这种级联方式的工作速度较低,因为片间进位信号Oc是逐级传递的。
计数的最高频率将受片数的限制,片数越多,计数频率越低。
(2)利用P、T双重控制,最低位片的Oc并行接到其他各片的P端,只有T2不与Oc1相连,其他高位片的T端均与相邻低位片的Oc相连。

本文深入探讨了时序逻辑电路,特别是同步时序电路的分析与设计。内容涵盖同步时序电路的分类、计数器(包括同步二进制和同步十进制计数器)、集成计数器的介绍及其级联方式。文章详细阐述了设计步骤,从状态分配到自启动检查,并通过实例展示了计数器和序列信号发生器的设计过程。
1万+

被折叠的 条评论
为什么被折叠?



