功能介绍:采用stm32单片机作为主控,采用红外对射管来进行计数,原理其实就是有物体从对射管中间经过,阻挡了红外光,导致红外接收传感器电平发生变化,单片机通过判断电平变化来判断当前是否有物体经过,通过这个原理可以采集人流量,以及各种计数相关的应用场景,OLED显示相关数据,蜂鸣器进行报警提醒,全部资料都经过实物验证,程序有中文注释,新手容易看懂,资料分享下载链接:设计资料合集
29-基于stm32单片机智能红外纸张计数器人流量统计(程序+原理图+PCB+元件清单全套资料)


void DHT11_Init ( void )
{
DHT11_GPIO_Config ();
macDHT11_Dout_1; // 拉高GPIOB10
}
/*
* 函数名:DHT11_GPIO_Config
* 描述 :配置DHT11用到的I/O口
* 输入 :无
* 输出 :无
*/
static void DHT11_GPIO_Config ( void )
{
/*定义一个GPIO_InitTypeDef类型的结构体*/
GPIO_InitTypeDef GPIO_InitStructure;
/*开启macDHT11_Dout_GPIO_PORT的外设时钟*/
macDHT11_Dout_SCK_APBxClock_FUN ( macDHT11_Dout_GPIO_CLK, ENABLE );
/*选择要控制的macDHT11_Dout_GPIO_PORT引脚*/
GPIO_InitStructure.GPIO_Pin = macDHT11_Dout_GPIO_PIN;
/*设置引脚模式为通用推挽输出*/
GPIO_InitStructure.GPIO_Mode = GPIO_Mode_Out_PP;
/*设置引脚速率为50MHz */
GPIO_InitStructure.GPIO_Speed = GPIO_Speed_50MHz;
/*调用库函数,初始化macDHT11_Dout_GPIO_PORT*/
GPIO_Init ( macDHT11_Dout_GPIO_PORT, &GPIO_InitStructure );
}
/*
* 函数名:DHT11_Mode_IPU
* 描述 :使DHT11-DATA引脚变为上拉输入模式
* 输入 :无
* 输出 :无
*/
static void DHT11_Mode_IPU(void)
{
GPIO_InitTypeDef GPIO_InitStructure;
/*选择要控制的macDHT11_Dout_GPIO_PORT引脚*/
GPIO_InitStructure.GPIO_Pin = macDHT11_Dout_GPIO_PIN;
/*设置引脚模式为浮空输入模式*/
GPIO_InitStructure.GPIO_Mode = GPIO_Mode_IPU ;
/*调用库函数,初始化macDHT11_Dout_GPIO_PORT*/
GPIO_Init(macDHT11_Dout_GPIO_PORT, &GPIO_InitStructure);
}
/*
* 函数名:DHT11_Mode_Out_PP
* 描述 :使DHT11-DATA引脚变为推挽输出模式
* 输入 :无
* 输出 :无
*/
static void DHT11_Mode_Out_PP(void)
{
GPIO_InitTypeDef GPIO_InitStructure;
/*选择要控制的macDHT11_Dout_GPIO_PORT引脚*/
GPIO_InitStructure.GPIO_Pin = macDHT11_Dout_GPIO_PIN;
/*设置引脚模式为通用推挽输出*/
GPIO_InitStructure.GPIO_Mode = GPIO_Mode_Out_PP;
/*设置引脚速率为50MHz */
GPIO_InitStructure.GPIO_Speed = GPIO_Speed_50MHz;
/*调用库函数,初始化macDHT11_Dout_GPIO_PORT*/
GPIO_Init(macDHT11_Dout_GPIO_PORT, &GPIO_InitStructure);
}
/*
* 从DHT11读取一个字节,MSB先行
*/
static uint8_t DHT11_ReadByte ( void )
{
uint8_t i, temp=0;
for(i=0;i<8;i++)
{
/*每bit以50us低电平标置开始,轮询直到从机发出 的50us 低电平 结束*/
while(macDHT11_Dout_IN()==Bit_RESET);
/*DHT11 以26~28us的高电平表示“0”,以70us高电平表示“1”,
*通过检测 x us后的电平即可区别这两个状 ,x 即下面的延时
*/
delay_us(40); //延时x us 这个延时需要大于数据0持续的时间即可
if(macDHT11_Dout_IN()==Bit_SET)/* x us后仍为高电平表示数据“1” */
{
/* 等待数据1的高电平结束 */
while(macDHT11_Dout_IN()==Bit_SET);
temp|=(uint8_t)(0x01<<(7-i)); //把第7-i位置1,MSB先行
}
else // x us后为低电平表示数据“0”
{
temp&=(uint8_t)~(0x01<<(7-i)); //把第7-i位置0,MSB先行
}
}
return temp;
}


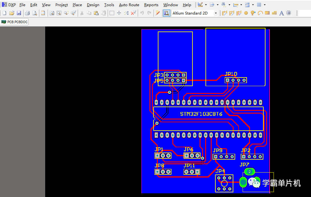
上面是原理图展示,下面是PCB图



stm32单片机最小系统讲解:
电源
电就是MCU要吃的饭,不吃饭,stm32芯片肯定不能工作。
stm32最小系统板需要5v和3.3v两种电压,一般可以直接通过USB提供5v电压,也可以用电源适配器提供5V电压。而3.3v电压可以通过稳压芯片如ASM1117-3.3v等,把5v电压降为3.3v输出。
USB接口,提供的5v电压经过ASM1117-3.3v后降为3v3,(10*10^4pF=0.1u)用于电源滤波,高频滤波用小电容,低频滤波用大电容。D3是一个led用以指示电源工况,其上的510R即510.0Ω用以限流,防止led灯烧坏。
USB接口,提供5v电压,同时它也是一个模拟串口,其D-和D+引脚与ch340相应引脚连接构成一个串口设备。
stm32吃的是3v3将其VDD和VSS引脚分别连接到3v3和GND,就解决了stm32的吃饭问题。
注意:VBAT是stm32芯片的备用3.3v电源输入端,当没有备用电源是也需要将VBAT接到VDD上去。
VDDA和VSSA是模拟电源输入口,用以给stm32芯片内部ADC,复位电路供电因此必须分别接到VDD和VSS上。
复位电路
人工作久了容易自闭、精神恍惚,这时需要睡一觉就以重新焕发活力。stm32工作久了也容易“精神恍惚”————程序跑飞,也需要复位。
stm32的NRST引脚是复位信号接收引脚与RESET相连,芯片低电平复位。如上图所示,当芯片刚上电时,电容充电导通,此时RESET=0,芯片复位;当按下复位按钮时,RESET接地,芯片复位。
晶振电路
晶振是芯片的心跳,每一次脉冲激励芯片执行一条指令,因此晶振的重要性不言而喻。
stm32的晶振电路,8M无源晶振,其中(1M)用于稳定晶振的脉冲波形,(20P)和(20P)一方面构成晶振起振的必要回路,另一方面匹配电容,同时还具有调节晶振电路频率的作用。
注意:OSC32IN是外部32.768K晶振输入口,可以直接接时钟信号,也可以不洁作IO用。OSCIN是外部系统时钟输入信号,可以接时钟信号,也可以不接做IO口用,此时stm32用芯片内部的RC电路起振产生时钟信号。
文章介绍了使用STM32单片机配合红外对射管进行人流量或纸张计数的系统,通过检测红外光的变化来识别物体经过。系统还包括OLED显示屏显示数据和蜂鸣器报警功能。程序带有中文注释,适合新手学习。同时,文章详细阐述了DHT11传感器的GPIO配置过程。

被折叠的 条评论
为什么被折叠?



