功能介绍:采用51单片机作为CPU主控,采用MQ2传感器采集烟雾浓度,采用LCD1602显示相关数据,采用按键设置报警值,当浓度大于设置值,蜂鸣器产生声光报警,并且语音模块进行语音提醒,继电器驱动风扇进行排气,“MQ-2型烟雾传感器属于二氧化锡半导体气敏材料,属于表面离子式N型半导体。处于200~300摄氏度时,二氧化锡吸附空气中的氧,形成氧的负离子吸附,使半导体中的电子密度减少,从而使其电阻值增加。当与烟雾接触时,如果晶粒间界处的势垒收到烟雾的调至而变化,就会引起表面导电率的变化。利用这一点就可以获得这种烟雾存在的信息,烟雾的浓度越大,导电率越大,输出电阻越低,则输出的模拟信号就越大,全部资料都经过实物验证,程序有中文注释,新手容易看懂,资料分享下载链接:设计资料合集
24-基于51单片机的MQ2烟雾检测报警系统(程序+原理图+PCB+元件清单全套资料)


//程序部分展示,有中文注释,新手容易看懂
uint bug=100;//设置阈值
sbit key1=P2^4;
sbit key2=P2^5;
sbit beep=P1^3;
sbit yinyue=P3^1;
sbit q1=P1^2;
uint ADC_Get(uchar Channel)//读取ADC值
{
ADC_CONTR=0x88|Channel;
_nop_(); _nop_(); _nop_(); _nop_();
while(!(ADC_CONTR&0x10));
ADC_CONTR&=0xe7;
return(ADC_RES*4+ADC_RESL);
}
float ADC_Value(uchar Channel)//读取ADC通道值
{
float AD_Value;
uint i;
for(i=0;i<10;i++)
AD_Value+=ADC_Get(Channel);
AD_Value/=10;
AD_Value=(AD_Value*5)/1024;
return AD_Value;
}
void delay9(unsigned int a) //延时函数
{
unsigned int i;
while (--a!=0)
for(i=600;i>0;i--);
}
void USART_Init()
{
TMOD=0x20;
TH1=0xfd;
TL1=0xfd; //波特率9600
SCON=0x50;
TR1=1;
TI=1;
}
void ADC_Init()//ADC初始化
{
P1ASF=0x07;
AUXR1=0x00;
ADC_RES=0;
ADC_RESL=0;
ADC_CONTR=0x80;
delay9(2);
}
void delay_m(int ms)//延时函数
{
int i;
do{
i = 11059200L / 13000;
while(--i) ; //14T per loop
}while(--ms);
}
void main()
{
USART_Init();
ADC_Init();//ADC初始化
init();//LCD初始化
delay_m(200);
yinyue=0;q1=1;
while (1)
{
if(key1==0)
{
bug++;
if(bug>999) bug=999;
}
if(key2==0)
{
bug--;
if(bug<1) bug=1;
}
nongdu=ADC_Value(0)*100;
if(nongdu<30) nongdu=0;//低波动去除
write_1602(5, nongdu%1000/100+0x30);
write_1602(6, nongdu%100/10+0x30);
write_1602(7, nongdu%10+0x30);
write1_1602(5, bug%1000/100+0x30);
write1_1602(6, bug%100/10+0x30);
write1_1602(7, bug%10+0x30);
if(nongdu>bug)
{
yinyue=1;
beep=0;
q1=0;
}
else
{
beep=1;
yinyue=0;
q1=1;
}

下面是原理图展示:

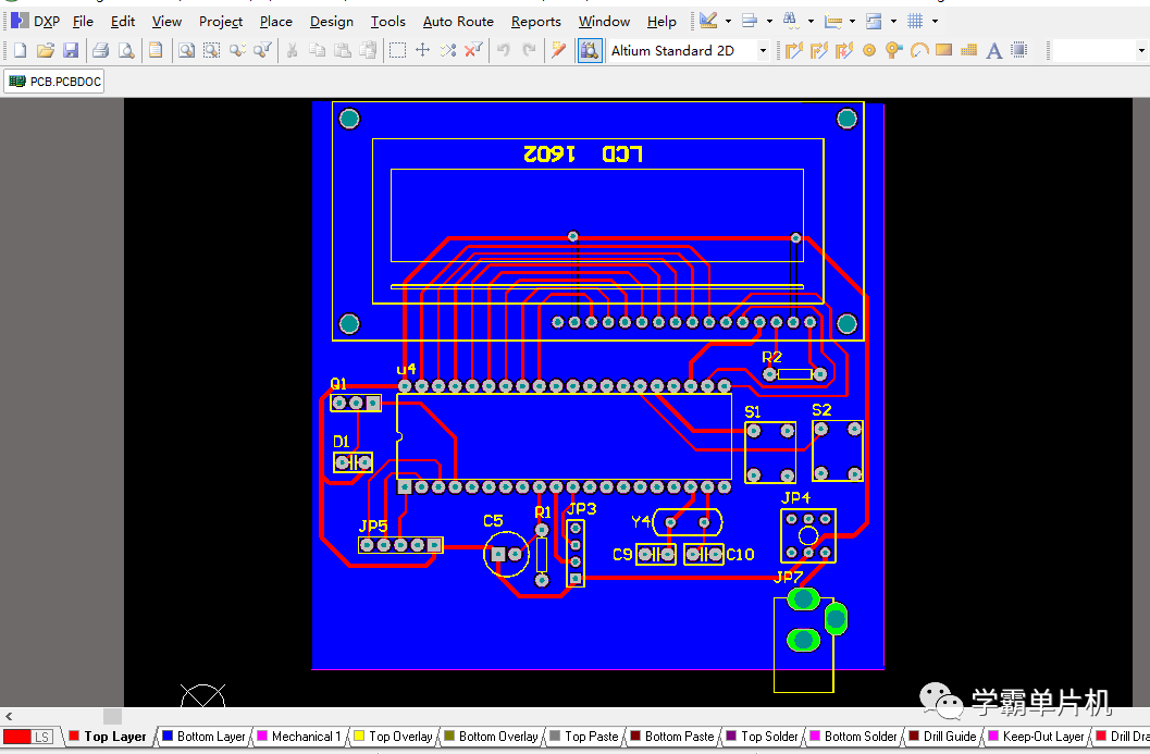
下面是PCB展示:



51单片机最小系统介绍
单片机(Microcontrollers)是一种集成电路芯片,是采用超大规模集成电路技术把具有数据处理能力的中央处理器CPU、随机存储器RAM、只读存储器ROM、多种I/O口和中断系统、定时器/计数器等功能(可能还包括显示驱动电路、脉宽调制电路、模拟多路转换器、A/D转换器等电路)集成到一块硅片上构成的一个小而完善的微型计算机系统,在工业控制领域广泛应用。从上世纪80年代,由当时的4位、8位单片机,发展到现在的300M的高速单片机。本文的单片机特指51单片机,具体芯片型号是 AT89C52。需注意STC89C51,STC89C52,AT89C51,AT89C52都是51单片机的一种具体芯片型号。
最小系统组成:
51单片机最小系统:单片机、复位电路、晶振(时钟)电路、电源
最小系统用到的引脚
1、主电源引脚(2根)
VCC:电源输入,接+5V电源
GND:接地线
2、外接晶振引脚(2根)
XTAL1:片内振荡电路的输入端
XTAL2:片内振荡电路的输出端
3、控制引脚(4根)
RST/VPP:复位引脚,引脚上
复位电路
一般来说,在电路图中,电容的的大小是10uf,电阻的大小是10k。(不特指本电路,具体参数看仿真图)
在5V正常工作的51单片机中小于1.5V的电压信号为低电平信号,而大于1.5V的电压信号为高电平信号。可以算出电容充电到电源电压的0.7倍,即电容两端电压为3.5V、电阻两端电压为1.5V时,需要的时间约为T=RC=10K*10UF=0.1S。
也就是说在单片机上电启动的0.1S内,电容两端的电压从0-3.5V不断增加,这个时候10K电阻两端的电压为从5-1.5V不断减少(串联电路各处电压之和为总电压),所以RST引脚所接收到的电压是5V-1.5V的过程,也就是高电平到低电平的过程。
单片机RST引脚是高电平有效,即复位;低电平无效,即单片机正常工作。所以在开机0.1S内,单片机系统RST引脚接收到了时间为0.1S左右的高电平信号,所以实现了自动复位。
在单片机启动0.1S后,电容C两端的电压持续充电为5V,这是时候10K电阻两端的电压接近于0V,RST处于低电平所以系统正常工作。当按键按下的时候,开关导通,这个时候电容两端形成了一个回路,电容被短路,所以在按键按下的这个过程中,电容开始释放之前充的电量。随着时间的推移,电容的电压在0.1S内,从5V释放到变为了1.5V,甚至更小。根据串联电路电压为各处之和,这个时候10K电阻两端的电压为3.5V,甚至更大,所以RST引脚又接收到高电平。单片机系统自动复位。
该系统采用51单片机作为核心控制器,结合MQ2烟雾传感器监测烟雾浓度。当浓度超过预设值时,系统会触发蜂鸣器报警、语音提醒,并通过继电器启动风扇进行排气。程序包含中文注释,资料包括程序、原理图、PCB设计等,适合新手学习。
8063

被折叠的 条评论
为什么被折叠?



