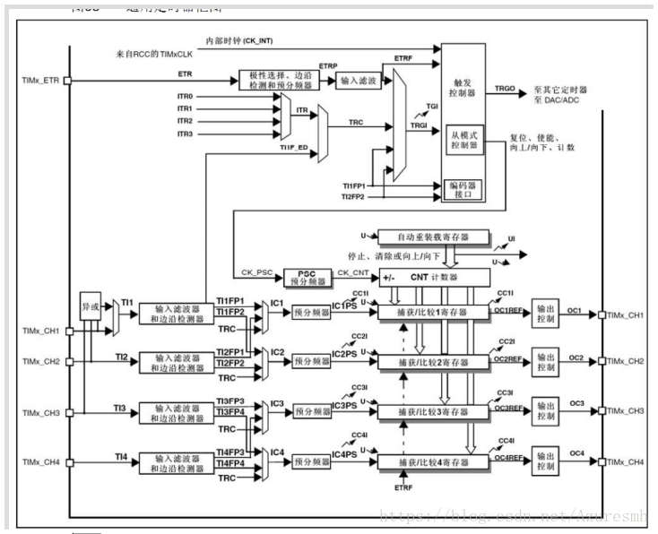
ARR自动重装载寄存器(auto reload register) 。 CCR1捕获/比较寄存器(capture/compare register),显然有CCR2了。PSC预分频器(pre-scaler )。CNT计数器(cou
一:配置TIM3的ARR寄存器和PSC寄存器,确定PWM频率。
这里配置的这两个定时器确定了PWM的频率,我的理解是:PWM的周期(频率)就是ARR寄存器值与PSC寄存器值相乘得来,但不是简单意义上的相乘,例如要设置PWM的频率参考上次通用定时器中设置溢出时间的算法,例如输出100HZ频率的PWM,首先,确定TIMx的时钟,除非APB1的时钟分频数设置为1,否则通用定时器TIMx的时钟是APB1时钟的2倍,这时的TIMx时钟为72MHz,用这个TIMx时钟72MHz除以(PSC+1),得到定时器每隔多少秒涨一次,这里给PSC赋7199,计算得定时器每隔0.0001秒涨一次,即此时频率为10KHz,再把这个值乘以(ARR+1)得出PWM频率,假如ARR值为0,即0.0001*(0+1),则输出PWM频率为10KHz,再假如输出频率为100Hz的PWM,则将ARR寄存器设置为99即可。如果想调整PWM占空比精度,则只需降低PSC寄存器的值即可。
二:TIMx_CCRx寄存器,确定PWM的占空比。
TIMx_CCR1—TIMx_CCR4确定定时器的CH1—CH4四路PWM的占空比。直接给该寄存器赋0—65535值即可确定占空比。占空比计算方法:TIMx_CCRx的值除以ARR寄存器的值即为占空比,因为占空比在0—100%之间,所以一般TIMx_CCRx寄存器值不能超过ARR寄存器的值,否则可能会引起PWM的频率或占空比的准确性。
CCRX寄存器每个捕获通道上都有,他是用来改变占空比的,当计数器往CCRX计数时,小于时输出高/低电平,大于时输出相反,ARR是用来控制周期。
CCR1:捕获比较(值)寄存器(x=1,2,3,4):设置比较值。
CCMR1: OC1M[2:0]位:
对于PWM方式下,用于设置PWM模式1【110】或者PWM模式2【111】
CCER:CC1P位:输入/捕获1输出极性。0:高电平有效,1:低电平有效。
CCER:CC1E位:输入/捕获1输出使能。0:关闭,1:打开。
APPRE为1时立刻生效,为0时下个周期生效
void TIM_OC2PreloadConfig(TIM_TypeDef* TIMx, uint16_t TIM_OCPreload);
void TIM_ARRPreloadConfig(TIM_TypeDef* TIMx, FunctionalState NewState);
STM32 定时器3输出通道引脚
重映射的作用简单的说就是把管脚的外设功能映射到另一个管脚,但是不是可以随便映射的,具体对应关系参考手册上的管脚说明。比如USART2_TX默认在PA2管脚,当启用复用功能后就会将PD5管脚作为USART2_TX。另外也不是所有的管脚功能都能重映射,比如ADC1_IN0就只能在PA0。
PWM输出库函数
void TIM_OCxInit(TIM_TypeDef* TIMx, TIM_OCInitTypeDef* TIM_OCInitStruct);
typedef struct
{
uint16_t TIM_OCMode; //PWM模式1或者模式2
uint16_t TIM_OutputState; //输出使能 OR失能
uint16_t TIM_OutputNState;
uint16_t TIM_Pulse; //比较值,写CCRx
uint16_t TIM_OCPolarity; //比较输出极性
uint16_t TIM_OCNPolarity;
uint16_t TIM_OCIdleState;
uint16_t TIM_OCNIdleState;
} TIM_OCInitTypeDef;
TIM_OCInitStructure.TIM_OCMode = TIM_OCMode_PWM2; //PWM模式2
TIM_OCInitStructure.TIM_OutputState = TIM_OutputState_Enable; //比较输出使能
TIM_OCInitStructure. TIM_Pulse=100;
TIM_OCInitStructure.TIM_OCPolarity = TIM_OCPolarity_High; //输出极性:TIM输出比较极性高
TIM_OC2Init(TIM3, &TIM_OCInitStructure); //根据T指定的参数初始化外设TIM3 OC2
PWM输出配置步骤:
使能定时器3和相关IO口时钟。
使能定时器3时钟:RCC_APB1PeriphClockCmd();
使能GPIOB时钟:RCC_APB2PeriphClockCmd();
初始化IO口为复用功能输出。函数:GPIO_Init();
GPIO_InitStructure.GPIO_Mode = GPIO_Mode_AF_PP;
这里我们是要把PB5用作定时器的PWM输出引脚,所以要重映射配置,
所以需要开启AFIO时钟。同时设置重映射。
RCC_APB2PeriphClockCmd(RCC_APB2Periph_AFIO,ENABLE);
GPIO_PinRemapConfig(GPIO_PartialRemap_TIM3, ENABLE);
初始化定时器:ARR,PSC等:TIM_TimeBaseInit();
初始化输出比较参数:TIM_OC2Init();
使能预装载寄存器: TIM_OC2PreloadConfig(TIM3, TIM_OCPreload_Enable);
使能定时器。TIM_Cmd();
不断改变比较值CCRx,达到不同的占空比效果:TIM_SetCompare2();
本文详细介绍了如何在STM32中配置TIM3输出PWM信号,包括设置ARR和PSC寄存器以确定PWM频率,通过TIMx_CCRx寄存器设定占空比,以及讲解了相关寄存器的用途,如CCRx、CCER和TIM_OCInitTypeDef结构体。还提到了重映射功能在选择输出通道引脚时的作用,并提供了PWM输出的配置步骤。
3694

被折叠的 条评论
为什么被折叠?



