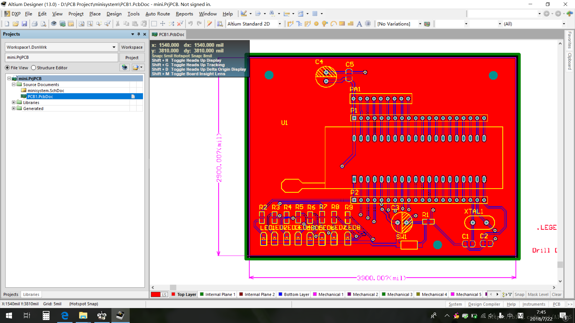
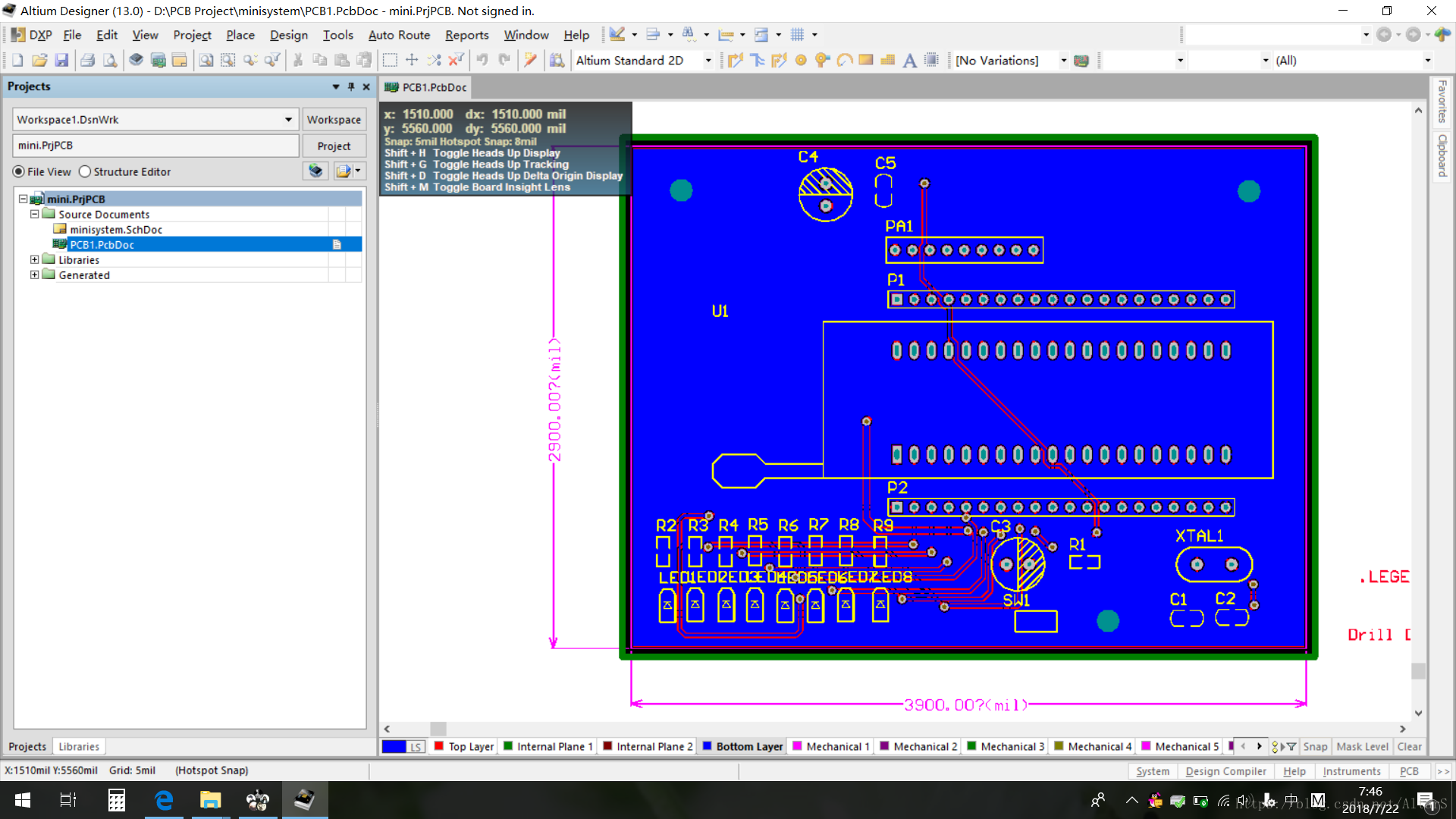
暑假的时间在啊苏嵌的安排下显的很紧凑,在来到着2天后,我们开始了51单排你机的学习。在这第一天的课程中,我了解到了什么是单片机,如何去画一个板子,在画板子的过程中,重要的是布线,在第一次布线的时候,我错误百出,不知道如何合理的摆放器件的位置,弄了不少笑话。不过好在在同学的帮助下都解决了。


以上是我画的最小板,有以下不足:
LED部分标签重叠、布了地线(覆铜选择GND即可)、孔没有打好、元器件摆放不够合理。
在以后的PCB板子绘制中,我会注意细节,修正这些问题。
本文记录了作者初次接触51单片机的经历及学习心得。从了解单片机的基础概念到尝试绘制PCB板的过程,作者分享了在布线、元件布局等方面遇到的问题与解决方案。
暑假的时间在啊苏嵌的安排下显的很紧凑,在来到着2天后,我们开始了51单排你机的学习。在这第一天的课程中,我了解到了什么是单片机,如何去画一个板子,在画板子的过程中,重要的是布线,在第一次布线的时候,我错误百出,不知道如何合理的摆放器件的位置,弄了不少笑话。不过好在在同学的帮助下都解决了。


以上是我画的最小板,有以下不足:
LED部分标签重叠、布了地线(覆铜选择GND即可)、孔没有打好、元器件摆放不够合理。
在以后的PCB板子绘制中,我会注意细节,修正这些问题。
7464

被折叠的 条评论
为什么被折叠?