摘要
“晃电”即电压跌落现象是引起企业重要设备停机、生产停滞的重要原因,从治理成本及有效性来说,更提倡在设备末端进行治理,甚至是深入到设备二次回路的电气控制元器件处治理。
本文介绍安科瑞电机保护产品、抗晃电装置抵御末端设备晃电的解决方案,有效避免电机设备因晃电而停机停产。
关键词:电压跌落;电机保护;抗晃电
行业背景
一些对电压骤降非常敏感的用户及设施 (例如:半导体行业、电子数控设备、变速传动的电动机装置、IT产业设备企业等)一旦发生电压骤降,带来的损失将是巨大的。
在末端低压电机回路,接触器在电压跌落期间触头可能弹开,并引起相关联锁设备动作,导致生产线停车,使企业造成巨大的经济损失。对于石油、化工等存在大量连续生产装置的行业来说,晃电产生诸如安全、环保、废品、原料浪费、产量降低、效益低下等一系列后果。因晃电现象引起的电能质量问题近年来愈发受到用电企业重视。
产品方案
● 方案1:带抗晃电功能的电动机保护器
针对需要综合测量、保护的电动机回路,可选择带抗晃电功能的电动机保护器,功能代号“SU”。
ARD2F(II)、ARD2M、ARD3M保护器在实现电参量测量、保护、控制及通讯组网的同时,通过内置超级电容,在晃电发生时为保护器持续供电。保护器继电器输出可维持一段时间(0.0-10.0s可调)后释放,期间电压恢复,接触器自动吸合,否则进入再起动阶段,在预设的允许时间内电压恢复,起动继电器延时闭合,使接触器重新吸合实现电机再起动。
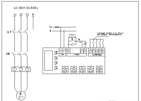
典型二次接线图

产品图片

ARD2F(II)低压电动机保护器

ARD2M一体式电动机保护器

ARD3M电动机保护器
● 方案2:ARD-KHD-S03A抗晃电装置
针对仅需要实现抗晃电保护或者已经安装无抗晃电功能的电动机保护器的回路,可选ARD-KHD-S03系列抗晃电装置。
ARD-KHD-S03A具备“晃电保持+再起动”功能,发生晃电时装置持续为接触器线圈供电,维持其持续吸合,在此期间电压恢复,电机继续运行;超出保持时间后,接触器释放,进入“再起动”阶段,电压在设置时间内恢复则装置输出再起动信号,使接触器重新吸合,实现再起动。
装置具备节能输出模式,减少控制回路功耗,降低噪音。
典型二次接线图

产品图片

结束语
带抗晃电功能的电动机保护和ARD-KHD-S03A抗晃电装置都能有效抵御晃电造成的设备停车停产,各具优势,且相对于源头治理,成本更低,针对性更强,是企业治理抗晃电问题,保障生产连续性的理想选择。
344

被折叠的 条评论
为什么被折叠?



