稳压器简介
稳压器分为线性稳压器和开关稳压器两大类:
开关稳压器较常见的是DC-DC,开关电路的基本工作原理是在每一个开关周期交替的将能量从电源传递到电感和/或电容,从而通过准无损储能元件将输入能量传递到输出端。一个DC-DC变换器系统通常包括晶体管和/或二极管作为同步或异步开关,电感和/或电容作为能量传输元件,一个运算放大器和一个脉宽调制器。
与之相对的是线性稳压器,也是本文要着重介绍的:
线性稳压器,又叫串联稳压器(指通道元件或者开关器件是串联在未稳压的电源和负载之间),通过线性的调整连接在输入电源和受调制的输出电压Vout之间的串联开关器件的电导,确保输出电压为参考电压Vref的某个预置的比例值。
两者之间的差异可以参考以下表格:

LDO简介
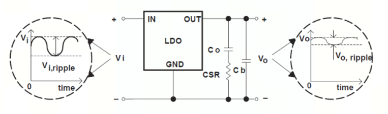
LDO(Low Drop-Out Regulator)低压差线性稳压器,电路可以分为四个模块:采样电阻、误差放大器、参考电压源、调整管。
调整管:调整管可以采用NMOS和PMOS两种器件,其中NMOS由于其较低的导通阻抗最有优势,但由于驱动比较复杂,需要charger Pump,所以用NMOS做的LDO较少(小电流的LDO,以及市面上类似规格的产品,无一例外都是使用PMOS做的)。

LDO工作区域分为三个部分:off region(关断区)、dropout region(压差区)、regulation region(调控区)。
regulation region(调控区):IC工作在高增益模式下,能够线性的做出反应以抵消Vout的微小 波动,调整管工作在饱和区(恒流区)。
dropout region(压差区):IC工作在低增益模式下,调整管对Vout的变化已经不再敏感,调整管工作在线性区(非饱和区)。

LDO关键参数
-
Dropout voltage 电压差
-
Quiescent current or ground current 静态电流/地电流
-
Shutdown current 关断电流
-
Transient response 瞬态响应
-
Power supply rejection 电源纹波抑制比
-
Output noise voltage 输出噪声电压
-
Inrush current 过冲电流
-
Auto-discharge 自动放电功能
1. Dropout voltage 电压差:让LDO能够工作在稳压区(调控区)的VIN和VOUT间的最小压差。
为了方便原理解释,我们以NMOS架构的LDO为例,PMOS遵循相同的逻辑。LDO通常在饱和区工作 当负载电流从Id2增加到Id3时,工作点从P0转变到P2,随着输入电压的降低,稳压器将工作点推向P1,在P1点,稳压器将无法保证稳定的输出,这个LDO开始失去环路控制的临界点就叫做Dropout voltage。

那么电压差受哪些参数影响呢?从下表我们可以看出电压差并不是一个静态值,虽然这些因素会提高选择LDO的复杂程度,但可以选择出最适合的LDO。

2. Quiescent current or ground current 静态电流/地电流:是输入电流与输出电流之间的差值。
当LDO完全运行时,可以采取以下公式计算其功耗:
PD= (VIN - VOUT ) x I OUT+(VIN x I Q )
假设需要使用静态电流为 0.05mA 的LDO,将4.2V电压降至1.8V,在轻载时输出电流为100uA,在将值代入上式计算所得的功耗为:
P=(4.2-1.8)x0.0001+(4.2x0.00005)
=0.00024+0.00021=0.45mW
可以看到,在轻载状态时,静态电流几乎贡献了50%的功耗,所以对于一些智能手表或者健身追踪器等一些常处于轻载/待机状态的设备,选用静态功耗低的LDO对电池的续航有较大的提升。
3. Shutdown current 关断电流:Shutdown current 即IC关断后的电流(EN拉低),艾为现有产品的Shutdown current 都在1uA以内,均可满足客户应用。
4. Transient response 瞬态响应:负载电流阶跃变化时输出电压的变化。
原因及解决方案:
因为带宽的限制,LDO不能及时的对负载突变产生响应,以至于产生瞬态尖峰,为了尽可能改善这一点,避免Vout变化过大, 常常在OUT端放置一个输出电容Co用来缓存能量:当调整器不能提供给负载足够电流时,Co提供部分iload电流。当稳压器提供的电流超过负载需求时,Co也用来吸收调整器的部分电流。

如何改善瞬态响应:
1)增大输出电容
2)使用低ESR的电容
3)使用更高带宽的LDO
5. Power supply rejection 电源纹波抑制比:衡量LDO输出电压对输入电压噪声的抗干扰能力。也叫电源抑制(Power Supply Rejection ,PSR)。
LDO最受欢迎的优势之一是,能够衰减开关模式电源生成的电压纹波。这对于数据转换器、锁相环 (PLL) 和 时钟等信号调节器件而言尤为重要,因为含有噪声的电源电压 会影响这类器件的性能。
定量公式:


从公式可以看出衰减程度越高,以分贝表示的PSRR值将越大。
哪些参数会影响 LDO的PSRR :
1)负载:相同条件下,通常负载越大,PSRR越低
2)输出电容COUT:一般情况下,输出电容越大,高频PSRR会越高
6. Output noise voltage 输出噪声电压:输出噪声电压是在恒定的输出电流和无纹波输入电压的条件下,给定频率范围中的输出噪声电压,这里的噪声仅指LDO自身产生的噪声信号。输出噪声主要由内部电压基准和误差放大器两部分决定。
噪声一般有两种不同方式的展示:
- μV/√ Hz 与 频率的关系图
- 在电特性表中提供一个积分噪声值,单位是μVRMS

在实际应用中,关注该参数的应用主要有射频、中频、数字负载、摄像头模组供电,比如医疗应用,成像造影时底噪过大会影响成像和造影的质量。
7. Inrush current 过冲电流:对LDO来说,inrush电流就是LDO使能后,流入输入端的瞬时峰值电流。
原因及规避方法:inrush current的主要原因是对输出电容的充电,规避的方式就是选用带软启动LDO,延长开启时间,即延长对输出电容的充电时间,按照电容的充放电公式,可以有效的减小电容充电电流。
8. Auto-discharge 自动放电功能:
Auto-discharge :EN拉低,LDO Disable时,OUT端会和一个对地的放电电阻导通,快速的泄放输出电容的能量,让OUT电压快速掉至0V,让之后每次LDO的开启,都能保证OUT端电压从0V开始升高的,这样可以有效防止后级电路不定态导致的一些错误及保护后级负载(特别是一些昂贵和敏感的负载,如:图像传感器系统)。

艾为LDO产品介绍
为了覆盖不同的场景、满足不同的客户需求,艾为推出了一系列丰富的LDO产品,覆盖300mA到1300mA输出电流的应用,且提供多种封装形式供工程师选择。


艾为的AW37030和AW37050是300mA/500mA的通用规格系列,具备高PSRR(90db)、低Noise(33uV)及优秀的瞬态响应能力,能够覆盖大多数的应用场景。
同时,艾为还推出了inrush电流抑制的AW37334系列,采用了先进的软启动技术,在确保输出电压快速平稳建立的同时,又能将inrush电流抑制的非常低,在同类型LDO中处于领先水平。
此外,在300mA/500mA电流档位,艾为还推出了高性能规格:AW37003和AW37005系列,更低的Dropout电压,更低的静态功耗,全频段更高的PSRR,更低的Noise,更优的瞬态响应,EN控制支持1.2V IO,使其能覆盖更多高要求场景。
在大电流输出的应用上,艾为也有支持1A输出能力的AW3707/AW3710系列,具备可调输出和固定输出版本,其特殊考虑的封装让芯片在散热上具有明显的优势。
应用于穿戴产品的LDO需要更小的功耗,主打超低功耗的AW37103系列是您的不二选择,超低的静态功耗(2uA)兼备了固定输出电压版本(0.8V-3.3V)和可调输出版本,也让选择更加多元。
针对手机平板市场,艾为推出了四通道的AW37004DNR,拥有比友商更大的DVDD电流及更优的PSRR。相对于分立的LDO解决方案,该集成方案可使PCB布板面积缩小25%+,物料数量减少一半,并且可使成本降低25%+。是手机平板产品摄像头模组供电的高性价比解决方案。
覆盖多场景、多应用的艾为产品满足了许多客户的应用需求,目前艾为也在积极开发新的产品,以期覆盖更丰富的应用。未来,艾为也会持续推出更加优质的艾为芯,为市场注入“芯”活力,请大家拭目以待。
The End
LDO稳压器是一种重要的电源管理器件,可以将高压输出电源转换为稳定的低压输出电源,它具有低压差、噪声低、稳定性好、纹波小等优点,广泛应用于各种电子设备中,希望本文的内容可以对您根据自己的需求在选择合适的LDO时提供一些有效建议。
更多精彩内容详见
https://www.awinic.com
221

被折叠的 条评论
为什么被折叠?



