1、概述
生成word或者PDF文件,会遇到有一些字体库中没有的汉字,我们可以基于现有的字体库,新增此生僻字,以“石羡”(xiàn)为例,石字旁羡。
基于SimHei.ttf或者SimSun.ttf(字体库任选)。
2、软件
2.1 依赖软件FontForge
2.2 unicode编码查询
3、步骤
3.1 使用FontForge打开字体库

3.2 字体位置
从E0000开始有一段预留的空白字体位置。
3.3 开始绘制
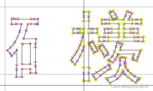
我们要绘制“石羡”,在网页上,输入法可以找到这个字,但是输入后无法显示。
绘制的时候,怕自己画的不好看,可以使用组合的方式,例如,偏旁部首“石”,我们选用基础的“础”的石字旁。
3.3.1 查询“础”
通过网站http://www.zisea.com/zscontent.asp?uni=7840查询“础”的unicode编码为“7840”。

3.3.2 找到字体库中的“础”

双击打开

Ctrl+A全选复制这些笔画,回到E000开始的空白位置,选择E1E2的位置,双击打开,将此笔画直接Ctrl+V复制进去,复制进去之后,把“出”删掉。

3.3.2 查询“檨”(shē)
我们使用檨的羡这一半,因为如果直接使用羡,字体有点违和,需要自己调整修改,写出来的字不好看。

3.3.3 使用檨的羡

双击檨打开,并复制笔画,复制到“石”字旁的边上
3.3.4 去掉木字旁

3.3.5 把羡平移到石字旁的边上

3.3.6 保存

导出生成后,使用此字体库,就可以在Word、PDF上生成此字了。

本文介绍了如何在字体库中添加生僻字,以‘石羡’为例,详细阐述了使用FontForge软件进行操作的步骤,包括查询unicode编码、选择字体位置、组合绘制以及保存新字体库。
2223

被折叠的 条评论
为什么被折叠?



