Android Audio序列4(专题 )---AFE 介绍
一、AFE 介绍
AFE 全称 Audio Front End,音频前端后端。
AFE的重要模块包括:
(1)AFE Speaker / MIC ---- 开关控制, 打开/关闭。
(2)Volume Control ---- 音量控制,Analog Volume, Digital Volume。
(3)一些硬件的开关: 比如蓝牙,PA。
(4)音频 和 语音 同步外理的控制。
(5)数字处理器 DSP 的配置。
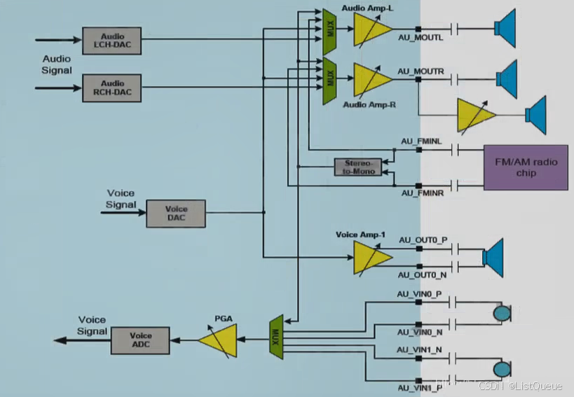
1.1、AFE 硬件介绍
audip 可以分为两部份,如下图:
-
UpLink : 以 MIC 为主的输入端。
数据经过放大,通过 ADC 将模拟信号转化为数字信号。 -
DownLink : 以 Speaker 为主的输出端。
数字信号,通过 DAC 转化为模拟信号,经过PA 放大,然后从 Speaker 输出。 -
通话的时候 : 会有一个独立的DAC (Voice Signal)。
Stereo-to-Mono(L1SP_STEREO2MONO) : 是将多声道立体声(L1SP_BUFFER_ST) 合成 为单声道的数据(L1SP_BUFFER_EXT)。
下图分为两部分:
-
Downlink / Playback
对播放 Playback 来说,AP侧会将解码完毕的PCM数据放到 Palyback_buf 1/2 中,
通过 I_05 / I_O6 或 I_07 / I_08,再通过 Output 端口再输出到硬件上去。比如,蓝牙耳机要播放音乐的时候,是通过 I_05 / I_06 输出到 O_02 的DAI_output 上去。
-
Uplink
如果是蓝牙的话,通过 DAI input 的 I_02 端口,从 O_11 到 record buf 4(DAI) 进入。
如果是普通的MIC 的话,则是通过 ADC1 采样进来,最终通过 I_03 到 O_09 进入record buf 1(VUL)。


带语音通话时:音频是通过DSP 来处理的,控制路径是:
AP --> ARM --> Modem --> ARM --> DSP --> AudioSys
不带语音通话时:
下行时,AP --> ARM --> Mode --> ARM --> DSP --> AudioSys
上行时,AP --> ARM --> AudioSys

Android AFE音频前端后端介绍
&spm=1001.2101.3001.5002&articleId=109905706&d=1&t=3&u=de8dbcaba28640a4b053713fd413ad6f)
629

被折叠的 条评论
为什么被折叠?



