Android Camera序列21(Qualcomm )---Flashlight 及 Kernel Flashlight 代码分析
一、[硬件] 闪光灯硬件原理图
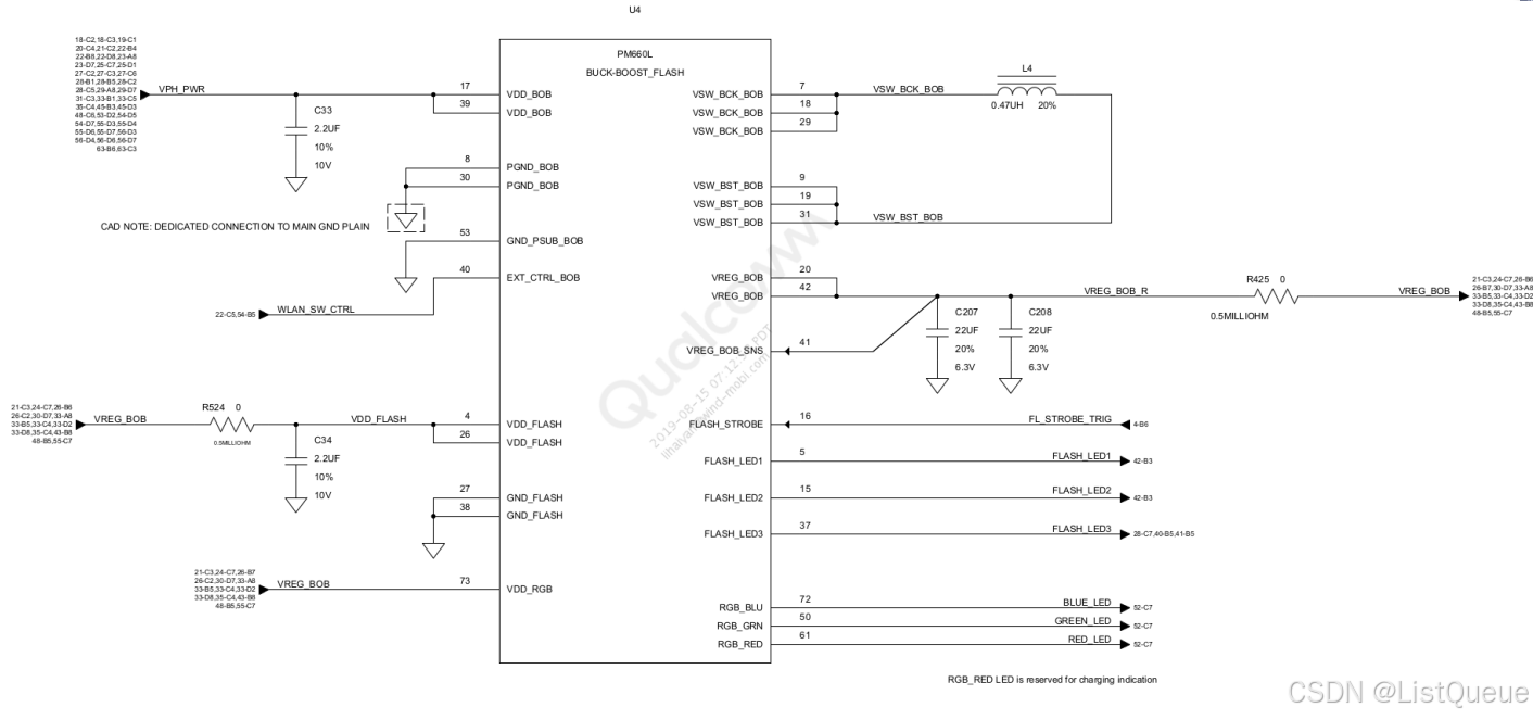
以 mm-camera/mm-camera2/media-controller/modules/sensors/configs/sdm660_camera.xml 中的flash 为例,
先来看下原理图:

从原理图中可以看出,闪光灯的电 VDD_FLASH 及 开关控制引脚 FLASH_STROBE、FLASH_LED1、FLASH_LED2、FLASH_LED3 都是由 PM660L 来控制的。
其中 :
- VDD_FLASH : 是主供电
- FLASH_STROBE : 手电筒模式时的PWM输出脚
- FLASH_LED1、FLASH_LED2、FLASH_LED3 : 闪光灯模式时的PWM输出脚,可以包含单闪、双闪需求
这个是一个方框图,由电池供电,经过升压,接着通过脉宽引脚的高电平来控制LED 的亮暗程度。

所以整个原理是比较清晰的,代码方面要需对上述引脚做如下控制
- 闪光灯的上下电
- 手电筒模式还是闪光灯模式
- 根据亮度来控制PWM 输出的高电平脉宽占比
二、[vendor] 库文件 lib
从sdm660_camera.xml 中可以看出,<FlashName>pmic</FlashName>,
其代码位于:mm-camera/mm-camera2/media-controller/modules/sensors/flash/libs/pmic/pmic_flash.h,最终编译生成 libflash_pmic.so 库
在其头文件中:
# mm-camera/mm-camera2/media-controller/modules/sensors/flash/libs/pmic/pmic_flash.h
#include "flash_lib.h"
/*
* if flash_driver_type is set to FLASH_DRIVER_DEFAULT
* flash specifications are taken from kernel and the flash is driven by kernel.
* For other value FLASH_DRIVER_PMIC / FLASH_DRIVER_GPIO
* FLASH_DRIVER_I2C all the information like max current
* max duration and num of flashes must be provided in this driver.
*/
static flash_lib_t flash_lib_ptr = {
.flash_name = "pmic",
.flash_driver_type = FLASH_DRIVER_TYPE_DEFAULT,
.main_flash_on_frame_skip = 3,
.main_flash_off_frame_skip = 3,
.torch_on_frame_skip = 2,
.torch_off_frame_skip = 2,
};
头文件中主要是定义了在闪光灯打开时,摄像头需要跳过的帧数,及在手机筒打开时需要跳过的帧数。
还是一个比较重要的就是 flash_driver_type,
- 当
.flash_driver_type = FLASH_DRIVER_TYPE_DEFAULT,时,闪光灯的相关配置是由kernel 来定义的。 - 当
.flash_driver_type = FLASH_DRIVER_PMIC,和其他值时,闪光灯的相关配置需要由本lib 库来定义。
三、[vendor] 通用代码 flash.c 初始化
flash open动作是在 module_sensor_offload_open()中调用打开 闪光灯节点的。
flash 初始化是由 module_sensor_offload_init_config() 中来调用的。
void module_sensor_offload_init_config( void* param1, void* param2, void* param3 __attribute__((unused)),
void* param4 __attribute__((unused)))
{
// 初始化闪光灯 ,调用 flash_init(),打开闪光灯 lib 库
SLOW("flash subdev id = %d",
status = module_sensor_flash_init(s_bundle);
// 获取使用闪光灯时,跳过的帧数,如果没设置,默认过滤 2 帧
/* Get led frame skip timing parameters */
SENSOR_SUB_MODULE_PROCESS_EVENT(s_bundle, SUB_MODULE_LED_FLASH, LED_FLASH_GET_FRAME_SKIP_TIME_PARAMS, s_bundle, rc);
if (rc < 0) {
SERR("failed to get led off frame skip time");
s_bundle->main_flash_on_frame_skip = 2;
s_bundle->main_flash_off_frame_skip = 2;
s_bundle->torch_on_frame_skip = 2;
s_bundle->torch_off_frame_skip = 2;
}
}
3.1、module_sensor_flash_init()
# mm-camera/mm-camera2/media-controller/modules/sensors/module/module_sensor.c
boolean module_sensor_flash_init(module_sensor_bundle_info_t *s_bundle)
{
/* Get flash name from camera config read from daemon init */
a_name = s_bundle->sensor_common_info.camera_config.flash_name;
SENSOR_SUB_MODULE_PROCESS_EVENT(s_bundle, SUB_MODULE_LED_FLASH, LED_FLASH_INIT, a_name, rc);
return TRUE;
}
可以看出,在 module_sensor_flash_init() 中主要是调用 flash_init() 来做初始化的。
case LED_FLASH_INIT:
rc = flash_init(flash_ctrl, data);
goto flash_process_Exit;
我们来看下 flash_init() 的内容。
- 根据传递的name ,拼凑lib 库的字符串,此处为
libflash_pmic.so,同步将 pmic_flash.h中的结构体内容保存在flash_ptr->driver_lib_data中。 - 解析 pmic 参数信息,及
flash_driver_type信息。 - 配置 I2C 地址信息
- 解析上下电信息,准备下发到 Kernel 中
- 下发
CFG_FLASH_INIT命令到 Kernel 中,相关信息保存在.flash_init_info中
static int32_t flash_init(void *ptr, void *data)
{
sensor_flash_data_t *flash_ctrl = (sensor_flash_data_t*)ptr;
struct msm_flash_init_info_t flash_init_info;
struct msm_flash_cfg_data_t flash_cfg;
struct msm_camera_i2c_reg_setting_array *flash_init_settings = NULL;
struct msm_sensor_power_setting_array *power_setting_array = NULL;
SDBG("Enter");
/* memset flash init info */
memset(&flash_init_info, 0, sizeof(flash_init_info));
// 1. 根据传递的name ,拼凑lib 库的字符串,此处为 libflash_pmic.so,同步将 pmic_flash.h中的结构体内容保存在 flash_ptr->driver_lib_data 中
/* Load flash library */
rc = flash_load_lib(ptr, name);
// 2. 解析 pmic 参数信息。
flash_update_settings_size(flash_ctrl->driver_lib_data);
// 3. 解析 flash_driver_type 信息
switch (flash_ctrl->driver_lib_data->flash_driver_type) {
case FLASH_DRIVER_TYPE_PMIC:
flash_init_info.flash_driver_type = FLASH_DRIVER_PMIC;
break;
case FLASH_DRIVER_TYPE_I2C:
flash_init_info.flash_driver_type = FLASH_DRIVER_I2C;
break;
case FLASH_DRIVER_TYPE_GPIO:
flash_init_info.flash_driver_type = FLASH_DRIVER_GPIO;
break;
case FLASH_DRIVER_TYPE_DEFAULT:
flash_init_info.flash_driver_type = FLASH_DRIVER_DEFAULT;
break;
}
// 4. 配置I2C 地址
flash_init_info.slave_addr = flash_ctrl->driver_lib_data->i2c_flash_info.slave_addr;
flash_init_info.i2c_freq_mode = sensor_sdk_util_get_i2c_freq_mode(
flash_ctrl->driver_lib_data->i2c_flash_info.i2c_freq_mode);
// 5. 解析上下电信息,准备下发到 Kernel 中
/* Translate power settings from uspace structure to kernel struct */
power_setting_array = (struct msm_sensor_power_setting_array *)malloc(sizeof(*power_setting_array));
translate_camera_power_setting(power_setting_array,&(flash_ctrl->driver_lib_data->power_setting_array));
/* Translate reg array settings from uspace structure to kernel struct */
flash_init_settings = (struct msm_camera_i2c_reg_setting_array *)malloc(sizeof(*flash_init_settings));
translate_sensor_reg_setting_array(flash_init_settings,
&(flash_ctrl->driver_lib_data->i2c_flash_info.flash_init_settings));
flash_init_info.power_setting_array = power_setting_array;
flash_init_info.settings = flash_init_settings;
for (i = 0; i < MAX_LED_TRIGGERS; i++) {
flash_cfg.flash_current[i] = flash_ctrl->driver_lib_data->max_flash_current[i];
flash_cfg.flash_duration[i] = flash_ctrl->driver_lib_data->max_flash_duration[i];
SLOW("i = %d flash_current = %d flash_duration = %d", i, flash_cfg.flash_current[i], flash_cfg.flash_duration[i]);
}
// 6. 下发 CFG_FLASH_INIT 命令到 Kernel 中,相关信息保存在 .flash_init_info 中
flash_cfg.cfg_type = CFG_FLASH_INIT;
flash_cfg.cfg.flash_init_info = &flash_init_info;
rc = ioctl(flash_ctrl->fd, VIDIOC_MSM_FLASH_CFG, &flash_cfg);
for (i = 0; i < MAX_LED_TRIGGERS; i++) {
flash_ctrl->flash_max_current[i] = flash_cfg.flash_current[i];
flash_ctrl->flash_max_duration[i] = flash_cfg.flash_duration[i];
SLOW("i = %d flash_max_current = %d flash_max_duration = %d",
i, flash_ctrl->flash_max_current[i], flash_ctrl->flash_max_duration[i]);
}
SDBG("Exit");
free(power_setting_array);
free(flash_init_settings);
return SENSOR_SUCCESS;
}
3.2、flash_process()
flash_process() 是 flashlight 的核心函数
# mm-camera/mm-camera2/media-controller/modules/sensors/flash/module/flash.c
static int32_t flash_process(void *ctrl, sensor_submodule_event_type_t event, void *data)
{
flash_ctrl = (sensor_flash_data_t *)ctrl;
rer = flash_ctrl->rer;
dual_led_setting = &flash_ctrl->dual_led_setting;
/* Initilize to invalid value
* Kernel uses default values if not updated */
cfg.flash_current[0] = default_current;
cfg.flash_current[1] = default_current;
/* Translate reg array settings from uspace structure to kernel struct */
flash_settings = (struct msm_camera_i2c_reg_setting_array *)malloc( sizeof(*flash_settings));
SLOW("event %d", event);
switch (event) {
case LED_FLASH_GET_MAX_CURRENT: { // 1. 获得闪光灯的最大电流
int32_t ** flash_current = (int32_t **)data;
*flash_current = &(flash_ctrl->flash_max_current[0]);
goto flash_process_Exit;
}
case LED_FLASH_GET_MAX_DURATION: { // 2. 获得双闪的最大电流
uint32_t* flash_duration = (uint32_t*)data;
*flash_duration = flash_ctrl->flash_max_duration[0];
goto flash_process_Exit;
}
case LED_FLASH_SET_CURRENT: { // 3. 设置闪光灯的最大电流
/* Get currents for dual LED */
rc = flash_set_current(data, dual_led_setting);
goto flash_process_Exit;
}
case LED_FLASH_INIT: // 4. 闪光灯初始化
rc = flash_init(flash_ctrl, data);
goto flash_process_Exit;
case LED_FLASH_SET_RER_CHROMATIX: { // 5. 设置 红眼 chromatix 参数
rer_chromatix = (red_eye_reduction_type *)data;
/* Get (RER) data from chromatix */
rc = flash_rer_set_chromatix(rer, rer_chromatix);
goto flash_process_Exit;
}
case LED_FLASH_GET_RER_PARAMS: { // 6. 获取 红眼 参数
*(int32_t *) data = rer->cfg->red_eye_reduction_led_flash_enable;
goto flash_process_Exit;
}
case LED_FLASH_SET_RER_PARAMS: { // 7. 设置 红眼 参数
mode = (int32_t *)data;
rc = flash_rer_set_parm(rer, *mode);
goto flash_process_Exit;
}
case LED_FLASH_SET_FIRING_POWER:{ // 8. 设置电流
flashPower = *(uint8_t *)data;
goto flash_process_Exit;
}
case LED_FLASH_SET_RER_PROCESS: { // 9. 配置红眼处理函数
led_module_params = (module_sensor_params_t *)data;
rc = flash_rer_sequence_process(rer, led_module_params);
goto flash_process_Exit;
}
case LED_FLASH_SET_OFF: // 10. 关闭闪光灯
SHIGH("Turning off flash");
translate_sensor_reg_setting_array(flash_settings,
&(flash_ctrl->driver_lib_data->i2c_flash_info.flash_off_settings));
cfg.cfg_type = CFG_FLASH_OFF;
cfg.cfg.settings = flash_settings;
break;
case LED_FLASH_SET_TORCH:
case LED_FLASH_SET_PRE_FLASH: { // 11. 开启 手电筒 或 开启预闪,下发参数 CFG_FLASH_LOW
SHIGH("Turning on torch/pre flash");
/* Pre flash mode */
translate_sensor_reg_setting_array(flash_settings,
&(flash_ctrl->driver_lib_data->i2c_flash_info.flash_low_settings));
cfg.cfg_type = CFG_FLASH_LOW;
cfg.cfg.settings = flash_settings;
if (dual_led_setting->low_setting[0] == 0 && dual_led_setting->low_setting[1] == 0) {
cfg.flash_current[0] = data ? *(int32_t *)data : default_current;
cfg.flash_current[1] = data ? *(int32_t *)data : default_current;
} else {
cfg.flash_current[0] = dual_led_setting->low_setting[0];
cfg.flash_current[1] = dual_led_setting->low_setting[1];
}
break;
}
case LED_FLASH_SET_RER_PULSE_FLASH: { // 12. 设置红眼 脉冲 电平
/* RER flash pulses */
translate_sensor_reg_setting_array(flash_settings,
&(flash_ctrl->driver_lib_data->i2c_flash_info.flash_high_settings));
cfg.cfg_type = CFG_FLASH_HIGH;
/* Use chromatix current if exist (set in RER_PROCESS)*/
cfg.flash_current[0] = data ? *(int32_t *)data : default_current;
cfg.flash_current[1] = data ? *(int32_t *)data : default_current;
cfg.cfg.settings = flash_settings;
temp = (dual_led_setting->high_setting[0] + dual_led_setting->high_setting[1]);
if (temp > 0) {
/* Update with Dual LED current */
cfg.flash_current[0] = (cfg.flash_current[0] * dual_led_setting->high_setting[0]) / temp;
cfg.flash_current[1] = (cfg.flash_current[1] * dual_led_setting->high_setting[1]) / temp;
}
break;
}
case LED_FLASH_SET_MAIN_FLASH: { // 13. 开启主闪
SHIGH("Turning on main flash");
/* Main flash mode */
translate_sensor_reg_setting_array(flash_settings,
&(flash_ctrl->driver_lib_data->i2c_flash_info.flash_high_settings));
cfg.cfg_type = CFG_FLASH_HIGH;
cfg.cfg.settings = flash_settings;
if (dual_led_setting->high_setting[0] == 0 && dual_led_setting->high_setting[1] == 0) {
cfg.flash_current[0] = data ? *(int32_t *)data : default_current;
cfg.flash_current[1] = data ? *(int32_t *)data : default_current;
} else {
cfg.flash_current[0] = dual_led_setting->high_setting[0];
cfg.flash_current[1] = dual_led_setting->high_setting[1];
}
rc = flash_rer_wait_pupil_contract(rer, led_module_params);
break;
}
case LED_FLASH_GET_FRAME_SKIP_TIME_PARAMS: // 14. 获取 帧数过滤 参数
{
module_sensor_bundle_info_t* s_bundle = (module_sensor_bundle_info_t*)data;
rc = flash_get_frame_skip_timing_params(s_bundle,flash_ctrl);
goto flash_process_Exit;
}
}
rc = ioctl(flash_ctrl->fd, VIDIOC_MSM_FLASH_CFG, &cfg);
flash_process_Exit:
free(flash_settings);
return rc;
}
可以看出,操作闪光灯,都是操作 flash_process() 函数,最终都是通过 ioctl 来下发指令和参数的,还是比较好理解的。
接下来我们来看下 Kernel 中的代码。
四、[Kernel] flashlight 驱动
4.1、Kernel probe 初始化 msm_flash_platform_probe()
# msm-4.14/arch/arm64/boot/dts/qcom/sdm660-camera-sensor-mtp.dtsi
&soc {
led_flash0: qcom,camera-flash@0 {
cell-index = <0>;
compatible = "qcom,camera-flash";
qcom,flash-source = <&pm660l_flash0 &pm660l_flash1>;
qcom,torch-source = <&pm660l_torch0 &pm660l_torch1>;
qcom,switch-source = <&pm660l_switch0>;
status = "ok";
};
led_flash1: qcom,camera-flash@1 {
cell-index = <1>;
compatible = "qcom,camera-flash";
qcom,flash-source = <&pm660l_flash2>;
qcom,torch-source = <&pm660l_torch2>;
qcom,switch-source = <&pm660l_switch1>;
status = "ok";
};
对应的c 代码位于: msm-4.14/drivers/media/platform/msm/camera_v2/sensor/flash/msm_flash.c
static const struct of_device_id msm_flash_dt_match[] = {
{.compatible = "qcom,camera-flash", .data = NULL},
{}
};
MODULE_DEVICE_TABLE(of, msm_flash_dt_match);
static struct platform_driver msm_flash_platform_driver = {
.probe = msm_flash_platform_probe,
.driver = {
.name = "qcom,camera-flash",
.owner = THIS_MODULE,
.of_match_table = msm_flash_dt_match,
},
};
主要工作流程:
- 解析dts 信息,包括
cell-index、qcom,cci-master、qcom,switch-source、qcom,flash-source、qcom,max-current、qcom,duration等。 - 初始化
V4L2 subdev,节点名为/dev/v4l-subdevX - 如果
type = FLASH_DRIVER_PMIC,
会对每一个touch_source注册为 led 设备,创建一个sys 节点,qcom,led-name = "led:torch_0";
static int32_t msm_flash_platform_probe(struct platform_device *pdev)
{
struct msm_flash_ctrl_t *flash_ctrl = NULL;
struct msm_camera_cci_client *cci_client = NULL;
flash_ctrl = kzalloc(sizeof(struct msm_flash_ctrl_t), GFP_KERNEL);
memset(flash_ctrl, 0, sizeof(struct msm_flash_ctrl_t));
flash_ctrl->pdev = pdev;
// 1. 解析dts 信息,包括 cell-index、qcom,cci-master、
// qcom,switch-source、qcom,flash-source、qcom,max-current、qcom,duration
// qcom,torch-source、qcom,gpio-vana、qcom,gpio-vio、qcom,gpio-vaf、qcom,gpio-vdig、qcom,gpio-reset
// qcom,gpio-standby、qcom,gpio-af-pwdm、qcom,gpio-flash-en、qcom,gpio-flash-reset
rc = msm_flash_get_dt_data(pdev->dev.of_node, flash_ctrl);
// 2. 初始化 V4L2 subdev,节点名为 /dev/v4l-subdevX
flash_ctrl->flash_state = MSM_CAMERA_FLASH_RELEASE;
flash_ctrl->power_info.dev = &flash_ctrl->pdev->dev;
flash_ctrl->flash_device_type = MSM_CAMERA_PLATFORM_DEVICE;
flash_ctrl->flash_mutex = &msm_flash_mutex;
flash_ctrl->flash_i2c_client.i2c_func_tbl = &msm_sensor_cci_func_tbl;
flash_ctrl->flash_i2c_client.cci_client = kzalloc(
sizeof(struct msm_camera_cci_client), GFP_KERNEL);
cci_client = flash_ctrl->flash_i2c_client.cci_client;
cci_client->cci_subdev = msm_cci_get_subdev();
cci_client->cci_i2c_master = flash_ctrl->cci_i2c_master;
/* Initialize sub device */
v4l2_subdev_init(&flash_ctrl->msm_sd.sd, &msm_flash_subdev_ops);
v4l2_set_subdevdata(&flash_ctrl->msm_sd.sd, flash_ctrl);
flash_ctrl->msm_sd.sd.internal_ops = &msm_flash_internal_ops;
flash_ctrl->msm_sd.sd.flags |= V4L2_SUBDEV_FL_HAS_DEVNODE;
snprintf(flash_ctrl->msm_sd.sd.name, ARRAY_SIZE(flash_ctrl->msm_sd.sd.name),"msm_camera_flash");
media_entity_pads_init(&flash_ctrl->msm_sd.sd.entity, 0, NULL);
flash_ctrl->msm_sd.sd.entity.function = MSM_CAMERA_SUBDEV_FLASH;
flash_ctrl->msm_sd.close_seq = MSM_SD_CLOSE_2ND_CATEGORY | 0x1;
msm_sd_register(&flash_ctrl->msm_sd);
CDBG("%s:%d flash sd name = %s", __func__, __LINE__,
flash_ctrl->msm_sd.sd.entity.name);
msm_cam_copy_v4l2_subdev_fops(&msm_flash_v4l2_subdev_fops);
#ifdef CONFIG_COMPAT
msm_flash_v4l2_subdev_fops.compat_ioctl32 =
msm_flash_subdev_fops_ioctl;
#endif
flash_ctrl->msm_sd.sd.devnode->fops = &msm_flash_v4l2_subdev_fops;
// 3. 如果 type = FLASH_DRIVER_PMIC,
// 会对每一个 touch_source 注册为 led 设备,创建一个sys 节点, qcom,led-name = "led:torch_0";
if (flash_ctrl->flash_driver_type == FLASH_DRIVER_PMIC)
rc = msm_torch_create_classdev(pdev, flash_ctrl);
=========>
for (i = 0; i < fctrl->torch_num_sources; i++) {
if (fctrl->torch_trigger[i]) {
led_classdev_register(&pdev->dev, &msm_torch_led[i]);
----->
ret = led_add_brightness_hw_changed(led_cdev);
led_update_brightness(led_cdev);
led_init_core(led_cdev);
led_trigger_set_default(led_cdev);
}
<=========
CDBG("probe success\n");
return rc;
}
好了,probe 流程,到这就完了,很常规的解析节点,注册V4L2,注册LED 设备,没啥好说的。
接下来,我们来看下上层操作闪光灯时,下发的一些指令是怎么跑的。
4.2、CFG_FLASH_INIT 初始化闪光灯
在闪光灯代码中,主要包括如下五种 ioctrl 指令:
enum msm_flash_cfg_type_t {
CFG_FLASH_INIT, // 初始化
CFG_FLASH_RELEASE, // 释放
CFG_FLASH_OFF, // 关闭
CFG_FLASH_LOW, // 手电筒 或 预闪
CFG_FLASH_HIGH, // 主闪
};
接下来,看下 init 做了什么事:
static int32_t msm_flash_config(struct msm_flash_ctrl_t *flash_ctrl, void *argp)
{
switch (flash_data->cfg_type) {
case CFG_FLASH_INIT:
rc = msm_flash_init_prepare(flash_ctrl, flash_data);
break;
}
rc = msm_flash_prepare(flash_ctrl);
}
在 msm_flash_init_prepare() 中主要是,保存闪光灯电流参数,及保存上层下发的所有参数
static int32_t msm_flash_init_prepare(struct msm_flash_ctrl_t *flash_ctrl, struct msm_flash_cfg_data_t *flash_data)
{
struct msm_flash_cfg_data_t flash_data_k;
struct msm_flash_init_info_t flash_init_info;
int32_t i = 0;
flash_data_k.cfg_type = flash_data->cfg_type;
for (i = 0; i < MAX_LED_TRIGGERS; i++) {
flash_data_k.flash_current[i] = flash_data->flash_current[i];
flash_data_k.flash_duration[i] = flash_data->flash_duration[i];
}
flash_data_k.cfg.flash_init_info = &flash_init_info;
if (copy_from_user(&flash_init_info,(void __user *)(flash_data->cfg.flash_init_info),
sizeof(struct msm_flash_init_info_t))) {
pr_err("%s copy_from_user failed %d\n",__func__, __LINE__);
return -EFAULT;
}
return msm_flash_init(flash_ctrl, &flash_data_k);
}
接着调用 msm_flash_init(),
在函数中,通过 camera_flash_init() 函数来下发参数, 初始化 flash_state = MSM_CAMERA_FLASH_INIT。
# msm-4.14/drivers/media/platform/msm/camera_v2/sensor/flash/msm_flash.c
static int32_t msm_flash_init(struct msm_flash_ctrl_t *flash_ctrl,struct msm_flash_cfg_data_t *flash_data)
{
uint32_t i = 0;
int32_t rc = -EFAULT;
enum msm_flash_driver_type flash_driver_type = FLASH_DRIVER_DEFAULT;
CDBG("Enter");
if (flash_data->cfg.flash_init_info->flash_driver_type == FLASH_DRIVER_DEFAULT) {
flash_driver_type = flash_ctrl->flash_driver_type;
for (i = 0; i < MAX_LED_TRIGGERS; i++) {
flash_data->flash_current[i] = flash_ctrl->flash_max_current[i];
flash_data->flash_duration[i] = flash_ctrl->flash_max_duration[i];
}
} else if (flash_data->cfg.flash_init_info->flash_driver_type == flash_ctrl->flash_driver_type) {
flash_driver_type = flash_ctrl->flash_driver_type;
for (i = 0; i < MAX_LED_TRIGGERS; i++) {
flash_ctrl->flash_max_current[i] = flash_data->flash_current[i];
flash_ctrl->flash_max_duration[i] = flash_data->flash_duration[i];
}
}
for (i = 0; i < ARRAY_SIZE(flash_table); i++) {
if (flash_driver_type == flash_table[i]->flash_driver_type) {
flash_ctrl->func_tbl = &flash_table[i]->func_tbl;
rc = 0;
}
}
if (flash_ctrl->func_tbl->camera_flash_init) {
rc = flash_ctrl->func_tbl->camera_flash_init(flash_ctrl, flash_data);
}
flash_ctrl->flash_state = MSM_CAMERA_FLASH_INIT;
CDBG("Exit");
return 0;
}
camera_flash_init定义如下:
可以看出,当使和pmic 时,是不需要进行 camera_flash_init() 的,函数 为空。
如果走的是 gpio ,就会开始关闭所有的gpio,详细可以自行分析 msm_flash_gpio_init()。
如果 i2c ,则会初始化上电,然后通过 i2c 定义闪光灯相关的配置。
#msm-4.14/drivers/media/platform/msm/camera_v2/sensor/flash/msm_flash.c
static struct msm_flash_table msm_pmic_flash_table = {
.flash_driver_type = FLASH_DRIVER_PMIC,
.func_tbl = {
.camera_flash_init = NULL,
.camera_flash_release = msm_flash_release,
.camera_flash_off = msm_flash_off,
.camera_flash_low = msm_flash_low,
.camera_flash_high = msm_flash_high,
.camera_flash_query_current = msm_flash_query_current,
},
};
static struct msm_flash_table msm_gpio_flash_table = {
.flash_driver_type = FLASH_DRIVER_GPIO,
.func_tbl = {
.camera_flash_init = msm_flash_gpio_init,
.camera_flash_release = msm_flash_release,
.camera_flash_off = msm_flash_off,
.camera_flash_low = msm_flash_low,
.camera_flash_high = msm_flash_high,
.camera_flash_query_current = NULL,
},
};
static struct msm_flash_table msm_i2c_flash_table = {
.flash_driver_type = FLASH_DRIVER_I2C,
.func_tbl = {
.camera_flash_init = msm_flash_i2c_init,
.camera_flash_release = msm_flash_i2c_release,
.camera_flash_off = msm_flash_i2c_write_setting_array,
.camera_flash_low = msm_flash_i2c_write_setting_array,
.camera_flash_high = msm_flash_i2c_write_setting_array,
.camera_flash_query_current = NULL,
},
};
最终,还会调用 rc = msm_flash_prepare(flash_ctrl);switch_trigger 对应的就是 dts 中的 qcom,switch-source = <&pm660l_switch0>;
其内容如下:
pm660l_switch0: qcom,led_switch_0 {
label = "switch";
qcom,led-name = "led:switch_0";
qcom,led-mask = <3>;
qcom,default-led-trigger = "switch0_trigger";
};
来看下 msm_flash_prepare 的代码,在代码中,就是 通过 switch 进行上电。
static int32_t msm_flash_prepare(struct msm_flash_ctrl_t *flash_ctrl)
{
if (flash_ctrl->switch_trigger == NULL) {
pr_err("%s:%d Invalid argument\n",__func__, __LINE__);
return -EINVAL;
}
// 1. 上电
if (flash_ctrl->flash_state == MSM_CAMERA_FLASH_INIT &&
flash_ctrl->is_regulator_enabled == 0) {
ret = qpnp_flash_led_prepare(flash_ctrl->switch_trigger, ENABLE_REGULATOR, NULL);
flash_ctrl->is_regulator_enabled = 1;
} else if (flash_ctrl->flash_state == MSM_CAMERA_FLASH_RELEASE &&
flash_ctrl->is_regulator_enabled) {
ret = qpnp_flash_led_prepare(flash_ctrl->switch_trigger,DISABLE_REGULATOR, NULL);
flash_ctrl->is_regulator_enabled = 0;
}
CDBG("%s:%d:Exit\n", __func__, __LINE__);
return ret;
}
看下 qpnp_flash_led_prepare() 代码:
有关 led 子系统的代码,可以分析下 msm-4.14/drivers/leds/leds-qpnp-flash-v2.c,有机会我们后面分析,
今天主要分析闪光灯的流程,点到为止,不然篇幅会太长了。
int qpnp_flash_led_prepare(struct led_trigger *trig, int options,int *max_current)
{
// 通过 led:switch_0 名字,找到 led dev设备
led_cdev = trigger_to_lcdev(trig);
// 上电
rc = qpnp_flash_led_regulator_control(led_cdev, options, max_current);
return rc;
}
4.3、CFG_FLASH_LOW 开启手电筒或开启预闪
static int32_t msm_flash_config(struct msm_flash_ctrl_t *flash_ctrl, void *argp)
{
case CFG_FLASH_LOW:
if ((flash_ctrl->flash_state == MSM_CAMERA_FLASH_OFF) || (flash_ctrl->flash_state == MSM_CAMERA_FLASH_INIT)) {
rc = flash_ctrl->func_tbl->camera_flash_low(flash_ctrl, flash_data);
}
break;
}
接下来,我们进入 msm_flash_low() 函数看下,
通过 led_trigger_event() 来点亮。
4.4、CFG_FLASH_OFF 关闭闪光灯
case CFG_FLASH_OFF:
rc = flash_ctrl->func_tbl->camera_flash_off(flash_ctrl, flash_data);
很好理解,通过 led_trigger_event() 来触发 关闭
static int32_t msm_flash_off(struct msm_flash_ctrl_t *flash_ctrl,struct msm_flash_cfg_data_t *flash_data)
{
int32_t i = 0;
CDBG("Enter\n");
for (i = 0; i < flash_ctrl->flash_num_sources; i++)
if (flash_ctrl->flash_trigger[i])
led_trigger_event(flash_ctrl->flash_trigger[i], 0);
for (i = 0; i < flash_ctrl->torch_num_sources; i++)
if (flash_ctrl->torch_trigger[i])
led_trigger_event(flash_ctrl->torch_trigger[i], 0);
if (flash_ctrl->switch_trigger)
led_trigger_event(flash_ctrl->switch_trigger, 0);
CDBG("Exit\n");
return 0;
}
4.5、CFG_FLASH_HIGH 开启主闪
case CFG_FLASH_HIGH:
rc = flash_ctrl->func_tbl->camera_flash_high(flash_ctrl, flash_data);
static int32_t msm_flash_high( struct msm_flash_ctrl_t *flash_ctrl, struct msm_flash_cfg_data_t *flash_data)
{
/* Turn off torch triggers */
for (i = 0; i < flash_ctrl->torch_num_sources; i++)
if (flash_ctrl->torch_trigger[i])
led_trigger_event(flash_ctrl->torch_trigger[i], 0);
/* Turn on flash triggers */
for (i = 0; i < flash_ctrl->flash_num_sources; i++) {
if (flash_ctrl->flash_trigger[i]) {
max_current = flash_ctrl->flash_max_current[i];
if (flash_data->flash_current[i] >= 0 && flash_data->flash_current[i] < max_current) {
curr = flash_data->flash_current[i];
} else {
curr = flash_ctrl->flash_op_current[i];
pr_debug("LED flash_current[%d] clamped %d\n", i, curr);
}
CDBG("high_flash_current[%d] = %d", i, curr);
led_trigger_event(flash_ctrl->flash_trigger[i], curr);
}
}
if (flash_ctrl->switch_trigger)
led_trigger_event(flash_ctrl->switch_trigger, 1);
return 0;
}
好啦,闪光灯代码,就先看到这里,前面逻辑还是比较好理解的,
后面到了kernel 层,主要就是led 子系统的工作了,由它来实现点亮和关闭灯。
&spm=1001.2101.3001.5002&articleId=109880853&d=1&t=3&u=329cb02ee9cb4a84a8745c5cdd81208b)
2070

被折叠的 条评论
为什么被折叠?



