认识电平转换器
1、为什么需要电平转换器
现今电子系统变得越来越快、越来越通用,同时功耗越来越低,为了满足这一趋势的需求,半导体工厂一直在缩小制造工艺,尤其是电子系统核心的 LSI 芯片;随著制程的缩小,逐渐走向低压元件布局,部分原因是小尺寸制程的耐压较低(由于内部电场的影响),部分原因是市场对降低功耗的需求,相比之下,外围 IC 仍以 5 V 或 3.3 V 运行,以保持与外部系统界面标准的兼容性。
因此,核心和外围 IC 可能在不同的电压下运作,为了在两个电压域之间进行连接,需要将驱动器的输出电压电平转换为与接收器的输入规范相容的电平,扮演这个角色的装置是电平转换器(也被一些制造商称为电压转换器或电压转换 IC)。 选择满足系统规格(例如电压转换电平、传递延迟时间和封装要求)的电平转换器需要相当多的技能。
东芝 (TOSHIBA) 半导体在这方面拥有齐全的产品对应,除了提供详尽的使用手册,并给予完整的技术支援,后面内容将以自家产品来做举例介绍。
2、电平转换器 (电压转换IC) 大致分为以下两种
(1) 专用电平转换器IC
.电平转换器(缓冲器型)
单电源 / 单向:74LV4T125FT、74LV4T126FT、7UL1T34FU
双电源 / 双向:TC7MP3125FT、TC7MPN3125FT
.双电源电平转换汇流排开关
双电源 / 双向:TC7xPB9306/7 Series
(2) 具有以下电平转换功能之一的 CMOS 和单闸极逻辑 (L-MOS*) IC:
*.单闸极逻辑IC以下简称L-MOS IC。
.TTL电平输入
.输入容错功能
.开路汲极输出
2.1 TTL电平输入
电晶体 - 电晶体逻辑 (TTL) 由工作电压为 5 V 的双极电晶体构成。虽然目前最常用的是 CMOS 逻辑 IC,但 74LS 和 74ALS 系列等 TTL 逻辑仍在使用。 TTL 输入电平有一个行业标准,以确保讯号可以在使用 5V 电源运行的逻辑系统中正确地从一个设备传递到另一个设备。 以字母“T”结尾的 TC74HCT、TC74ACT 和 TC74VHCT 系列具有 5V TTL 电平输入。
基本 TTL 系列的变体包括与由 CMOS 装置组成的 3V 电源相容的低电压 TTL (LVTTL)。 LVTTL 由 JEITA ED-5001A 标准化,具有与 TTL 相同的阈值电压。 74LCX 和 74VCX 系列符合 LVTTL 要求。
通常典型 CMOS 逻辑的输入阈值设计为 1/2 x VCC,且数据表上的标准为 VIH (0.7 x VCC) / VIL (0.3 x VCC)。 因此,在 5V 的情况下 CMOS 逻辑,为 VIH(3.5V)/ VIL(1.5V)。 5V TTL 逻辑的输出电压标准化为 VOH(2.4V)/ VOL(0.4V)。 当 5V TTL 逻辑 IC 的输出连接到 5V CMOS逻辑IC,CMOS逻辑IC无法辨识 5V TTL 逻辑 IC 的 VOH 电平(2.4V)为高电位(因为 VOH < VIH)。
相反,当 VCC = 5 V 时,具有 TTL 电平输入的 CMOS 逻辑 IC 的最小 VIH 为 2.0V,最大 VIL 为 0.8 V,低于典型 CMOS 逻辑 IC 的输入阈值。
因此,CMOS 逻辑 IC 可以将 5V TTL 逻辑 IC 的 VOH 电平识别为高电位,因为 VOH > VIH。

2.2 输入容错功能
输入容错功能可防止当输入电压高于电源电压时,电流从输入流向电源(VCC)。
这是透过输入保护电路来实现的,可由规格书中的输入电压范围以确定逻辑 IC 是否具有输入容限功能。
具有此功能的 IC,无论 VCC 电平如何,最大输入电压等于 VCC 最大值 5.5V(适用于 74VHC 系列);相反的,不含输入容错功能的 IC,输入电压范围为 0 V 至 VCC。

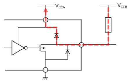
2.3 开路汲极 IC(单向上下转换)
透过上拉电阻的一端连接到开路汲极 IC 的输出端,并将另一端连接到电源,进而实现开路汲极 IC 输出端达到任意电压位准。
然而,为了将 IC 的输出上拉到高于其自身的电源电压(当 VCCA < VCCB 时),需要使用具有输出容错功能的 IC,以确保电流不会从VCCB流向 VCCA。
输出容错功能也称为掉电保护,如果没有掉电保护,当 VCCB > VCCA 时,电流从 VCCB 流向 VCCA。

具有掉电保护的输出允许施加高达最大 VOUT 电平(74VHCT 系列为 5.5 V)的电压。反及闸 (03)、反相器 (05) 和缓冲器 (07) 均具有开路汲极输出。
此外,由于输出低电位时,有一稳态电流流经上拉电阻,应选择适当的电阻值于该位置;输出上升时间受上拉电阻影响,因此可能与输出下降时间不同。
另外,IC 在驱动逻辑低电位时,比驱动逻辑高电位时消耗更多的电流。
3、新手问与答
Q1. 电压和电平的关系?
A1. 电压是指电场的力量或差异;电平则是电压在特定时间段内的状态,亦即稳定的电压。
Q2. 电平转换器适用于什么界面?
A2. 高低速信号通讯接口,常见为 I2C、SPI 及 UART…等
Q3. 可否以图示说明电平转换器的角色?
A3.

Q4. 针对不具有输出容错功能的 IC,请举一范例。
A4. 若该 IC 只允许向下转换为 VCCB,如下图。

Q5. 针对具有输出容错功能的 IC,请举一范例。
A5. 若该 IC 允许向上和向下转换到最大 VOUT 电平,则与 VCCB 无关。

点击连结以取得更详细的资讯
我要联络 : (台湾) toshiba.tw@aitgroup.com.tw
我要联络 : (中国) toshiba.cn@aitgroup.com.tw
本文介绍了电平转换器在电子系统中的必要性,特别是随着芯片制程减小导致的电压兼容问题。详细讲解了专用电平转换器IC(如74LV4T125FT和TC7MP3125FT)和具有电平转换功能的CMOS/L-MOSIC的特点,以及TTL电平输入、输入容错和开路汲极输出等技术。还解答了新手关于电平转换器的基本概念和应用场景的问题。
233

被折叠的 条评论
为什么被折叠?



