一、DMA原理
1.DMA 全称Direct Memory Access,即直接存储器访问。DMA传输将数据从一个地址空间复制到另一个地址空间。当CPU初始化这个传输动作,传输动作本身是由DMA控制器来实现和完成的。DMA传输方式无需CPU直接控制传输,也没有中断处理方式那样保留现场和恢复现场过程,通过硬件为RAM和IO设备开辟一条直接传输数据的通道,使得CPU的效率大大提高。作用:为CPU减负。
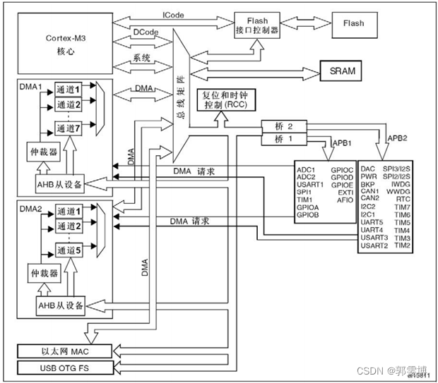
2.STM32最多有2个DMA控制器(DMA2仅存在大容量产品中),DMA1有7个通道。DMA2有5个通道。每个通道专门用来管理来自于一个或多个外设对存储器访问的请求。还有一个仲裁起来协调各个DMA请求的优先权。
3.DMA框图

4.DMA主要特性
③ 独立的源和目标数据区的传输宽度(字节、半字、全字),模拟打包和拆包的过程。源和目标地址必须按数据传输宽度对齐。
④ 支持循环的缓冲器管理。
⑤ 每个通道都有3个事件标志(DMA 半传输,DMA传输完成和DMA传输出错),这3个事件标志逻辑或成为一个单独的中断请求。
⑥ 外设和存储器,存储器和外设的传输 ,存储器和存储器间的传输。
⑦ 闪存、SRAM、外设的SRAM、APB1 APB2和AHB外设均可作为访问的源和目标。
⑧ 可编程的数据传输数目:最大为65536
5.外设的DMA请求,可以通过设置相应外设寄存器中的控制位,被独立地开启或关闭。

本文详细介绍了STM32的直接存储器访问(DMA)机制,包括DMA控制器的功能、通道配置、数据传输特性、中断管理和寄存器配置。讲解了如何通过设置不同寄存器实现DMA传输,并提供了DMA相关的库函数及其作用。内容还涵盖了DMA实验配置步骤,帮助读者理解并应用STM32的DMA技术。
最低0.47元/天 解锁文章
7867

被折叠的 条评论
为什么被折叠?



