0.前言
- 本章主要是大概了解一下开关电源仿真与应用,开关电源仿真设计全过程:包括需求分析/控制/PWM。
- 因为本人并不是专门做电源的,此部分内容仅作了解,并不专门去学习。
文章目录
1.项目需求
便携式储能逆变器

指标
- 规格介绍:
- 输入电压:19.6~29.4V
- 输出范围:100 ~ 120VAC//60HZ
- 输出指标:Vthd < 5% (额定功率阻性负载)
- 输出功率:2KVA
- 峰值功率:3KVA
- 支持功能:过压/过流/过温/短路/非线性负载/电机启动
- 主控制器:TMS320F280025
2.方案介绍

- 110V有效值,峰峰值为乘以根号2,155V,考虑到0.8倍调制比,直流母线电压要在200V以上。
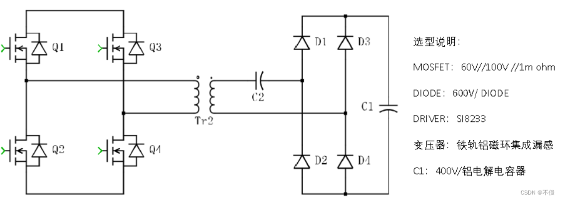
2.1DCDC级(推挽谐振全桥)

2.2全桥逆变器

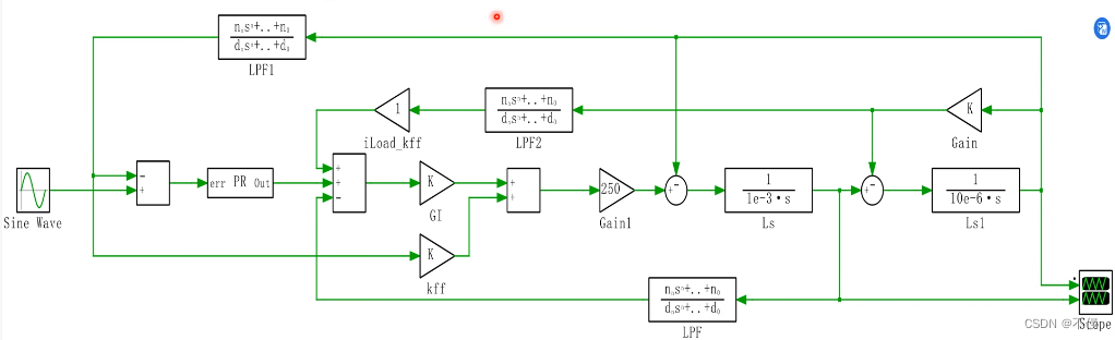
2.3Control loop


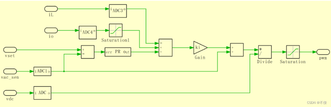
2.4 INV Software Consumer

2.5PWM调制(单极性倍频)



2.6DSP实现(单极性倍频)

PWM调制:单极性



Control loop

2.7 PR control







3电源仿真软件
3.1电源仿真软件对比

3.2 SIMLIPS示例

3.3 PLECS示例

资料来源链接: 开关电源仿真设计全过程:需求分析/控制/PWM
7865

被折叠的 条评论
为什么被折叠?



