0.前言
本章主要介绍变压器相关知识以及其在电源电路中的应用选型。
本文同时作为《【元器件】8.变压器》章节。
1.磁元件应用场合

2.磁元件材料特性
-
铁磁材料包括铁、镍、钴以及它们的合金。将铁磁材料放入磁场后,材料内的磁场会显著增强。铁磁材料在外磁场中呈现很强的磁性,此现象称为铁磁材料的磁化。
-
铁磁材料未放入磁场之前,这些磁畴随机、杂乱地排列着,其磁效应相互抵消,对外部不呈现磁性。一旦铁磁材料放入磁场内,在外磁场的作用下,磁畴的指向将逐步趋于一致,由此形成一个附加磁场叠加在外磁场上,使合成磁场大为增强。由于磁畴所产生的附加磁场要比非铁磁材料在同一磁场强度下所激励的磁场强得多,所以铁磁材料的磁导率μFe要比非铁磁材料大得多。
-
磁芯材料的磁化:

-
磁性材料的磁化曲线:

-
磁材料的饱和滞回曲线:

-
磁化曲线:

磁滞回线窄、剩磁Br和矫顽力Hc都很小的材料,称为软磁材料。常用的软磁材料有铸铁、铸钢和硅钢片等。软磁材料的磁导率较高。常用来制造电机和变压器的铁心。
磁滞回线宽、剩磁Br和矫顽力Hc都大的铁磁材料称为硬磁材料。 -
单边激磁:反激、正激,如图工作在第一象限。
-
双边激磁:半桥、全桥、LLC。 如图工作在第一、三象限。可以更高效率的利用磁芯。可以选择更小的磁芯。为了防止出现在高温条件下磁饱和,使用▲B一般选择0.25T左右。

-
相对磁导率μr:为了比较介质导磁性能,通常以真空磁导率为基准,定义介质的磁导率u与真正磁导率uo之比为相对磁导率ur。

-
选用软磁材料的要求
磁导率要高
要求具有较小的矫顽力Hc和狭窄的磁滞回线
电阻率p要高
具有较高的饱和磁感应强度Bs
3.变压器电磁场分析模型


4.变压器高频损耗的机理
- 绕组损耗模型→匝数,匝长(磁芯面积),绕组结构,线规,频率
- 磁芯损耗模型→匝数,磁芯面积,材质,体积,频率

-
磁芯损耗有关因素:
材料材质
工作频率f
交流磁密▲B
工作温度T
直流偏磁磁密Bdc
激磁波形D
) -
集肤效应(高频涡流条件下会产生比较大的交流阻抗,因此有时要选多股规格小的线径,然后并联绕制)

-
临近效应(绕制时尽量让线圈远离气隙)

-
线规传统设计方法:

认识误区,防止出现以下问题:
选择尽量粗的导线或更厚的铜箔,以增大导电面积,减低电流密度;(错的)
对多股绞线,在一定线径下,选择尽量多的股数,以增加导电面积。(错的) -
多股绞线涡流分布:

-
绕组结构对磁场分布及损耗的影响

- 绿色是原边绕组、粉色是副边绕组
一般结构:可以减小原副边寄生电容,从而减小EMI共模噪声,但漏感比较大,从电流密度磁场强度看,该结构变压器损耗最大。
三明治结构:可以减小漏感,但会增大寄生电容,EMI会变差,变压器损耗较小,如LLC拓扑带中心抽头的全波整流。
全交错结构:漏感最小,变压器损耗最小,但会增大原副边寄生电容,对EMI影响最大。
- Dowell损耗模型

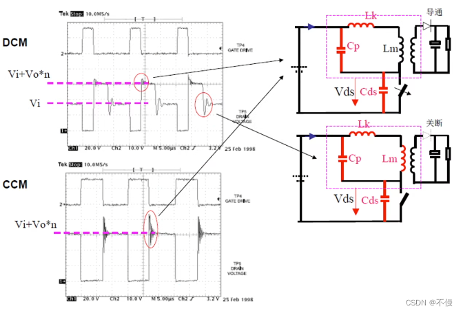
5.变压器的杂散参数效应

-
减小漏感
绕组结构优化(一般结构/三明治结构/全交错结构)
降低绕组匝数/匝长
减少绕组层数
绕组并联

原边绕组寄生参数:

-
绕组并联等效电容:

以上,同样的绕制层数可以通过改变不同的绕制方法,也可以改变寄生电容杂散参数的大小 -
层间共面耦合电容:

以上,可以选择在绕组原副边增加屏蔽绕组或铜箔,从而减小Cps,减小感应电荷,改善EMI,注意一定要将其连接到高压端或地端。 -
降低共模耦合电容的考虑
增加原副边绕组间的距离
减少原副边绕组间的面积
采用低介电系数绝缘胶带
采用更完全的屏蔽
改变电位分布
6.隔离驱动变压器
- 脉冲变压器举例:

- 绕组结构:

参考链接: 这大概是对工程师的设计能力要求最高的器件

本文详细介绍变压器的基本原理及其在电源电路中的应用。涵盖铁磁材料特性、磁化过程、电磁场分析模型等内容,并探讨了高频损耗机理及杂散参数效应对变压器性能的影响。
3047

被折叠的 条评论
为什么被折叠?



