前言
有这么个场景,公司下有多个不同域名的站点,我们期望用户在任意一个站点下登录后,在打开另外几个站点时,也是已经登录的状态,这么一过程就是单点登录。
因为多个站点都是用的同一套用户体系,所以单点登录可以免去用户重复登录,让用户在站点切换的时候更加流畅,甚至是无感知。
单点登录所要实现的就是,某一站点登录后,将其登录态会同步到其他另外几个站点。
我们分两部分,先说单个站点的登录流程,再说同步登录态的流程。
登录相关架构
服务端采用
nodejs,缓存采用redis用户登录凭证采用基于
session的cookies维系,采用cookie作为登录凭证是目前比较主流的方式。session信息用redis承载,从数据层面上看,redis中存储session对象的key便是cookie中的valuekey是由UUID生成的唯一标识为了保证
session与cookie保持对应,session对象创建与修改都会触发服务端往浏览器写入cookie
登录流程
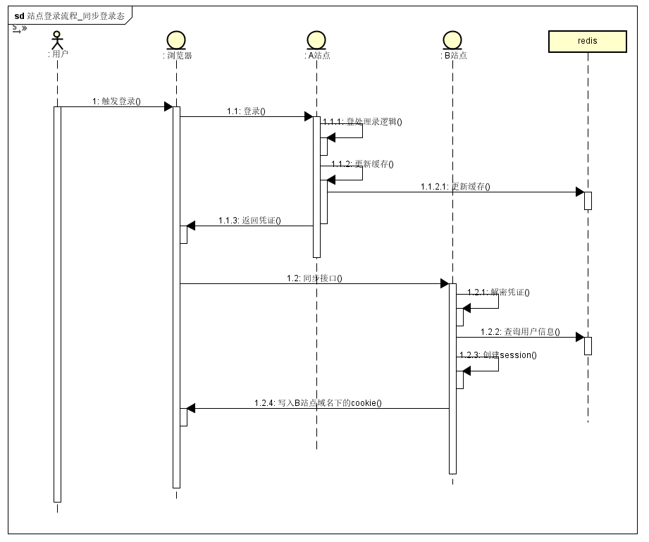
我们先看单个站点的登录流程
用户首次打开站点,服务端生成
session对象,此时session中没有用户信息,同时服务端往浏览器写入cookie用户触发登录操作
服务端校验参数处理登录逻辑后,生成用户信息,将用户信息写入
session对象,更新缓存redis我们来画个图,如下:

同步登录态
一个站点完成登录后,接下来就是如何让其他站点也拥有登录态。既然登录态是由 cookie 和 session 决定的,而 cookie 又是由 session 写入的,那么也就是说,只要把 session 同步到其它站点,其它站点只要获取到 session 后,就可以在该域名创建或更新 cookie ,这样一来,两个不同域名下的站点就拥有相同的登录信息了。
因此,同步登录态其实就是,如何同步 session 的问题。
而我们的 session 是采用 redis 作为载体,那么其他站点只要能获取到 redis 中存储的用户信息,不就可以创建自己的 session 对象了么?
没错!如何同步 session 的问题,就变成了如何让其他站点从 redis 中获取用户信息,也就是如何让其他站点知道存储该用户信息的 redis key
到了这一步,我们需要解决的问题就很明显啦:如何在不同站点间传输用户凭证。
为便于描述,我们假设有两个站点,分别为A站点和B站点。因为A、B站点的域名不同,基于同源策略, cookie 是没法共享的,所以我们采取主动请求的方式,将用户唯一凭证通过接口传过去。大致流程如下:
A站点完成登录逻辑后,将用户凭证返回到浏览器,为了安全性,在传输凭证前,对凭证进行加密,可采用
AES或者RSAA站点的客户端获取到凭证后,调用B站点提供的同步登录态接口,将凭证传过去
B站点的服务端获取到凭证,解密,查询缓存中的用户信息,创建
session对象,写入B站点域名下的cookie信息B站点的登录态同步完成
基于上图,我们完善同步的时序图

同步登录态的场景
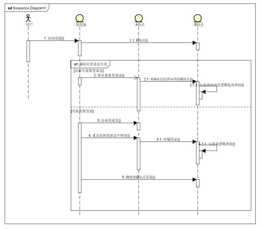
上面描述的是当用户首次登录时的同步流程,还需要考虑其他场景,比如,B 站点获得的登录态失效了,这时候访问 B 站点页面,就需要在一次前往 A 站点同步登录态。B 站点上的页面分为两种,一种是需要登录态才可以访问的,一种是不需要登录态就可以访问的。第一种情况下,需要重定向到 A 站点,为啥要绕回去呢?因为此时我们也不确定A 站点的登录态是否也失效了,所以需要回到 A 站点判断 A 站点当前的登录态,若 A 站点登录态也失效了,那么就去登陆页进行重新登录,若 A 站点是有登陆态的,那么只要在做一次同步登录态的操作即可。我们还是画图,清晰一些,如下:

若有其他场景,处理的逻辑与这个类似,本质无非就是在获取一次凭证,重新更新站点缓存。
跨域请求
因为要在 A 站点请求 B 域名下的接口,所以会有跨域问题,跨域问题常用的解决方式有如下几种:
JSONP很常见很通用的一种方式Image利用Imagesrc可以绕过同源策略,所以通过构建一个Image发送给请求也是可行的,同时服务端也不需要做太多修改。CORS老的浏览器就没法支持,需要在服务端设置Access-Control-Allow-Origin,允许任何域或指定的域发起的请求都可以获取当前服务器的数据。
◆ ◆ ◆ ◆
你的在看我当成喜欢
1512

被折叠的 条评论
为什么被折叠?



