二极管,作为一个基本的电子元器件,在许多电子电路系统项目中均有所应用;然而通过芯片哥拜访的许多硬件开发工程师,发现一些二极管常用的经典电路还有不被熟悉,不被使用;因此芯片哥就和小伙伴们一起研究下一个被工程师忽视的二极管钳位保护电路特性;

电路应用图
1,什么是二极管?
二极管本质是一个PN结,具有单向导电性,电流只能从二极管的阳极流向阴极,且一般的导通压降为0.7V左右;

二极管电路符号
2,二极管钳位保护电路

二极管钳位保护电路
此电路是二极管的钳位保护电路,使Vin电压被钳位在VCC与GND之间;具体的工作原理:
- 当Vin电压大于VCC时,显然D2二极管导通,D1二极管截止关闭,Vout输出的电压等于VCC+0.7V;
- 当Vin电压在VCC与GND之间时,则D1与D2二极管均截止关闭,Vout输出的电压等于Vin;
- 当Vin电压小于GND时,那么D1二极管导通,D2二极管截止关闭,Vout输出的电压等于GND-0.7V;
因此无论外界的输入电压Vin为多少,输出的电压Vout始终被钳位限定在VCC+0.7与GND-0.7之间,这样就保护Vout连接的后级电路,以免过压损坏其他元器件;
3,应用电路场景
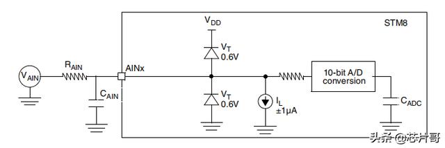
3.1 单片机的IO引脚保护:如外部输入单片机内部的模拟量信号,为了防止模拟量信号过压冲击IO引脚内部电路,需要引入二极管的钳位保护电路;如果单片机内部已集成此保护电路,则可以直接省去;

单片机内部集成图
3.2 电平转换:在不同的电路系统中,如A电路系统是5V逻辑电平,B电路系统是3.3V逻辑电平,那么AB两个电路系统实现通信则需要逻辑电平转换,否则5V会损坏3.3V电源器件;此逻辑电平的转换就可以通过简单的二极管钳位电路便可以实现,无需额外增加芯片;

二极管电平转换电路
这些就是有关二极管的钳位保护电路应用,你现在学会了吗?是否还有更好的有关二极管电路设计应用,和芯片哥一起讨论交流吧;
本文由【芯片哥】原创撰写,喜欢就关注芯片哥,和芯片哥一起加油吧
本文介绍了二极管钳位保护电路。二极管本质是PN结,有单向导电性。该电路能将Vin电压钳位在VCC与GND之间,保护后级电路。其应用场景包括单片机IO引脚保护,防止模拟量信号过压冲击;还可用于不同电路系统的电平转换,无需额外芯片。
1106

被折叠的 条评论
为什么被折叠?



