计算网络计划图的算法,我们只要记住一个口决:从左到右取大值 (顺着箭头的方向),从右到左取小值,是不是觉得那些最早时间,最迟时间的字母记不住,小编来帮你梳理一下:最早开始的英文是early sart,所以取前面字母ES,同理:
最早结束时间:early finish —— EF
最晚开始时间:late sart——LS
最晚结束时间: late finish——LF
总时差:total float——TF
自由时差:free float——FF
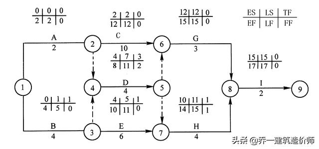
具体我们来看下图的案例:

上图是我们已经计算出来的图,从左到右算,主要是算最早开始时间和最早结束时间参数。小编讲解一下:从1节点到2节点A工作,最早开始时间为0,持续时间为2天,所以最早结束EF为2;从2节点到6节点中,最早开始时间取前一个节点的最大值A的最早结束时间,所以C工作最早开始时间ES为2,C工作持续时间为10天,则最早结束时间为12天;从6节点到8节点G工作,G工作前面有D和C两个紧前工作,根据我们的口决取大值法,C工作最早结束时间EF为12,D工作最早结束时间EF为8天,则G工作最早开始ES为12天,持续时间为3天,则最早结束时间EF为15天;同理8节点到9节点的I工作最早开始时间EF为15,最早结束时间EF为17天;这样我们就完成了最早开始和结束 的时间参数了。
接着我们逆向箭线从后往前算,主要算的是最晚开始时间和最晚结束时间参数,先算8节点到9节点I工作,因为是最后的工作点,所以最迟开始时间应该和最早开始时间一样,最迟完成时间和最早完成时间一样,则他们的自由时差和总时差都为0;我们再来看4节点到5节点的D工作,D工作后面有两项紧后工作G和H,G的最晚开始时间是12,H的最晚开始时间是11,根据我们的口决,从右到左取小值,则D的最晚结束时间为11天,则最晚开始时间为11-4(D的持续时间)=7天,D的总时差=本项工作的最晚开始时间-本项工作的最早开始时间=7-4=3,D的自由时差=本工作的总时差-紧后工作的自由时差 或者是=紧后工作的最早开始时间-工作的最早完成时间=3-1=2或者是=10-8=2都可以的。其它的都是一样计算的。
小编还是啰嗦一下把各种参数的基本概念都写下来:
工作最早开始时间:最早开始时间是在各紧前工作全部完成后,本工作有可能开始的最早时刻
工作最早完成时间:为工作最早开始时间后+本工作的持续时间
.工作最迟开始时间:最迟开始时间是在不影响整个任务按期完成的条件下,本工作最迟必须开始的时刻
最迟完成时间:为最迟开始时间后+本工作的持续时间
总时差:总时差是在不影响总工期的前提下,本工作可以利用的机动时间
自由时差:自由时差是在不影响其紧后工作最早开始的前提下,本工作可以利用的机动时间
上图是小编自己计算出来的,如果大家有什么不明白可以在评论区留言或者私信我。
本文介绍了计算网络计划图的算法,给出“从左到右取大值,从右到左取小值”的口诀。梳理了最早开始、最早结束、最晚开始、最晚结束等时间参数的英文缩写,通过案例详细讲解了最早和最晚时间参数的计算方法,还给出各参数的基本概念。

被折叠的 条评论
为什么被折叠?



