● 本期为二极管箝位五电平变换器的基本Simulink仿真,只包含其SPWM调制。感谢公众号一位好友“一叶知秋”提供Simulink模型并分享。
01
二极管箝位五电平变换器调制方法
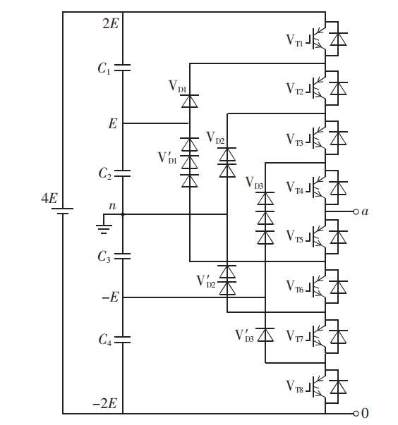
传统的变换器存在高的电压变化率和共模电压,且波形谐波含量较大,使得输出滤波器的设计变得复杂,基于以上原因,国内外提出了各种多电平变换器 。其中二极管箝位五电平逆变器已经较多出现在各类研究之中。图 1 是二极管箝位型五电平变换器的一路桥臂结构。其中分压电容 C1=C2=C3=C4,故 UC1=UC2=UC3=UC4;每个桥臂有 8 个开关器件 VT1~VT8 串联,每 4 个开关器件同处导通或关断状态,其中(VT1,VT5)、(VT2,VT6)、(VT3,VT7)、(VT4,VT8)为互补工作的开关对,即当其中一个开关导通时,另一个一定关断;反之亦然。

图 1 二极管箝位型五电平变换器的一路桥臂结构
五电平变换器的输出电压与开关状态之间的关系见下表:

二极管箝位型五电平变换器的每相采用 4 个具有相同频率 fc 和相同峰峰值 Uc 的锯齿载波与一个频率为 fm、幅值为 Um 的正弦波相比较。如图 2所示。在正弦波与锯齿波相交的时刻,如果调制波的幅值大于某个锯齿波的幅值,则开通相应的开关器件;反之,则关断该器件。
02
二极管箝位五电平变换器的Simulink仿真
在Simulink中搭建如下的二极管箝位五电平变换器电路:

通过上述的调制方法,得到的模块输出线电压波形如下所示:

得到的滤波前相电压和滤波后线电压如下图所示:

03
Simulink模型获取方式
在公众号回复关键字“5LSPWM”
您将自动获取下载链接。
您的关注是我们持续创作的动力!

本文介绍了二极管箝位五电平变换器的基本Simulink仿真,包括其SPWM调制原理和电路结构。通过Simulink模型展示了变换器的输出电压与开关状态的关系,以及滤波前后的线电压波形。
2400

被折叠的 条评论
为什么被折叠?



