上一篇文章中说道怎么使用Labview中的XNET工具进行CAN通讯中dbc信号的解析,上篇文章中只放置了解析信号的前面板,没有程序框图,上次是第一次在手机上发文章,操作不太熟练,这次把上篇文章中的程序框图附上,如下图所示

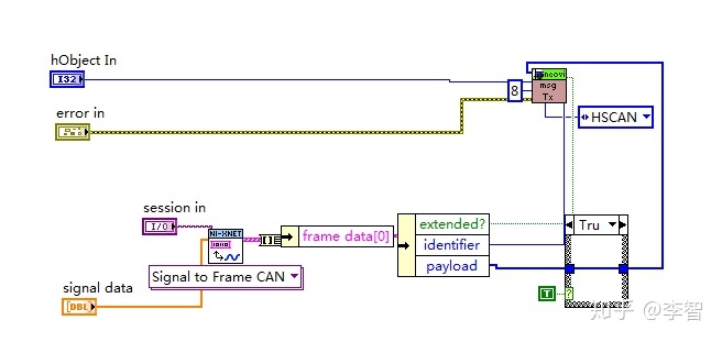
一个完整的CAN通讯除了对接收的信号进行解析显示,还有重要的一部分就是对信号的打包发送,这篇文章着重介绍CAN信号的打包发送,一般我们收到信号之后,肯定会结合当前的控制逻辑和控制状态,对这些信号进行重新赋值,以实现对CAN信号的控制操作,例如在我实际的一个项目中,我要进行实车CAN信号的通讯模拟,我的测试对象是BMS,其他控制器的节点是虚拟的,但是这些节点的信号,会根据BMS发出 的信号改变而改变,当我收到BMS状态信号是ready的时候,我要控制MCU和VCU的节点中相应的状态随之变化,这样改变之后的值,是具体的信号值,而进行CAN通讯时是按照帧数据进行发送的,所以这就涉及到对这些信号的打包操作,具体的前面板和程序款图如下


在程序框图中信号值通过XNET控件进行打包,打包之后的数据要进行发送,发送的模块是图中上半部分的内容,这块是根据你使用不同的CAN通讯板卡而不同,在实际操作中要根据实际选择的板卡进行修改,目前我使用过的几款CAN卡,进行通讯都是比较容易实现的。 通过这两篇文章就把基于Labview的CAN通讯的关键两部分内容:信号的发送和接收,已经讲解,接下来我会把实际项目中涉及的一些关键点继续分享给大家。
本文详细介绍了如何使用Labview的XNET工具进行CAN信号的打包发送。在CAN通讯中,接收到的信号通常需要结合控制逻辑和状态进行重新赋值,然后打包成帧数据进行发送。文中提供了程序框图,展示了信号值如何通过XNET控件打包,并通过不同的CAN通讯板卡进行发送。作者还将分享更多基于Labview的CAN通讯实际项目的关键点。
5643

被折叠的 条评论
为什么被折叠?



